Алюминиевая материальная ячейка загрузки IP65 веся датчик для подъема веся электронную веся систему
Весить датчик
Веся датчик прибор который преобразовывает массовый сигнал в измеряемый электрический выход. Когда измеренные поступки силы сразу на тензометрическом датчике полого цилиндра наклеенного с тензометрическим датчиком сопротивления через тяг-индентер, тензометрический датчик осев обжаты и радиально расширены, соответствуя осевые уменшения значения напряжения сопротивления, и радиальные повышения значения. Когда мост из баланса, когда сила моста поставлена от снаружи, неуравновешенный выход напряжения тока на выходе угла, который пропорциональн к измеренной силе действуя на ячейке загрузки.
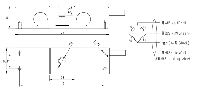
Размер:

Спецификация:
| Емкость | Kg | 1000 |
| Чувствительность | mV/V | 2.0±0.05 |
| Точность |
≤±0.05 |
|
| Ползучесть (15min) | %FS | ≤±0.02 |
| Сопротивление входа | Ω | 1000±10 |
| Сопротивление выхода | Ω | 1000±10 |
| Сопротивление изоляции | M Ω | ≥5000 (100VDC) |
| Нул балансов | %FS | ≤±1 |
| Влияния температуры на пяди | %FS/10℃ | ≤0.02 |
| Влияние температуры на нул | %FS/10℃ | ≤0.02 |
| Расклассифицированный диапазон температур | ℃ | -10~+60 |
| Температурная амплитуда рабочей температуры | ℃ | -20~+80 |
| Предложенное напряжение тока возбуждения | V | 6~12 |
| Позволенное напряжение тока возбуждения | V | 18 |
| перегрузка 安 безопасная | %FS | 120 |
| перегрузка 极限过载 окончательная | %FS | 150 |
| предохранение от 防护等级 | IP65 | |
| 电缆线规格 привязывает спецификацию | mm | Ф5 |
| 电缆线长度 привязывает длину | m | 1,4 |
| материал 材料 | Алюминиевый сплав |
Информация о компании

Наша компания принимает технологию продукта как проводник, сотрудничает с партнерами конфиденциально, и стремится стать вашим лучшим поставщиком с идеальным послепродажным обслуживанием как своя гарантия. В виду того что наша компания начала изучать тензометрический датчик сопротивления в 1997, оно непрерывно следовала технологическое нововведение и превращаться и произведение в строгом соответствии с рекомендацией 0IML62# и стандартом GB/T13992-92. Наша компания использует несколько старших членов индустрии тензометрического датчика как технический консультант в течение многих лет, и имеет больше чем 20 лет технического и технологического персонала принимались за индустрию, для обеспечения долгосрочной стабильности и последовательности наших продуктов. В течение многих лет, наша компания усиливала свое сотрудничество с научно-исследовательскими институтами в индустрии материала полимера для того чтобы развить основные вещества которые соответствующий для высококачественного тензометрического датчика сопротивления. Тензометрический датчик произведенный нашей компанией соответствующий для изготовляя средств-точности и высокоточных веся ячеек загрузки и анализа нагрузочных режимов точности, большого уменьшения запаздывания и нелинейной ошибки продуктов и улучшать стабильность продукта.
Применение

Отростчатая схема технологического процесса

Упаковка & грузить

вопросы и ответы
1.What ваше MOQ?
Нормально наше MOQ 100 ПК, но иногда возможно нас имеем другой заказ в наличии, если основано на ODM, MOQ можно обсудить.
2.Are вы торговая компания?
Мы изготовитель, наша фабрика проходили CTI, ISO9001: 2008, NTEP, OIML, мы имеем хорошую проверку качества.
3.Do вы принять подгонянный?
Да, мы имеем различных клиентов сделать их собственные продукты OEM.
Так мы также можем сделать продукты согласно вашему требованию.
4. сколько времени могу я рассчитывать получить мои товары после того как я делаю заказ заказ?
Наше время продукции всегда через 45 дней после подтверждения образца подготовки производства.
5.Can я получаю некоторые образцы перед заказом места и как длинный для образца?
Да, но клиент нужно оплатить для образцов и перевозка, время выполнения для образцов около 7 дней вверх дальше получила оплату.
6.How ваша доставка?
1)грузить срочным (заказ образца) или морским путем (оптовый заказ);
2)всемирное грузя обслуживание доступное;
3)пожалуйста контакт перед заказом как грузя цена меняет время приурочить.
7.Will вы имеете некоторую скидку?
1)К клиентам которые приносят заказы и крупные заказы повторения;
2)Пожалуйста свяжитесь мы для лучшей цитаты.