сплав алюминия 25 kg высокой точности веся тип напряжения датчика веся датчик
Принцип и структура
Веся датчик построен используя принцип напряжения сопротивления. Когда измеренные поступки силы сразу на тензометрическом датчике полого цилиндра наклеенного с тензометрическим датчиком сопротивления через тяг-индентер, тензометрический датчик осев обжаты и радиально расширены, соответствуя осевые уменшения значения напряжения сопротивления, и радиальные повышения значения. Когда мост из баланса, когда сила моста поставлена от снаружи, неуравновешенный выход напряжения тока на выходе угла, который пропорциональн к измеренной силе действуя на ячейке загрузки.
Особенности
1. Веся датчик имеет простую структуру и легок для установки, для использования и для того чтобы снести.
2. Оно имеет хорошее запечатывание и влагостойкое представление.
3. Оно имеет высокую стабильность анти--вибрации и удара.
4. Структурный дизайн обеспечивает что ошибка передачи небольшая и измерение надежно, и оно имеет хорошее статическое и характеристики динамической чувствительности.
5. Его можно использовать для международного статического и динамического измерения.
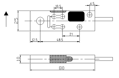
Размер

Спецификация:
| Емкость | Kg | 25 |
| Чувствительность | mV/V | 2.0±0.2 |
| Совмещенная ошибка | %FS | 0,1 |
| Ползучесть (15min) | %FS | 0,05 |
| Сопротивление входа | Ω | 395±20 |
| Сопротивление выхода | Ω | 350±5 |
| Сопротивление изоляции | M Ω | ≥5000 (100VDC) |
| Нул балансов | %FS | ±1 |
| Влияния температуры на пяди | %FS/10℃ | 0,02 |
| Влияние температуры на нул | %FS/10℃ | 0,017 |
| Расклассифицированный диапазон температур | ℃ | -10~+60 |
| Температурная амплитуда рабочей температуры | ℃ | -20~+80 |
| Предложенное напряжение тока возбуждения | V | 6~12 |
| Позволенное напряжение тока возбуждения | V | 3~15 |
| Безопасная перегрузка | %FS | 120 |
| Окончательная перегрузка | %FS | 150 |
| Защита | IP65 | |
| Материал | Алюминиевый сплав |
Применение

Отростчатая схема технологического процесса

вопросы и ответы
1. Какая детальная информация мне нужно для того чтобы обеспечить если я хочу делать заказ заказ?
Нам нужно знать следующую информацию: Емкость, использование и другие родственные параметры вам.
2. Вы имеете скидку?
Да, если вы покупаете большой QTY, то пожалуйста отправьте нами электронную почту, мы передаст вам большая скидка.
3. Когда вы аранжируете продукцию?
Мы аранжируем продукцию немедленно после получать вашу оплату.
4. Как вы обеспечиваете хорошее качество продукции?
Мы имеем полную систему проверки качества, весь из наших продуктов полно проверены IQC, отделами OQC перед грузить к нашим клиентам.