лифт ячейки загрузки точности 60 kg веся легированную сталь Materail системы
Что ячейка загрузки?
Ячейка загрузки сердце электронного веся прибора. По мере того как быстрое развитие сенсорной техники, электронный веся прибор широко было использовано в много промышленных зон. Оно использован в масштабах танка, масштабах хоппера, вися масштабах, масштабах корабля, и других масштабах или системах управления которые требуют быстрый и точный измерять силы.
Характеристики продукта:
1. Эластомер для материала легированной стали
2. Соответствующий для перегрузки лифта веся систему.
3. Датчик можно использовать независимо.
Технические параметры:
| Емкость | Kg | 60 |
| Чувствительность | mV/V | 2.0±0.2 |
| Точность |
≤±0.05 |
|
| Ползучесть (15min) | %FS | ≤±0.02 |
| Сопротивление входа | Ω | 350±10 |
| Сопротивление выхода | Ω | 350±10 |
| Сопротивление изоляции | M Ω | ≥5000 (100VDC) |
| Нул балансов | %FS | ≤±1 |
| Влияния температуры на пяди | %FS/10℃ | ≤0.02 |
| Влияние температуры на нул | %FS/10℃ | ≤0.02 |
| Расклассифицированный диапазон температур | ℃ | -10~+60 |
| Температурная амплитуда рабочей температуры | ℃ | -20~+80 |
| Предложенное напряжение тока возбуждения | V | 6~12 |
| Позволенное напряжение тока возбуждения | V | 18 |
| Безопасная перегрузка | %FS | 120 |
| Окончательная перегрузка | %FS | 150 |
| Защита | IP65 | |
| Спецификация кабеля | mm | Ф4 |
| Длина кабеля | m | 2,5 |
| Материал | Легированная сталь |
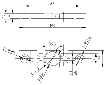
Размер


Применение

Отростчатая схема технологического процесса

вопросы и ответы
1. Какая детальная информация мне нужно для того чтобы обеспечить если я хочу делать заказ заказ?
Нам нужно знать следующую информацию: Емкость, использование и другие родственные параметры вам.
2. Вы имеете скидку?
Да, если вы покупаете большой QTY, то пожалуйста отправьте нами электронную почту, мы передаст вам большая скидка.
3. Какие условия платежа доступны?
Мы признаваем T/T, L/C, западное соединение, PayPal, etc.
4. Когда вы аранжируете продукцию?
Мы аранжируем продукцию немедленно после получать вашу оплату.
5. Как вы обеспечиваете хорошее качество продукции?
Мы имеем полную систему проверки качества, весь из наших продуктов полно проверены IQC, отделами OQC перед грузить к нашим клиентам.
6. Как насчет упаковке?
Стандартный пакет экспорта: каждый блок имеет индивидуальную коробку и все коробки упакованы в стандартных пакетах.