тип клетка спицы 10kg 100kg 200kg сжимающей нагрузки круга для масштаба тележки веся датчик
Тип спицы веся датчик принимает тип структуру эластомера и принцип спицы напряжения сдвига, который имеет характеристики низкой формы, нагрузки анти--смещения, высокой точности и хорошей прочности. Соответствующий для разнообразие теста нагружающей силы. Широко использованный в различном электронном масштабе, ящике распределения цемента, сухом смесителе порошка и измерении и системе управления промышленной автоматизации.
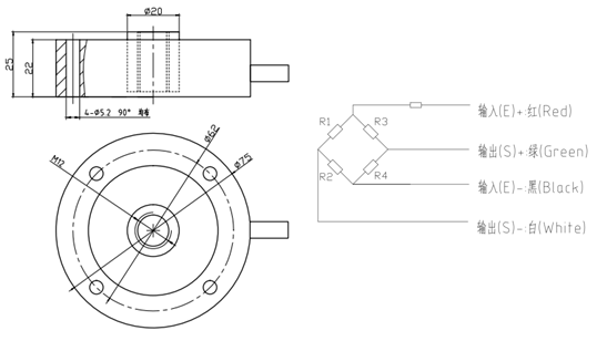
Размер:

Спецификация:
| Емкость | Kg | 10/50/100/200 |
| Чувствительность | mV/V | 1.5±0.2 |
| Точность | %FS | ≤±0.1 |
| Ползучесть (15min) | %FS | ≤±0.02 |
| Сопротивление входа | Ω | 750±30 |
| Сопротивление выхода | Ω | 700±10 |
| Сопротивление изоляции | M Ω | ≥5000 (100VDC) |
| Нул балансов | %FS | ≤±1 |
| Влияния температуры на пяди | %FS/10℃ | ≤0.05 |
| Влияние температуры на нул | %FS/10℃ | ≤0.05 |
| Расклассифицированный диапазон температур | ℃ | -10~+60 |
| Температурная амплитуда рабочей температуры | ℃ | -20~+80 |
| Предложенное напряжение тока возбуждения | V | 6~12 |
| Позволенное напряжение тока возбуждения | V | 18 |
| Безопасная перегрузка | %FS | 120 |
| Окончательная перегрузка | %FS | 150 |
| Защита | IP65 | |
| Спецификация кабеля | mm | Ф5 |
| Длина кабеля | m | 2 |
| Материал | Алюминиевый сплав |
О компании

Наша компания принимает технологию продукта как проводник, сотрудничает с партнерами конфиденциально, и стремится стать вашим лучшим поставщиком с идеальным послепродажным обслуживанием как своя гарантия. В виду того что наша компания начала изучать тензометрический датчик сопротивления в 1997, оно непрерывно следовала технологическое нововведение и превращаться и произведение в строгом соответствии с рекомендацией 0IML62# и стандартом GB/T13992-92. Наша компания использует несколько старших членов индустрии тензометрического датчика как технический консультант в течение многих лет, и имеет больше чем 20 лет технического и технологического персонала принимались за индустрию, для обеспечения долгосрочной стабильности и последовательности наших продуктов. В течение многих лет, наша компания усиливала свое сотрудничество с научно-исследовательскими институтами в индустрии материала полимера для того чтобы развить основные вещества которые соответствующий для высококачественного тензометрического датчика сопротивления. Тензометрический датчик произведенный нашей компанией соответствующий для изготовляя средств-точности и высокоточных веся ячеек загрузки и анализа нагрузочных режимов точности, большого уменьшения запаздывания и нелинейной ошибки продуктов и улучшать стабильность продукта.



вопросы и ответы
1. Какая детальная информация мне нужно для того чтобы обеспечить если я хочу делать заказ заказ?
Нам нужно знать следующую информацию: Емкость, использование и другие родственные параметры вам.
2.Do вы принять подгонянный?
Да, мы имеем различных клиентов сделать их собственные продукты OEM. Так мы можем сделать продукты согласно вашему требованию.
3. Когда вы аранжируете продукцию?
Мы аранжируем продукцию немедленно после получать вашу оплату.
4. Могу я получить некоторые образцы перед заказом места и как длинный для образца?
Да, но клиент нужно оплатить для образцов и freoght. Laed время для образцов около 7 дней вверх на полученной оплате.
5. Вы имеете скидку?
К клиентам которые приносят заказы и крупные заказы повторения. Пожалуйста свяжитесь мы для лучшей цитаты.
Электронная почта: frank0505@126.com yangzaiquan@xarj.cn Что является следующим: +18992920670
Смотреть вперед к сотрудничать с вами!