Тип тип столбца банки столбца высокой точности ячейки загрузки Мулти
Ячейка загрузки банки, тип столбца, весить обжатия
Модель: КР-01
ЕМКОСТЬ:
10Т-100Т
Особенности:
Эта ячейка загрузки банки Мулти тип столбца, более стабилизированная и лучшая точность
Ряд емкости от 10т то100т,
Структура нержавеющей стали, хорошая работа,
Загерметизированный лазер, доказательство воды к ИП67,
ПРИМЕНЕНИЯ:
Костюм для масштаба тележки, весит мост и другое электронное взвешивающее устройств
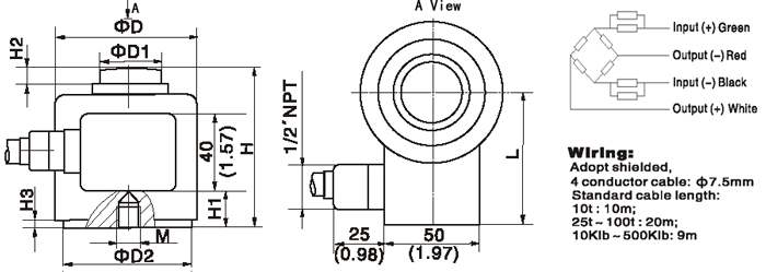
Размеры: (мм)


| СПЕЦИФИКАЦИЯ | |||
| Точность: | К2 | ||
| Требуемая производительность: | 2,0 ±0.003 | ||
| Ползучесть (%Ф.С/30мин): | ±0.02 | ||
| Зеро баланс (%Ф.С): | ±1.0 | ||
| Сопротивление входа: | 450±5 | ||
| Сопротивление выхода: | 480±5 | ||
| Сопротивление изоляции: | ≥5000 (100ВДК) | ||
| Темп. влияние на пяди (%Ф.С/10℃): | ±0.017 | ||
| Темп. влияние на нул (%Ф.С/10℃): | ±0.02 | ||
| Используйте темп. ряд (℃): | -20~+55 | ||
| Напряжение тока возбуждения (в): : | 9~12 (ДК) | ||
| Перегрузка безопасности (%Ф.С) | 150% | ||
| Окончательная перегрузка (%Ф.С) | 200% | ||
| Защитите ранг | ИП67 | ||
| Длина кабеля: | 10 метров -20 метров | ||
| Метод соединения провода | |||
| РЭД=Иньпут+ | БЛАКК=Иньпут- | ГРЭЭН=Оутпут+ | ВХИТЭ=Оутпут- |