Поговоренная ячейка загрузки, обжатие веся модель: ЕМКОСТЬ CL-07: 0.5KG-200KG отличает: Высокопрочная легированная сталь, высокая точность, Масл-защитный, водоустойчивый тип спицы IP66, легкие установка, соответствующая для электронных масштабов тележки, масштабов платформы и других электронных веся приборов
Микро- ячейка загрузки, обжатие и растяжимый весить
Модель: CL-07
Емкость: 0.5KG-200KG
Особенности:
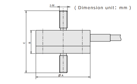
Размеры: (mm)

| Емкость | B | C | M | |
| 0.5-5kg | 28 | 16 | 38 | M4X0.7 |
| 10-200kg | 33 | 22 | 46 | M6X1 |
| СПЕЦИФИКАЦИЯ: | |
| Точность: | C2 |
| Совмещенная ошибка: | ±0.1 |
| Требуемая производительность: | 1mv/v±0.1 |
| Ползучесть (%F.S/30min): | ±0.5 |
| Нелинейность (%F.S) | ±0.5 |
| Гистерезис: (%F.S) | ±0.5 |
| Нул балансов (%F.S): | ±1.0 |
| Сопротивление входа: | 350±5 |
| Сопротивление выхода: | 350±5 |
| Сопротивление изоляции: | ≥5000 (100VDC) |
| Temp. влияние на пяди (%F.S/10℃): | ±0.5 |
| Temp. влияние на нул (%F.S/10℃): | ±0.5 |
| Temp пользы. ряд (℃): | -20~+55 |
| Напряжение тока возбуждения (v): : | 9|12(DC) |
| Перегрузка безопасности (%F.S) | 150% |
| Окончательная перегрузка (%F.S) | 200% |
| Защитите ранг | IP66 |
| Длина кабеля: | 3 метра -10 метров |