Нагрузка 400 ~ 480 кг Лифт без редуктора тяга машина для машинного помещения менее тяга лифт
| Нагрузка | 400/480 кг |
| Напряжение | 220/380 вольт |
| Приостановление | 2:1 |
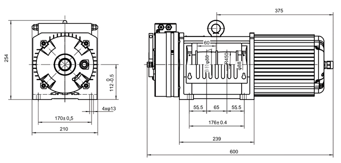
| Высота центра | 112 мм |
| Вес | 72/77 кг |
| Максимальная статическая нагрузка | 2000 кг |
| Тормоз | DC110V 2*0,6A |
| Общие данные | в кг | м/с | V | мм | П | n | КВт | r/min | N.m. | Гц | V | А. | S5 |
| Нагрузка |
Подъем скорость |
Фаза напряжение |
Смесь Диа |
Поляки |
Сцепление количество ремней |
Рейтинговый мощность |
Рейтинговый скорость |
Рейтинговый момент вращения |
Частота Энси |
Рейтинговый Напряжение |
Рейтинговый Текущий |
Работа Система |
|
| SN-DX-400-4-12F | 400 | 0.4 | 1/220 | 86 | 10 | 2 | 1.1 | 178 | 59 | 14.8 | 154 | 7.2 | 20% |
| SN-DX-400-4-34F | 400 | 0.4 | 3/380 | 86 | 10 | 2 | 1.1 | 178 | 59 | 14.8 | 235 | 4.7 | 20% |
| SN-DX-400-6.3-12F | 400 | 0.63 | 1/220 | 86 | 10 | 2 | 1.7 | 280 | 58 | 23.3 | 159 | 9.2 | 40% |
| SN-DX-400-6.3-34F | 400 | 0.63 | 3/380 | 86 | 10 | 2 | 1.7 | 280 | 58 | 23.3 | 325 | 4.5 | 40% |
| SN-DX-400-10-12F | 400 | 1.0 | 1/220 | 86 | 10 | 2 | 2.7 | 444 | 58 | 37 | 142 | 14.9 | 40% |
| SN-DX-400-10-34F | 400 | 1.0 | 3/380 | 86 | 10 | 2 | 2.7 | 444 | 58 | 37 | 324 | 6.5 | 40% |
| SN-DX-480-4-12F | 480 | 0.4 | 1/220 | 86 | 10 | 2 | 1.27 | 178 | 68 | 14.8 | 147 | 8.3 | 20% |
| SN-DX-480-4-34F | 480 | 0.4 | 3/380 | 86 | 10 | 2 | 1.27 | 178 | 68 | 14.8 | 315 | 3.9 | 20% |
| SN-DX-480-6.3-12F | 480 | 0.63 | 1/220 | 86 | 10 | 2 | 2.0 | 280 | 68 | 23.3 | 139 | 12.1 | 40% |
| SN-DX-480-6.3-34F | 480 | 0.633 | 3/380 | 86 | 10 | 2 | 2.0 | 280 | 68 | 23.3 | 329 | 5.1 | 40% |
| SN-DX-480-10-12F | 480 | 1.0 | 1/220 | 86 | 10 | 2 | 3.2 | 444 | 69 | 37 | 139 | 17.7 | 40% |
| SN-DX-480-10-34F | 480 | 1.0 | 3/380 | 86 | 10 | 2 | 3.2 | 444 | 69 | 37 | 320 | 7.7 | 40% |







Частые вопросы
1- Лифтовые провода прочны?
Конфигурация не только для проволоки и номинальной нагрузки, но и учитывает размер тяги, в результате,прочность проволоки больше веса подъемникаУстройство безопасности оснащено более чем четырьмя проволоками, поэтому оно не сломается одновременно.
2. Опасно ли внезапное отключение электроэнергии во время работы лифта?
Если это произойдет, лифт автоматически остановится из-за электрического и механического устройства безопасности.отделы электроснабжения, такие как запланированное отключение, предварительное уведомление также работают.
3Мы не пострадаем, когда он внезапно закроется?
В процессе закрытия, если люди прикоснутся к двери коридора, дверь лифта автоматически перезапустится без опасности.Это переключающее действие делает лифт невозможно закрыть и даже снова открытьКроме того, сила закрытия также доступна здесь.
4Как работает лифт?
Подъемники работают с помощью проволочной веревки с противовесом через тяговый привод (трактор), делая подъемы и падения на проволоке.
5Установка эскалатора сложная?
Мы считаем, что функции эскалатора не обязательно пропорциональны сложности работы.чтобы оборудование было более точным и эффективным и позволяло более просто и удобное ввод в эксплуатацию.
6У вас есть какие-нибудь справки?
Да, у нас есть сертификаты ISO9001 / CCC / CE для вас.