Разбивочный подвес воздуха на жизнь около 60-70MM консервной банки трейлера планшетная уменьшает носку автошины
Спецификации GUOMAT G-02 и параметры детали технические
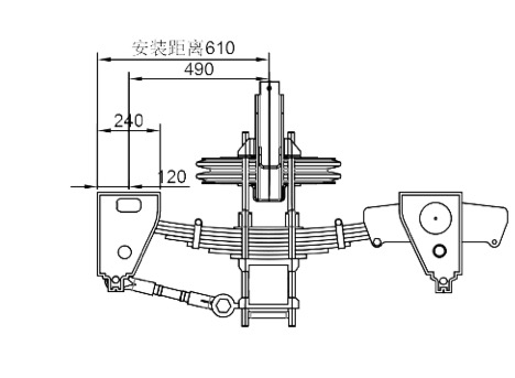
Разбивочный подвес G-02
Основная группа клиента: трейлер планшетный
1. клиенты с очень хорошими условиями дороги, как полуприцепы контейнера переноса дока планшетные, транспортированы весь день, и условия дороги относительно хороши. Половинный путь взад и вперед пустые автомобили. При возвращении, неиспользованные цапфы могут быть подняты 5-7CM, сохраняющ топливо. Для уменьшения потери, вы можете также установить 2 набора спереди и сзади цапф в то же время, которые не влияет на нормальное функционирование пустого автомобиля. Иногда стандартную цапфу можно использовать для того чтобы поднять заднюю цапфу для того чтобы достигнуть необходимого влияния.
2. Для клиентов с много углов на дороге горы, много времен передняя ось не использована, но автошины протерты, которая влияет на жизнь и расход топлива автошины. В это время, установка разбивочного подвеса может поднять переднюю ось. Управлять на дорогах и рему горы может значительно избежать трения автошины, уменьшает расход топлива, согласно обратной связи наших клиентов долгосрочной на пользе этого продукта, 4-6 месяцев может сохранить 4 автошины на передней оси, расходе топлива чем 5 месяцев прежде чем преобразование сохранило 2 000 юаней в топливных затратах.
 
 Потому что установке этого продукта не нужно доработать первоначальный прибор цапфы корабля, она сразу установлена, которая нет изменения. Ее можно рассматривать регулярно и соотвествует национальные.
Теоретический подъем 60-70MM; если позже установленным кораблям нужно быть поднятым более высоко, 3 10 весен лист можно извлечь, и высоту можно увеличить до 10MM


спецификации:
 1. Это изображение показывает рамке разбивочный вопрос [940, обычный американский подвес, цапфа
1310 моделей с подъемом подвеса передней оси механическим
2. Это подъемное устройство только для нулевой нагрузки поднимаясь в принцип, 1 теоретический подниматься
Высота 60 70 mM, если вам нужно re-дать образование или поднять высоте, то там другие требования
Требования, соответствуя изменения должны быть сделаны в механической стальной пластине подвеса и весны
3. деревянное подъемное устройство для проблем стальной пластины причиненных частой пользой l условия
Не ответственный
4. подтвердите центр см цапфы 61 после фронта кронштейна постамента, и
Установленное плато помещено под ушами центра поднимаясь, и
Сторона близко прикреплена в плиту рамки вертикальную, и допустим-причиненное спереди и сзади
5.▲ особенное ▲ подсказок выполняет сваривая располагать как показано в диаграмме.
Сваривающ и располагающ плиты стойки рамки, и поднимаясь уши и плита располагать
Для сваривая располагать, не сварите сбоку под рамкой
6. После того как воздушная подушка исправлена и затягивана болтам, пожалуйста затяните болты предела рисуя, и
Установите болт на поднимаясь луч как показано в диаграмме, и затяните крышку отпуска
цапфа j болта 7.0-type „имеет около 200 допустимых пределов для обеспечения подъема цапфы
Не причиняет задавите повреждение к подъемному устройству во время условий ухабистой дороги


