R11 газовый регулятор давления установки панели пропана водопода c2h2 высокий
| Технический диаметр: | ||||||
| Максимальное входное давление | 500,3000psig | |||||
| Ряды давления выхода | 0~25, 0~50, 0~50,0~250,0~500psig | |||||
| Испытательное давление безопасности | 1,5 раз максимальное входное давление | |||||
| Рабочая температура | -40°F к 165°F/-40°c к 74°c | |||||
| Тариф AgainstAtmosphere утечки | 2*10-8atm cc/sec он | |||||
| Значение Cv | 0,08 | |||||
| Материалы: | ||||||
| Тело | 316L, латунь | |||||
| Bonnet | 316L. Латунь | |||||
| Diafragm | 316L | |||||
| стрейнер | 316L (10mm) | |||||
| Место | PCTFE, PTEE, Vespel | |||||
| Весна | 316L | |||||
| Ядр клапана плунжера | 316L | |||||
| Конструктивные особенности: | ||||||
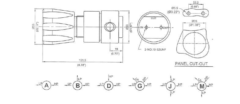
| редуктор давления Одно-этапа Форма материнских и диафрагмы пользы трудная уплотнения Тело NPT: 1/4" NPT (F) Внутренняя структура легкая для того чтобы продуть Фильтры консервной банки установленные Смогите использовать установку панели или стены |
||||||
| Типичные применения | ||||||
|
Labotary
|
||||||


| R11 | L | B | D | F | G | 00 | 00 | P |
| Деталь |
Тело Materia |
Отверстие тела |
Вход давление |
Выход давление |
Манометр | Размер входа | Размер выхода | метка |
| R11 | L: 316 | D: 3000 psi | F: 0-500 psi | G: Датчик MPa | 00: 1/4" NPT (F) | 00: 1/4" NPT (F) | P: Установка панели | |
| B: Латунь | B | E: 2200 psi | G: 0-250 psi | 01: 1/4" NPT (M) | 01: 1/4" NPT (M) | N: Игольчатый клапан | ||
| D | F: 500 psi | l: 0-100 psi | P: Psig/датчик бара | 23: CGA330 | 10:1/8 «OD | N: Игольчатый клапан | ||
| G | K: 0-50 psi | 24: CGA350 | 11: 1/4" OD | D: Мембранный клапан | ||||
| J | L: 0-25 psi | W: Отсутствие датчика | 28: CGA660 | 12:3/8 «OD | ||||
| M | 28: CGA660 | 15:6mm OD | ||||||
| 30: CGA590 | 16:8mm OD | |||||||
| 52: «- RH G5/8 (F) | ||||||||
| 63: W21.8-14H (F) | ||||||||
| 64: W21.8-14LH (F) |

ПРИМЕНЕНИЯ

вопросы и ответы
Q1. Как насчет времени выполнения?
: Образцу нужны 3-5 дней, время массового производства нужны 1-2 недель для количества заказа больше чем
Q2. Вы имеете предел MOQ?
: Низкое изображение MOQ 1.
Q3. Как вы грузите товары и сколько времени оно принимаете для того чтобы приехать?
: Мы обычно грузим DHL, UPS, Federal Express или TNT. Он обычно принимает 5-7 дней. Авиакомпания и море грузя также опционное.
Q4. Как осуществляются заказ?
: Во первых позвольте нам знать ваши требования или применение.
Secondly мы закавычим согласно вашим требованиям или нашим предложениям.
В-третьих клиент подтверждает образцы и места депозируют для официального заказа.
В-четвертых мы аранжируем продукцию.