Характер продукции
Регулятор давления нержавеющей стали серии R52, диафрагма нержавеющей стали уменьшая constructure давления, применимые для лаборатории, фармации и индустрии etc химии.
|
СПЕЦИФИКАЦИИ ДЛЯ регулятора давления R52 |
|
Максимальное входное давление |
500, 1500, 3000psig |
||
|
давление выхода |
0-15,0-25,0-50,0-100,0-250psig |
||
|
давление безопасности испытывая |
максимальное входное давление 1.5times |
||
|
применимая температура |
-10 ℉+165℉ (- 23℃+74℃) |
||
|
тариф утечки |
тест пены |
||
|
Cv |
0,06 |
||
|
Основные части материала |
|||
|
тело |
316L |
||
|
bonnet |
316L |
||
|
место |
PCTFE |
||
|
весна |
316L |
||
|
стержень |
316L |
||
|
колцеобразное уплотнение |
viton |
||
|
stainer |
316L (10um) |
||
Основные особенности
1) поршень уменьшая структуру давления.
2) порты тела: 1/4NPT (F)
3) установленный stainer внутрь.
4) используя mouting панели или установку стены



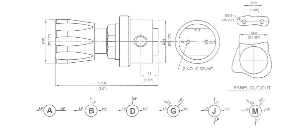
УПОРЯДОЧЕНИЕ ИНФОРМАЦИИ
| R52 | L | B | D | G | G | 00 | 00 | P |
| ltem | Материал тела | Отверстие тела | Входное давление | Давление выхода | Манометр | Размер входа | Размер выхода | Варианты |
| R52 | L: 316 | D: 3000psig | G: 0~250psig | G: Датчик MPa | 00: 1/4" NPT (F) | 00: 1/4" NPT (F) | P: Установка панели | |
| B: Латунь | B | E: 1500psig | 1:0~100psig | P: Psig/датчик бара | 01: 1/4" NPT (M) | 01: 1/4" NPT (M) | R: С клапаном сброса | |
| D | F: 500psig | K: 0~50psig | W: Отсутствие датчика | 23: CGA330 | 10:1/8 " OD | N: С игольчатым клапаном | ||
| G | L: 0~25psig | 24: CGA350 | 11: 1/4" OD | D: С мембранным клапаном | ||||
| J | M: 0~15psig | 27: CGA580 | 12:3/8» OD | |||||
| M | Q: 30" Hg Vac-30psig | 28: CGA660 | 15:6mm OD | |||||
| S: 30" Hg Vac-60psig | 30: CGA590 | 16:8mm OD | ||||||
| T: 30" Hg Vac-100psig | 52: G5/8M-RH (F) | 74: M8B1-RH (M) | ||||||
| U: 30" Hg Vac-200psig | 63: W21 8-14RH (F) | |||||||
| 64: W21 8-14LH (F) |
1. Давление работы входа фактическое
2. давление работы выхода фактическое
3. conenction и размер входа
4. conenction и размер выхода
5. материал: латунный, никель покрыл латунь, нержавеющую сталь
6. Если вы имеете особенные требования к расхода потока и панель, то пожалуйста покажите ее.
7. количество
Примечания: Ряды манометров, соединителя входа, соединителя выхода можно оборудовать согласно вашим требованиям. Пожалуйста напишите вышеуказанные описания как возможные как вы можете. Если вы не можете подтвердить его в настоящее время, то как раз отправить нами дознание, мы также можем порекомендовать нашу регулярную модель для вас.

вопросы и ответы
Q: Вы торговая компания или изготовитель?
: Мы первоначальный изготовитель. Мы можем сделать дело OEM/ODM. Наша компания главным образом производит регулятор давления.
Q: Сколько времени ваш срок поставки?
: Срок поставки приобретения группы: 30-60 дней; Время почты до востребования: 20 дней.
Q: Что ваши условия платежа?
: T/T 30% как депозит, и 70% перед доставкой.
Q: Что гарантия?
: Свободная гарантия один год от квалифицированного дня поручать. Если любой недостаток для наших продуктов в пределах свободный период гарантии, то мы отремонтируем его и изменим собрание недостатка бесплатно.
Q: Как могу я получить ваши каталог и список цен на товары?
: Пожалуйста позвольте нам знать вашу электронную почту или связаться нас от вебсайта сразу для наших каталога и списка цен на товары;
Q: Могу я обсудить цены?
: Да, мы можем рассматривать скидки для множественной нагрузки контейнера смешанных товаров.
Q: Насколько грузя обязанности будут?
: Он зависит от размера вашей пересылки и метода доставки.
Мы предложим обязанность к вам по мере того как вы спросили.