|
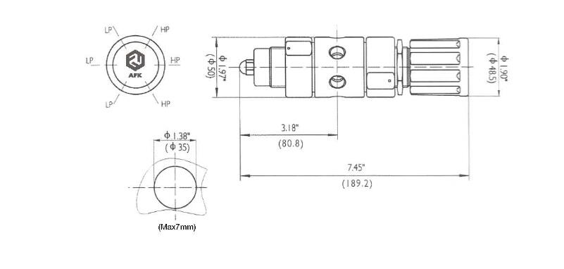
5 отверстий на теле двухступенная структура понижения давления уплотнение диафрагмы Металл-к-металла Поток тела: 1/4" NPT (F) Легкий для того чтобы очистить внутрь Внутренность фильтра Установка панели и установка стены доступная Опционный выход: игольчатый клапан, мембранный клапан |
Максимальное входное давление: 3000, 500psig Давление выхода: 0~25, 0~50, 0~100, 0~250psig Безопасное испытывая давление: 1. 5 раз максимальное входное давление Работая температура: -40℉~+165℉ (- 40℃~+74℃) Тариф утечки: 2×10-8 atm.cc/sec CV value=0.06 |
|
Тело: 316L, латунь Bonnet: 316L, латунь Диафрагма: 316L Стрейнер: 316L (10μm) Место: PCTFE, PTFE, Vespel Весна: 316L Стержень: 316L |
|
| Деталь | Материал тела | Отверстие тела | Входное давление | Давление выхода | Датчик | Соединение входа | Соединение выхода | Опционный |
| R31 | L: ss316L | M | D: 3000PSI | G: 0-125psi | G: Mpa | 00:1/4NPT F | 00: 1/4" NPT F | P: держатель панели |
| B: латунь | Q | F: 500PSI | Я: 0-75psi | P: psi/бар | 01: 1/4" NPT M | 01: 1/4" NPT M | R: прикрепленный клапан сброса безопасности | |
| K: 0-25psi | W: отсутствие датчика | 23: CGA330 | 10:1/8O.D. | N: прикрепленный игольчатый клапан | ||||
| L: 0-15psi | 24: CGA350 | 11:1/4O.D. | D: прикрепленный мембранный клапан | |||||
| Q: 30" Hg Vac-30psig | 27: CGA580 | 12:3/8O.D. | ||||||
| S: 30" hg Vac-60psig | 28: CGA660 | 15:6mmO.D. | ||||||
| T: 30" hg Vac-100psi | 30: CGA590 | 16:8mmO.D. | ||||||
| U: 30" Hg Vac-200psi | 52: » - RH G5/8 (F) | 74: M8*1-RH (M) | ||||||
| 63: W21.8-14H (F) | ||||||||
| 64: W21.8-14LH (F) |


![]() |
|
![]() |
![]() |
![]() |
![]() |
![]() |
![]() |