Особенности редуктора давления
Следующим факторам нужно быть обращенным внимание выбирая редуктор давления. Следовать ваши специфические требования к пользы и используйте этот каталог для того чтобы выбрать редуктор давления который соответствует вашим параметрам. Наши стандартные продукты как раз начало нашего обслуживания. Мы можем доработать или конструировать оборудование для того чтобы разрешить все проблемы в применении. Для деталей, пожалуйста контактируйте наш представителя по сбыту продукта внешней торговли AFK.
Регулятор давления регулятора давления нержавеющей стали серии R11 стальной диафрагмы Одно-этапа, выход диафрагм структуры вакуума нержавеющий. Он имеет давление поршеня уменьшая структуру, постоянн давление выхода, главным образом используемое для высокого давления входного сигнала, соответствующее для очищенного газа, стандартного газа, въедливого etc.
| Технические данные регулятора 250psi газообразного гелия аргона | ||
| 1 | Максимальное входное давление | 500, 3000 psi |
| 2 | Давление выхода | 0~25, 0~50, 0~100, 0~250, 0~500 psi |
| 3 | Давление доказательства | 1,5 раз максимального расценк давления |
| 4 | Работая температура | -40°F-+165°F (- 40°C-+74°C) |
| 5 | Тариф утечки | 2*10-8 atm cc/sec он |
| 6 | Cv | 0,08 |
| Основные особенности высокого газового регулятора давления | ||
| 1 | Одиночный - этап уменьшает структуру | |
| 2 | Используйте трудно-уплотнение между телом и диафрагмой | |
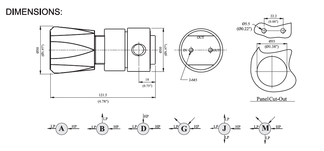
| 3 | Поток тела | 1/4" NPT (F) |
| 4 | Легкий для того чтобы подмести внутри тела | |
| 5 | Внутренность сетки фильтра | |
| 6 | Панель mountable или стена установили | |
| Типичные применения | |
| 1 | Лаборатория |
| 2 | Хроматограф газа |
| 3 | Лазер газа |
| 4 | Автобус газа |
| 5 | Масло и химическая промышленность |
| 6 | Испытанное инструментирование |
| Материал | |
| 1 | Тело: 316L, латунь |
| 2 | Крыша: 316L, латунь |
| 3 | Диафрагма: 316L |
| 4 | Сетка фильтра: 316L (10μm) |
| 5 | Место клапана: PCTFE, PTFE, Vespel |
| 6 | Нагруженная весна -: 316L |
| 7 | Поляк диска клапана регулированный: 316L |



Упорядочение информации
| R11 | L | B | B | D | G | 00 | 02 | P |
| Деталь | Материал тела | Отверстие тела | Входное давление | Выход Давление | Манометр | Вход размер | Выход размер | Марк |
| R11 | L: 316 | D: 3000 psi | F: 0-500psig | G: Датчик Mpa | 00: 1/4 ″ NPT (F) | 00: 1/4 ″ NPT (F) | P: Установка панели | |
| B: Латунь | B | E: 2200 psi | G: 0-250psig | P: Датчик Psig/Адвокатуры | 01: 1/4 ″ NPT (M) | 01: 1/4 ″ NPT (M) | R: С клапаном сброса | |
| D | F: 500 psi | K: 0-50pisg | W: Отсутствие датчика | 23: CGGA330 | ″ OD 10:1/8 | N: Игла телится | ||
| G | L: 0-25psig | 24: CGGA350 | 11: 1/4 ″ OD | D: Клапан Diaphregm | ||||
| J | 27: CGGA580 | ″ OD 12:3/8 | ||||||
| M | 28: CGGA660 | 15:6mm OD | ||||||
| 30: CGGA590 | 16:8mm OD | |||||||
| 52: G5/8 ″ - RH (F) | ||||||||
| 63: W21.8-14H (F) | ||||||||
| 64: W21.8-14LH (F) |