Спецификации
Номер модели :
LiFePo4 блок батарей 51.2V 400Ah
Место происхождения :
ГУАНЧЖОУ & ШЭНЬЧЖЭНЬ
Количество минимального заказа :
50 PCS
Условия оплаты :
L/C, T/T
Способность поставки :
50000 в неделю
Срок поставки :
7-25 дней после того как заказ подтверждает
Комбинация :
Комбинация 16S17P
Емкость :
400ah
Номинальное напряжение :
51.2V
Внутренний импеданс :
≤50mΩ
Размеры батареи :
600*600*1172mm
Уайт батареи :
275kg
Жизнь цикла :
4000 @ 25℃ 90% DOD
Относительная влажность :
относительная влажность 5% до 95%
Дремлющий расход энергии :
≦100uA
Стандартное поручая течение :
400A
Описание
батарея накопления энергии дома батареи лития 51.2v 400AH солнечная
 
характеристики 1.Function
 
Используя зрелую и стабилизированную клетку фосфорнокислого железа лития, 3.2V 6AH 16S68P
 
 
С параллельной настоящей ограничиваясь функцией
 
Совместимый со множественными протоколами для того чтобы соответствовать множественным инверторам
 
Поддержите разнообразие режимы связи, одно RS485 параллельное сообщение, другое RS485 смогите
подключите с внешним инвертором, СМОГИТЕ подключить с внешним инвертором
 
Функция индикатора силы и индикатора состояния
 
 
2.Parameters (Ta=23℃)
 

 

Параметр батареи

Имя Система накопления энергии дизайна шкафа
Системная конфигурация 4pcs 5KWh-51.2V100Ah соединяло параллельно
Емкость батареи 20KWh-51.2V400Ah
Эффективность системы 90%±5%
DOD 80%
Годная к употреблению энергия ≥20KWh
Жизнь цикла циклы ≥4000, на обязанности 25℃, 0.5C и разряде тока, 80% DOD, емкость удерживания 70%
Непрерывное течение обязанности 200A
Непрерывный разряд настоящий 400A
Обязанность полной мощи и тариф разрядки 0,33 c
Энергия батареи 25°C 20kWh (тариф 100% DOD @ 0.5C)
Температура хранения Чем 45°C самые лучшие
Саморазряжение 25°C, не больше чем 5% в месяц
Класс защиты IP55
Порекомендованная сила инвертора 5.0KW
Функция Оно может осуществить programmable поручать электричества и солнечной энергии
Работая влажность 5% до 80%
Сообщение RS485 для параллельного соединения, двойное RS485/RS232/CAN
Основные функции Защита для излишек обязанности, над разрядкой, над температурой, над течением, короткое замыкание, индикатор состояния СИД, precharging, поручая балансировать, поручая настоящая ограничиваясь функция, с дисплеем

 

Деятельность

Температура

Обязанность °C 0~45
Разрядка -20~ 60°C
Хранение 0~ 45°C
Сертификат IEC62619, CE, ROHS, UN38.3, MSDS
 
 
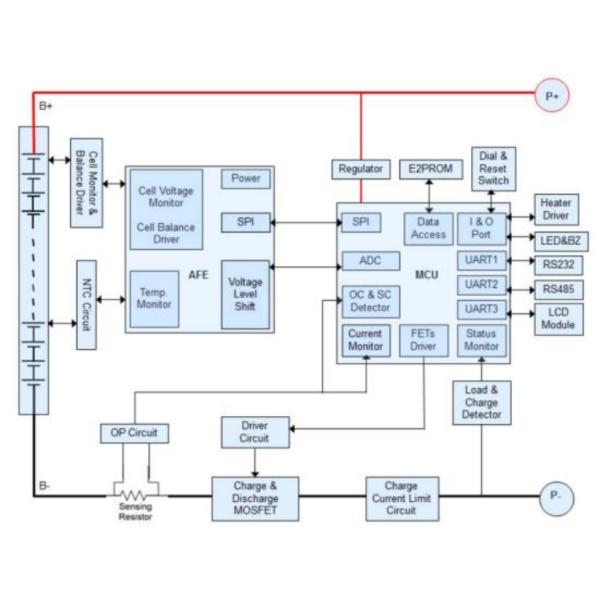
Функциональная диаграмма 3.BMS
батарея накопления энергии дома батареи лития 51.2v 400AH солнечная
 
 
характеристики 4.External

 

 

 

инструкция 5.Operating
 
Перед использованием батарей, осторожно прочитайте рабочую инструкцию по обслуживанию и спецификацию батарей.
 
Пожалуйста используйте батареи в нормальной окружающей среде, температуре обязанности 0℃~45℃, температура выхлопа -20℃~60℃
и относительная влажность 65%±20%.
 
Во время их пользы, батареи должны быть сдержаны далеко от тепловых источников и высокие напряжения тока, дети не должны быть позволены
сыграть с ними, и ими не должен быть постучан жестоко.
 
В никаком обстоятельстве если закорочены положительные и отрицательные поляки батареи. Не демонтируйте или
соберите батареи и не установите батареи во влажной опасности места во избежание.
 
Когда батареи нет быть использованным в течение длительного времени, пожалуйста храните они безопасно так как они останутся в полу-порученное
государство. Пожалуйста создайте программу-оболочку батареи с непроводящими материалами для того НОП металлические материалы не контактируют
батареи сразу, которые могут привести в повреждении к батареям. Держите батареи в крутом и сухом месте.
 
Пожалуйста размещайте используемых батарей как следует. Не бросьте их в orwater огня.
 
Если батарея быть использованным в других приборах, то пожалуйста советуйте с с поставщиком о степени совершенства своего
защитная функция, не делает произвольные решения для использования батареи в других приборах.
 

6.Cautions

 

ряд emperature во время поручать
 
Порекомендованный диапазон температур для зарядки аккумулятора между 0℃ и 45℃. Поручать
батареи из этого диапазона температур причинят представление батарей уменьшить и их
жизнь, который нужно сократить.
 
Консультация
 
Покупая батареи, быть осторожным вспомнить путь остаться в контакте с продавцом так как
вы можете связаться продавец и иметься консультация с ним.
 
Период гарантии
 
Изготовитель не заменит батарею бесплатно даже в периоде гарантии если проблема
с результатами батареи от неправильного использования а не плохое качество.
 
Польза безопасности гарантировала
 
Если батарея быть использованным в других приборах, то пожалуйста советуйте с с поставщиком о степени
совершенство своей защитной функции. Вы должны по крайней мере иметь ясное знание таких вопросов как
сильный ток, быстрый поручать и особенное применение батареи
Отправьте сообщение этому поставщику
Отправляй сейчас

батарея накопления энергии дома батареи лития 51.2v 400AH солнечная

Спросите последнюю цену
Смотрите видео
Номер модели :
LiFePo4 блок батарей 51.2V 400Ah
Место происхождения :
ГУАНЧЖОУ & ШЭНЬЧЖЭНЬ
Количество минимального заказа :
50 PCS
Условия оплаты :
L/C, T/T
Способность поставки :
50000 в неделю
Срок поставки :
7-25 дней после того как заказ подтверждает
Контактный поставщик
видео
батарея накопления энергии дома батареи лития 51.2v 400AH солнечная
батарея накопления энергии дома батареи лития 51.2v 400AH солнечная
батарея накопления энергии дома батареи лития 51.2v 400AH солнечная
батарея накопления энергии дома батареи лития 51.2v 400AH солнечная
батарея накопления энергии дома батареи лития 51.2v 400AH солнечная

Guang Zhou Sunland New Energy Technology Co., Ltd.

Verified Supplier
14 Годы
guangzhou
С тех пор 2011
Вид деятельности :
Manufacturer, Importer, Exporter
Общее годовое :
10 USD Million-15 USD Million
Количество работников :
1000~2000
Уровень сертификации :
Verified Supplier
Узнайте о аналогичных продуктах
Смотрите больше
Контактный поставщик
Требование о предоставлении