E2K APC женское к ferrule Zirconia переходника женского оптического волокна пластиковому
Описание переходника оптического волокна:
Переходник E2K APC однорежимный тип, оно на соединять 2 ПК однорежимного гибкого провода. От изображения, мы можем увидеть что переходник женщина к женскому типу. Он не имеет соединитель E2K с ferrule на 2 сторонах. Полка выхода пластиковый материал, так, что вес не будет тяжел, внутрь переходника ferrule Zirconia, который может наладить связь более точно.
Применение переходника E2K соединить гибкий провод от внешней стороны пульта временных соединительных кабелей с внутренностью пульта временных соединительных кабелей. Распределительный кабель будет упаден от порта com, и соединения с отрезками провода в пульте временных соединительных кабелей. Все волокна придут вне от пульта временных соединительных кабелей так, что оно должен переходники на пульте временных соединительных кабелей подключить гибкий провод во вне пульта временных соединительных кабелей.
Переходник E2K имеет очень важную функцию между соединением и передачей данных. Потому что если нам, то много волокон привязывают для того чтобы передать данные, тогда мы будем использовать кабель хобота или мини кабель. В конце волокон или центра данных, нам нужно отделить кабель в много функций, так, что нам будет нужно переходник соединить обе стороны совместно.
Характеристики адаптера оптического волокна:
Применение переходника оптического волокна:
Параметр переходника оптического волокна:
| Параметр | Блок |
MPO, MTP, E2000, LC, SC, FC, ST, MU, MTRJ, SMA, DIN | |||
|
SM | MM | ||||
|
ПК |
UPC |
APC |
ПК | ||
|
Вносимая потеря (типичная) | dB | ≤0.2 | ≤0.2 | ≤0.2 | ≤0.2 |
|
Потеря возвращения | dB | ≥45 | ≥50 | ≥60 | ≥30 |
|
Exchangeability | dB | ≤0.2 | |||
|
Повторимость | dB | ≤0.2 | |||
|
Стойкость | Время | >1000 | |||
|
Рабочая температура | °C | -40~75 | |||
|
Температура хранения | °C | -45~85 | |||
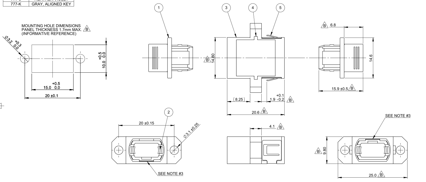
Чертеж переходника оптического волокна:

Больше типов переходника оптического волокна:

FQA:
1. Q: Вы изготовитель?
: да, мы изготовитель, решение FTTH, и поставщик решения центра данных полный в Шэньчжэне, Китае, установленном в 2000.
2. Q: Что ваше MOQ?
: MOQ может быть ПК 1, но цена не конкурсна. С больше количества, цена будет более конкурсна.
3. Q: Можете вы закавычить ОБМАНЫВАЕТЕ цену?
: да. Мы можем поставить самолетом, DHL, TNT, UPC, FEDERAL EXPRESS, etc. для большого количества, мы поставим его морским путем.
Мы можем закавычить цену с перевозкой и время выполнения для вас после того как вы позволяете нам знать детальные требования с количеством.
Мы имеем конкурсных грузя товароотправителей. Для больше решений, вы можете чувствовать, что свободно связались мы.
4. Q: Как ваше качество?
: Наша продукция согласно IEC, стандарту Европы. CE, ISO, RoHS, CPR, и ANATEL аттестовали.
Все продукты тест 100% перед доставкой.
5. q: Что ваше время выполнения?
: Он зависит от количества и продуктов. Для гибкого провода оптического волокна, время выполнения может быть 2-3 рабочего дня внутри 5000 ПК. Мы держим регулярные продукты в запасе. Также, мы можем общаться со срочными заказами.
6. q: Что ваша гарантия?
: Зависим от различных продуктов, мы гарантия лет have1 для гибкого провода с доставки, но только ответственное для не-искусственного повреждения. Для искусственного повреждения, мы можем отремонтировать его для вас бесплатно, перевозка будем оплачены вашей стороной.
7. Q: Что ваша упаковка?
: Пакет международного экспорта стандартный. Если вам нужно напечатать ваш логотип на упаковке, то пожалуйста позвольте нам знать прежде чем мы закавычим.
8. Q: Можете вы предложить OEM/ODM?
: да, мы можем. все продукты принимают OEM /ODM. мы можем подписать соглашение о доверии.
9. Q: Могу я иметь образец?
: Он зависит от которые продукты, свободные образцы обеспечивают под 10 USD. Перевозка будет оплачена покупателем перед доставкой.
10. Q: Как могу я приказать?
: почта 1.send или дознания с названием продукта, спецификацией, и количеством к нам. Обеспечьте ваш для того чтобы получить адрес если вам ОБМАНЫВАЕТЕ, CIF, цена CFR.
2.We предложит нашу цитату с временем выполнения.
3.After цитата подтвердила, мы отправит PI с нашим банковским счетом.
4.Production будет аранжировано после того как оплата получила.
5.Confirm консигнатор с вами прежде чем мы поставим его.
отслеживая номер 6.The будет подан после доставки.
Как приказать переходник оптического волокна: