Eltek Rectiverter Indoor cabinet system 6 кВА AC + 12,8-24 кВт DC с входом AC/DC (CTEJ0843.4000 CTEJ0843.4001)
Eltek Rectiverter Indoor cabinet system 6 кВА AC + 12,8-24 кВт DC с входом AC/DC (CTEJ0843.4000 CTEJ0843.4001)
Внутренняя система Rectiverter объединяет питание переменного и постоянного тока в одном общем блоке. Одновременно она обеспечивает резервное питание переменного тока для нагрузок 230 В переменного тока и питание 48 В постоянного тока для нагрузок постоянного тока и зарядки аккумуляторов.
Он разработан для класса защиты IP20-21. Общая выходная мощность постоянного тока может быть настроена до 24 кВт нагрузки постоянного тока, при этом ограничение для нагрузки переменного тока установлено на максимум 6 кВА.
Параметры:
| Внутренняя система Rectiverter | |||||||
| Модели / информация для заказа 6 кВА+12,8 кВт DC | 6 кВА+16,8 кВт DC | 6 кВА+ 16,0 кВт DC | 6 кВА+24,0 кВт DC | ||||
| Номер детали CTEJ0843.4000 | CTEJ0843.4001 | CTE20843R1.4000 | CTE30843R1.4000 | ||||
| ДАННЫЕ ВЫХОДА ПЕРЕМЕННОГО ТОКА | |||||||
| Напряжение (по умолчанию) / (регулируемый диапазон) | 230 ВAC / 200 - 240 ВAC | ||||||
| Частота (режим инвертора по умолчанию) | 50 Гц (адаптивная) | ||||||
| Частота (настраиваемый режим инвертора) | 50 Гц, 60 Гц или последняя синхронизированная 50/60 Гц (адаптивная) | ||||||
| Максимальная мощность (непрерывная / перегрузка (<15 с) ) | 4800 Вт (6000 ВА) / 8000 ВА | ||||||
|
Максимальный ток (непрерывный / перегрузка (<15 с) ) |
26 АRMS / 34,8 АRMS | ||||||
| Ток (максимальный) Быстрое отключение (20 мс) | 120 А (6 x номинальный) | ||||||
| Время удержания (провалы напряжения) (до переключения на аккумулятор) | > 5 мс при нагрузке 4800 Вт | ||||||
| THD | < 1,5 % при резистивной нагрузке | ||||||
| Характеристики выхода | Предохранитель в L и N, горячее подключение | ||||||
| ДАННЫЕ ВЫХОДА ПОСТОЯННОГО ТОКА | |||||||
| Напряжение (по умолчанию) / (регулируемый диапазон) | 53,5 ВDC / 43 - 58 ВDC | ||||||
| Мощность (максимальная при номинальном входе) 12,8 кВт 1) | 16,8 кВт 1) | 16,0 кВт 1) | 24,0 кВт 1) | ||||
| Ток (максимальный при VOUT ≤ 48 ВDC) 267 А 1) | 350 А 1) | 333 А 1) | 500 А 1) | ||||
| Время удержания, максимальная выходная мощность | >10 мс; VOUT > 41 ВDC | ||||||
| Характеристики выхода | Защита от короткого замыкания, отключение при перенапряжении | ||||||
| ДАННЫЕ ВХОДА | |||||||
| Входное напряжение сети переменного тока (3 фазы Y) | 400 ВAC | ||||||
| Защита от перенапряжения | OVP Класс 2 | ||||||
| Ток переменного тока/фаза (при номинальном выходном напряжении) (в зависимости от типа) 28-58 АRMS 3) | |||||||
| Частота (по умолчанию: диапазон синхронизации) | 47-53 Гц | ||||||
| Частота (настраиваемая: диапазон синхронизации) | 47-53 Гц, 57-63 Гц или оба (адаптивная) | ||||||
| Коэффициент мощности / THD | > 0,99 при нагрузке 50% или более / < 3,5% | ||||||
|
Номинальное напряжение постоянного тока / расширенный диапазон (без перегрузки)2) |
45 - 58 ВDC / 40 - 45 ВDC | ||||||
| Ток постоянного тока (максимальный) | 128 А / 180 А во время перегрузки (15 с) | ||||||
|
Характеристики входа |
Предохранитель в L и N, горячее подключение, варистор, горячее подключение, индивидуальные винтовые клеммы переменного тока 10 мм2 для L1, L2, L3, N & PE Автоматический выключатель батареи (вставной тип), LVBD по умолчанию |
||||||
| РАСПРЕДЕЛЕНИЕ НАГРУЗКИ 6 кВА+12,8 кВт DC | 6 кВА+16,8 кВт DC | 6 кВА+16,0 кВт DC | 6 кВА+24,0 кВт DC | ||||
| LVLD | 300 А | ||||||
| Распределение переменного тока с 1 полюсом (подключение L к MCB) | 2*2A, 4*6A, 4*10A C | 2*6A, 2*10A C | |||||
| -48 ВDC распределение (приоритетная нагрузка) 4*10A,4*16A,4*32A,4*63A | 4*10A,2*16A,4*32A,4*63A | 4*10A,4*16A,4*32A,4*63A | 4*10A,4*16A,6*32A,6*63A | ||||
| -48 ВDC распределение (без приоритетной нагрузки) | 2*10A, 2*16A, 2*32A, 2*63A | 2*10A,2*16A,3*32A,3*63A | |||||
| Автоматический выключатель батареи | 3*100 А, D (вставной) | 3*200 А, D (вставной) | |||||
| ДРУГИЕ ХАРАКТЕРИСТИКИ | |||||||
| Контроль и мониторинг (см. паспорт Smartpack2) | Панельный монтаж Smartpack S | Smartpack 2 | |||||
| Эффективность >96% (режим сети (AC/AC и AC/DC)), >94% (режим инвертора (DC/AC)) | |||||||
| Рабочая температура от -40 до +55°C (от -40 до +131°F), влажность 5 - 95% относительной влажности без конденсации | |||||||
| Температура хранения от -40 до +85°C (от -40 до +185°F), влажность 0 - 99% относительной влажности без конденсации | |||||||
| Размеры [ШхГхВ] / Вес 600 x 600x 2000 мм (23,7 x 23,7 x 78,8”) / 150 кг (551 фунт) | |||||||
| Класс защиты IP 20 | |||||||
| СТАНДАРТЫ ПРОЕКТИРОВАНИЯ | |||||||
| Электрическая безопасность EN 60950-1, EN 62040-1 Безопасность ИБП | |||||||
|
ЭМС ETSI EN 300 386 V.1.6.1, FCC CFR 47 Part 15 EN 61000-6-1 /-2/-3/-4 |
|||||||
| Окружающая среда ETSI EN 300 019: 2-1 (Класс 1.2), 2-2 (Класс 2.3) и 2-3 (Класс 3.2) Соответствие RoHS (2011/65/EU) и WEEE (2002/96/EC) | |||||||
|
1) Нагрузка переменного тока имеет приоритет. Максимальная доступная выходная мощность и ток постоянного тока зависят от мгновенной нагрузки переменного тока и входного напряжения переменного тока; т. е. максимум 10,9 кВт/18,9 кВт при полной мощности переменного тока и номинальном входе для 230 ВAC. 2) 40 - 45 ВDC: сниженная производительность - нет повышения мощности и повышенный THD напряжения на выходе переменного тока |
3) Если напряжение постоянного тока падает ниже 43 В, входной ток может увеличиться выше этого уровня | ||||||
* Внутренний шкаф Rectiverter с питанием переменного и постоянного тока в одном шкафу



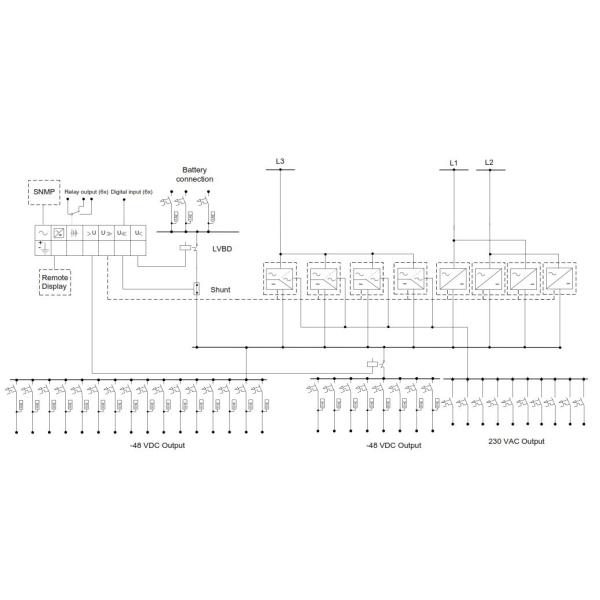
Схема Опция 1

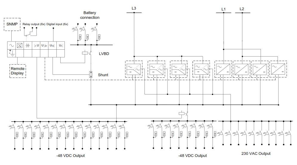
Схема Опция 2

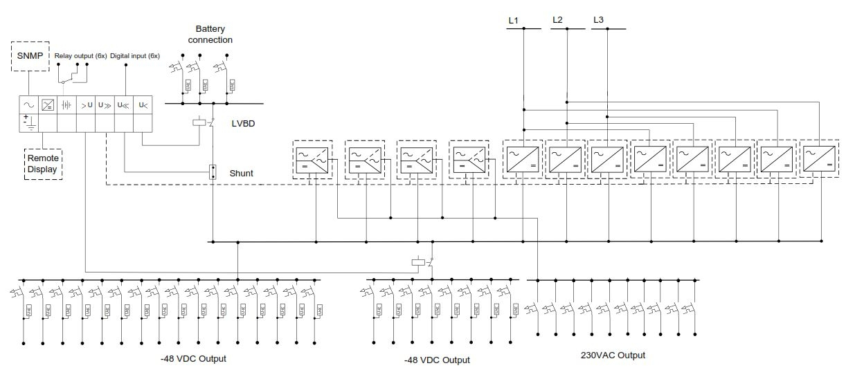
Схема Опция 3

Сопутствующие товары:




Решения
Мы предлагаем комплексное решение для телекоммуникационных компаний как в Китае, так и за его пределами. Это включает в себя точные обследования на месте, разработку профессиональных планов, адаптированных к требованиям заказчика, предоставление своевременной и эффективной технической поддержки, а также регулярное техническое обслуживание. У нас есть высокопрофессиональная команда и глобальная сеть надежных партнеров для обеспечения высокого качества и стабильности наших услуг.
FAQ:
1. Как ваша компания решает проблемы с качеством?
2. Как насчет гарантии качества вашей продукции?
3. Как долго длится гарантийный срок?
4. Что мне делать, если я обнаружу, что товары некачественные?