компьютерная контролируемая всеобщая испытывая машина 600kn/гидравлическая всеобщая испытывая машина
Гидравлическая цель испытывая машины универсалии 600KN:
Растяжимый сжимающий гнуть тестер польза топливного бака установленная под хозяином и главным образом использованная для растяжимого, обжатия, гнущ и тестов ножниц металла или неметаллических материалов, соответствующих для металлургии, конструкции, легкой промышленности, авиации, воздушно-космического пространства, материалов, университетов, научно-исследовательских институтов и других полей. Деятельность теста и введенные информачи методе теста комнатной температуры встречи GB228-2002 «материалы металла на требования к растяжимом».
Описание испытывая машины 600KN:
(1) хозяин:
Хозяин польза топливного бака установленным под хозяином, растяжимым космосом расположенным на верхней поперечной балки и более низкой поперечной балки, и обжатием, гнуть, космосом теста ножниц расположенным на между более низкой поперечной балке и основании хозяина. Шоу структуры хозяина как ниже

(2) система передачи
Понизьте поперечную балку поднимая и падать польза мотора, редуктора циклоиды, цепных шестерней, и привести привод гайки винта, для того чтобы отрегулировать космос растяжимого и обжатия.
(3) гидравлическая система (источник масла рояля настольный)
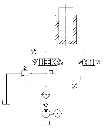
Принципы A. Гидравлическ
Как показано ниже приспособительное масло нагрузки в систему регулирования хода дросселя. Гидравлическое масло в танке через мотор для того чтобы управлять высоким насосом с зубчатой передачей в проход масла, подачей через задерживающий клапан, фильтром давления высокого давления 10μ, напорным клапаном, клапаном сервопривода, в цилиндр. Компьютер отправляет сигнал управления в клапан, управление и направление сервопривода отверстия клапана сервопривода контролировать подачу в цилиндр для того чтобы достигнуть постоянн силы теста, постоянн управления смещения.

B. Отличать:
() высокий насос с зубчатой передачей давления, малошумный, и ровное давление.
(b) динамические системы и деятельность утешают интегрированный дизайн, легкий для того чтобы работать, и сбережения космос экспериментов.
поверхность (c) после обработки брызг, возникновения красива.
Всеобщие параметры испытывая машины 600KN:
| Имя машины | Гидравлический всеобщий тестер испытывая машины 600KN растяжимый сжимающий гнуть |
| Номер модели | PT-1100-600 |
Измеряя ряд силы теста | kN 12 к kN 600 |
Точность значения дисплея силы теста | ± 1% |
Разрешение измерения смещения | 0.01mm |
| Точность измерения деформации | ±0.5% |
| Постоянная сила, постоянн деформация, постоянн ряд управлением смещения | 0,4% | FS 100% |
Максимальная скорость поршеней | 100mm/минута |
| Максимальный растяжимый космос теста | 650mm (включая ход поршеня) |
| Максимальный космос обжатия | 480mm (включая ход поршеня). |
Плоский образец зажимая толщину | 0-15mm |
| Круглый образец зажимая диаметр | Ø 13 - Ø 26mm или Ø 26 - Ø 40mm |
Размеры сжимающей плиты | Ø 120mm |
Дистанционирование пробы на изгиб | 350 mm |
Ширина крена ветви | 140 mm |
Диаметр фулкрума | Ø 50 mm |
| Ход поршеня | 250mm |
| Зажимать метод | Гидравлический зажимать |
| Датчик и усилитель | датчик давления масла, затыкает внутри ПК programmable |
| Размеры | Хозяин: 900×600×2250 mm |
1 пакет экспортированный стандартом: Внутренняя anticollision защита, внешняя упаковка деревянной коробки экспорта.
2 грузящ срочным, самолетом, морским путем согласно требованиям к клиентов найти самый соответствующий путь.
3 ответственный за повреждение во время грузя процесса, изменит часть повреждения для вас бесплатно.
СРОК ПОСТАВКИ: через 15-20 дней после подтверждать заказ, дата доставки детали должна быть решена согласно сезону и заказу продукции