60 тонн сервогидравлическая усталость испытательная машина червяка редукторный привод с низким уровнем шума
Модель: IN-300AC/600AC/1000AC
Цель:
Микрокомпьютерное управление электрогидравлические серво универсальные испытательные машины в основном принимает главный двигатель нефтегазового баллона нижнего типа, механизм передачи червяного механизма, используется для испытаний на протяженность, сжатие, изгиб и обрезка металлических и неметаллических материалов.строительство, легкая промышленность, авиация, аэрокосмическая промышленность, материалы, высшие учебные заведения и научные учреждения и т.д.
Его эксплуатация испытания и обработка данных соответствуют требованиям стандарта GB228-2002 ∆ Материал при комнатной температуре: метод испытания прочности металла.

Спецификация:
| Модель | IN-300AC | IN-600AC | IN-1000AC |
| Мощность | 300KN (30T) | 600KN (60T) | 1000KN (100T) |
|
Сила испытания эффективный диапазон |
6KN ~ 300KN | 12KN~600KN | 20KN~1000KN |
| Точность силы | ± 1% | ||
| Разрешение измерения смещения | 00,01 мм | ||
| Точность испытаний деформации | ± 0,5% | ||
| Диапазон управления постоянной силой, постоянной деформацией, постоянным смещением | 00,4% - 100% F.S. | ||
|
Точность управления для постоянной силы, постоянной деформации, постоянного смещения |
При установке значения испытания < 10% ФС точность ± 1% от установленного значения испытания При установке значения испытания ≥ 10% ФС, точность не превышает ±0,5% установленного значения испытания |
||
|
Точность управления деформации скорость |
в пределах ±2,0% от установленного значения при скорости <0,05% FS, в пределах ±0,5% от установленного значения при скорости ≥0,05% FS, |
||
| Максимальная скорость движения поршня | 80 мм/мин. | 80 мм/мин. | 70 мм/мин. |
| Максимальное пространство натяжения ((включая ход поршня) | 800 мм | 800 мм | 850 мм |
| Максимальная скорость сжатия ((включая ход поршня) | 700 мм | 700 мм | 750 мм |
| Толщина зажима плоского образца | 0 ~ 15 мм | 0 ~ 30 мм | 0~40 мм |
| Диаметр зажима круглого образца (мм) | φ6 ~ φ26 | φ13 ~ φ40 | φ13 ~ φ60 |
| Компрессионная пластина | 204 мм х 204 мм | 204 мм х 204 мм | 204 мм х 204 мм |
| Поддерживающее пространство ролика испытания изгиба | 350 мм | 450 мм | 450 мм |
| Ширина подшипника | 140 мм | 140 мм | 140 мм |
| Удаление поршня | 250 мм | 250 мм | 250 мм |
| Диаметр оси | 30 мм | 30 мм | 40 мм |
| Застегивание | Гидравлические зажимы | ||
| Усилитель |
Программируемый усилитель-плагин, установленный внутри ПК, Автоматическая нулевая установка и калибровка |
||
| Размер |
Машина: 1100x650x2325 мм Источник нефти: 1140x700x930 мм |
Машина: 1100x650x2325 мм Источник нефти: 1140x700x930 мм |
Машина: 1225x750x2640 мм Источник нефти: 1140x700x930 мм |
| Вес | Около 2800 кг | Около 3000 кг. | Около 4500 кг |
| Электрическое питание | Трехфазный AC380V 50Hz или указанный пользователем | ||
Схемы описания:
Главная машина принимает под тип масляного цилиндра, пространство натяжения находится выше главной машины, сжатие и изгиба пространства
между нижним поперечным лучом и рабочей станцией.

Он использует механизм передачи червяков, перемещающихся через подвижную поперечную лучу для регулирования испытательного пространства, так что система привода и система позиционирования полностью отделены,геометрический центр системы загрузки полностью соответствует центру силы, а также гарантируя коаксиальность верхней и нижней челюсти и долговечность машины.
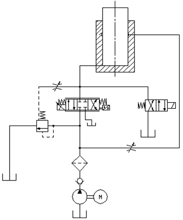
3.1 Гидравлический принцип:
Как показано на рисунке 2, это адаптивный к нагрузке счетчик в системе управления скоростью.
Гидравлическое масло в топливном баке входит в масляную цепь, когда двигатель запускает масляный насос, оно течет через невозвратный клапан, 10μ фильтр высокого давления,группа клапанов дифференциального давления и сервоклапан для ввода в масляный баллонКомпьютер посылает сигнал сервомотору, чтобы управлять отверстием и направлением сервоклапана, чтобы контролировать поток, входящий в цилиндр масла,осуществление контроля над силой испытания и смещением при равной скорости.

Рисунок 2: гидравлический принцип
3.2 Особенности
Система управления:
Система полноцифрового измерения и управления в замкнутом цикле обладает многими передовыми характеристиками и технологическими инновациями, которые в основном отражаются в:

4.1 Реализация четырех видов системы управления замкнутым контуром управления силой испытания, деформацией образца, смещением поперечного луча и испытанием
Процесс.
4.2 Система сбора данных состоит из четырех путей высокой точности 24-битных каналов A/D-сдвига, максимальное соотношение разрешения достигает 1/300000,
Весь процесс без шагов.
4.3 Он использует оригинальные интегрированные компоненты известных брендов, таких как BB, AD и Xilinx, с полностью цифровым дизайном.
4.4 Он соответствует стандарту шины PCI, микрокомпьютер является автоматической идентификацией и установкой для микрокомпьютера, достигая
испытание.
4.5 Нет аналогового элемента, подобного потенциометру для электронной системы измерений, гарантирующие совместимость и удобные для
обслуживание и замена.
Программное обеспечение управления:
Он соответствует более чем 30 соответствующим нормам национальных стандартов, как GB228-87, GB228-2002.

1Компьютерная система управления: имеет преимущества высокого уровня интеграции, стабильной производительности и удобной настройки.
сбор данных о испытаниях и в режиме реального времени динамическое отображение кривой характеристик испытаний; файл данных испытаний может быть сохранен методом Access
обыкновенныйбаза данных или SQLserve большая база данных,которая удобна для достижения пользователями совместного использования ресурсов и управления сетью, и
повторный анализ.
Это программное обеспечение имеют легкий доступ к различным Word2000 отчетов пользователей, определенных, решая проблему, что разные пользователи или один и тот же пользователь имеет
различные требования к отчетам в разное время, и он может обрабатывать исходные данные о силе испытания, смещения и времени и их полученные
кривые.
2Функция защиты: этот тестер имеет ограничение защиты программного обеспечения и машины, может динамически устанавливать соотношение автоматического остановки, превышающее
максимумнагрузка; имеет функции перенапряжения, перенапряжения, перенапряжения и другие функции защиты.
3. Может реализовать автоматическую маркировку для канала нагрузки, интуитивно понятный и удобный.
4. Базовый тест может реализовать классифицированное отображение кривой, и кривая следует автоматически.
5. Это программное обеспечение может реализовать скорость настройки пользователя, определенный, и регулировки скорости компьютером.
корректируетскоростной этап и код в любое время.
6. Мониторинг процесса испытаний: может реализовать отображение в режиме реального времени для различных параметров, таких как сила испытания, смещение и кривые в испытании.
7. Иерархическая функция управления разрешениями программного обеспечения: для улучшения безопасности программного обеспечения и данных, это программное обеспечение может реализовать иерархическую
управление функцией путем установки защиты с разными паролями.
8Функция представления результатов: после завершения и сохранения испытания пользователи могут открыть его в любое время в будущем и повторно проанализировать данные испытания в соответствии с
нужды.
9Пользователи могут выбрать кривые времени нагрузки, перемещения нагрузки и перемещения времени для тестирования и отображения данных, сохранения, анализа и печати в соответствии с
донужды.
10. Кривая точечная поперечная функция: может нажать силу и значение деформации на кривой Мышь, чтобы получить параметры каждой точки.
11. Контрастная функция результата: может наблюдать различные кривые испытаний одновременно и может реализовать Характеристики контраста пробы
проанализированоотСуперпозиция и фракционированное увеличение различных кривых.
12. Силовой интерфейс: интерфейс силового канала и программное обеспечение для испытаний могут оснащать все виды датчиков в соответствии с потребностями пользователей, и может проводить маркировку,
изменения параметров и нормальное испытание.
13Частота отбора данных: можно выбрать частоту отбора данных высокой скорости в соответствии с пользователями требования к испытаниям.
Основная конфигурация системы:
Главная машина испытателя (главная машина принимает тип под масляной баллоном)
Источник масла сервоуправления, тип таблицы
2.1 Электрогидравлический сервоклапан
2.2 Масляный насос высокого давления
3Двухпутный программируемый усилитель, разрешение 1/300.000
4Высокоточные гидравлические нагрузочные элементы
5. Система измерения перемещения с помощью гиуса
6. Полный набор креплений включает в себя: натяжные фиксаторы & сжатие фиксаторы & изгибающие фиксаторы
7Специальное программное обеспечение управления
8Компьютер Lenovo
9. принтер HP A4
10Технические данные: Руководство по эксплуатации
Наша мастерская:

Техническая поддержка и услуги:
Мы стремимся предоставить нашим клиентам исключительную техническую поддержку и услуги.
Мы предлагаем широкий спектр услуг, чтобы гарантировать, что ваш продукт подвергается строгим испытаниям и контролю качества.
Наша команда специалистов занимается предоставлением высококачественной технической поддержки и услуг для наших испытательных машин.
Мы сосредоточены на предоставлении отличной технической поддержки и обслуживания нашим клиентам, чтобы гарантировать, что ваши продукты проходят строгие испытания и контроль качества.от первоначальной технической консультации и помощи до установкиМы также предлагаем разнообразные индивидуальные услуги, чтобы удовлетворить ваши конкретные потребности и гарантировать, что ваше оборудование может достичь наилучшей производительности.Кроме того,, мы предоставляем запасные части и расходные материалы для обеспечения непрерывной работы вашего оборудования.Наша команда экспертов посвящена предоставлению высочайшего качества технической поддержки и обслуживания для наших испытательных машин для удовлетворения ваших различных потребностейЕсли у вас есть вопросы или вам нужна помощь, пожалуйста, свяжитесь с нами, и мы будем рады помочь вам.
Упаковка и перевозка:
Наша испытательная машина будет упакована в соответствующие картонные коробки и/или ящики. Продукция будет отправлена с использованием стандартных методов доставки, таких как воздушный груз, морской груз или наземный транспорт.Любые особые требования к доставке следует обсудить с поставщиком до покупки.
Покупатель несет ответственность за все импортные пошлины, налоги и/или другие сборы, связанные с товаром.

Часто задаваемые вопросы
1. Как выбрать наиболее подходящую машину для сжатия?
Наша профессиональная команда даст вам лучшее предложение, если вы скажетеЧто это за тест?потребность
чтобы сделать и требуемой спецификации.
2- Какой срок доставки?
В большинстве случаев у нас есть запасы на заводе. если нет запасов, обычно срок доставки 15-20
Если вы нуждаетесь в срочном обслуживании, мы можем рассмотреть вопрос о специальном
соглашение- Для тебя.
3Вы принимаете услуги по настройке?
Да, конечно, мы можем предложить не только стандартные машины, но и настраиваемые машины в соответствиидо
Не стесняйтесь сообщать нам о своих потребностях, мы сделаем все возможное, чтобы удовлетворить их.
4Мы можем посетить вашу фабрику перед заказом?
Да, добро пожаловать на нашу фабрику.
5У вас были клиенты из нашей страны раньше?
Теперь наши испытательные машины были проданы более чем в 30 стран, таких как США, Канада, Россия,Великобритания,
Италия, Германия, Европейский Союз, Индия, Пакистан, Филиппины, Сингапур, Таиланд иВьетнам,
Иран, Бразилия... и так далее.
6Как насчет гарантии?
В течение гарантийного периода мы можем предложить техническую поддержкуи
Необходимость в замене деталей, наши инженеры могут приехать к вам для лучшего обслуживания.
7Как насчет упаковки для машины, она безопасно защищена во время транспортировки?
Наша машина упакована в стандартный экспортный деревянный картон, она не будет повреждена.много
испытания машин за границей морским или воздушным транспортом без повреждений.
8.Как установить и использовать продукт?
Продукт поставляется с инструкцией по эксплуатации и видео на английском языкеверсии.