Электросерво гидравлическая испытательная машина для давления Микрокомпьютерное управление
Модель: IN-2000AY

Цель:
Микрокомпьютерное управление электрогидравлические серво универсальные испытательные машины в основном принимает основные машины для подтягивания, сжатия, изгиба и стрижки Проверка металлических и неметаллических материалов применяется в различных областях, включая металлургию, строительство, легкая промышленность, авиация, аэрокосмическая промышленность, материалы, высшие учебные заведения и научные учреждения и т.д.
Его эксплуатация испытания и обработка данных соответствуют требованиям стандарта GB228-2002 ∆ Материал при комнатной температуре: метод испытания прочности металла.
Спецификация:
| Модель | IN-2000AY |
| Мощность | 2000KN (200T) |
| Эффективный диапазон испытательной силы | 40KN~2000KN |
| Точность силы | ± 1% |
| Диапазон управления постоянной силой, постоянной деформацией, постоянным смещением | 00,4% - 100% F.S. |
|
Точность управления постоянной силой, постоянной деформацией, постоянным смещением |
При установке значения испытания < 10% ФС точность ± 1% от установленного значения испытания При установке значения испытания ≥ 10% ФС, точность не превышает ±0,5% установленного значения испытания |
|
Точность управления скорости деформации |
в пределах ±2,0% от установленного значения при скорости <0,05% FS, в пределах ±0,5% от установленного значения при скорости ≥0,05% FS, |
| Точность испытаний деформации | ± 0,5% |
| Максимальная скорость движения поршня | 60 мм/мин. |
| Разрешение измерения смещения | 00,01 мм |
| Максимальное пространство натяжения | 1000 мм (включая ход поршня) |
| Максимальная скорость сжатия | 900 мм (включая ход поршня) |
| Толщина зажима плоского образца | 0~60 мм |
| Плоская ширина зажима для образца | 100 мм |
|
Диаметр зажима круглый образец (мм) |
φ15 ~ φ70 |
| Компрессионная пластина | 204 мм х 204 мм |
|
Поддерживающее пространство ролика испытания на изгиб |
450 мм |
| Ширина подшипника | 160 мм |
| Удаление поршня | 250 мм |
| Диаметр оси | 50 мм |
| Застегивание | Гидравлические зажимы |
| Усилитель |
Программируемый усилитель-плагин, установленный внутри ПК, Автоматическая нулевая установка и калибровка |
| Размер |
Машина: 1400×850×3300 мм Источник нефти: 1140×700×930 мм |
| Вес | Около 7500 кг |
| Электрическое питание | Трехфазный AC380V 50Hz или указанный пользователем |

Схемы описания:
1.1Главная машина.
1.2Система привода
Нижний подъем поперечной балки принимает гидравлический двигатель, цепь и привода свинцовой пары для реализациирегулирование пространства натяжения и сжатия.
Неважно в состоянии регулирования пространства или вПроцесс испытания, оба достигают работы, если нулевой пропускной способности.
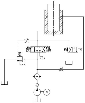
1.3. Гидравлическая система (источник масла столового типа)
Гидравлический принцип:
Как показано на рисунке 2, это адаптивный к нагрузке счетчик в системе управления скоростью.
Гидравлическое масло в топливном баке попадает в масляную цепь, когда двигатель запускает высоко давление насос передач, он течет через невозвратный клапан, 10μ фильтр высокого давления,группа клапанов дифференциального давления и сервоклапан для ввода в масляный баллонКомпьютер посылает сигнал сервомотору, чтобы управлять отверстием и направлением сервоклапана, чтобы контролировать поток, входящий в цилиндр масла,осуществление контроля над силой испытания и смещением при равной скорости.

Рисунок 2: Гидравлический принцип
Особенности:
Система управления:
Система полноцифрового измерения и управления в замкнутом цикле обладает многими передовыми характеристиками и технологическими инновациями, которые в основном отражаются в:

4.1 Реализация четырех видов системы управления замкнутым контуром управления силой испытания, деформацией образца,смещение поперечного света и процесс испытаний.
4.2 Система сбора данных состоит из четырех путей высокой точности 24-битных каналов A/D-сдвига;максимальное соотношение разрешения достигает 1/300000,
Весь процесс без шагов.
4.3 Он использует оригинальные интегрированные компоненты известных марок, такие как BB, AD и Xilinx,с полностью цифровым дизайном.
4.4 Соответствует стандарту шины PCI, микрокомпьютер автоматически идентифицирует иустановка для микрокомпьютера, достижение "подключение и испытание".
4.5 Нет аналогового элемента, подобного потенциометру для электронной системы измерений, гарантирующие совместимость и удобные для
обслуживание и замена.
Программное обеспечение управления:
Он соответствует более чем 30 соответствующим правилам национальных стандартов, таких как GB228-2002, GB228-2010.


1Компьютерная система управления: имеет преимущества высокого уровня интеграции, стабильной производительности и высокой производительности. Удобное регулирование.
сбор данных о испытаниях и динамики в реальном времениотображение кривой характеристик испытаний; файл данных испытаний может быть сохранен методом Access
общая база данных или SQLserve большая база данных, которая удобна для достижения пользователейсовместное использование ресурсов и управление сетью,
и повторный анализ.
Это программное обеспечение имеют легкий доступ к различным Word2000 отчетов пользователей, определенных, решая проблемучто разные пользователи или один и тот же пользователь
имеет разные требования к отчетам в разное время, и он может обрабатывать оригинальные данные о испытании силы, смещения и времени и их
производные кривые.
2Функция защиты: этот тестер имеет ограничение защиты программного обеспечения и машины, может динамически устанавливать соотношение автоматической остановки превышает
максимальная нагрузка; он имеет перенапряжение, перенапряжение, перенапряжение и другие защитные функции.
3. Может реализовать автоматическую маркировку для канала нагрузки, интуитивно понятный и удобный.
4. Базовый тест может реализовать классифицированное отображение кривой, и кривая следует автоматически.
5. Это программное обеспечение может реализовать скорость настройки пользователем, и регулировки скорости с помощью компьютера.Он также может реализовать высокую точность маркировки скорости,
и регулирует скорость стадии и кода в любое время.
6. Мониторинг процесса испытаний: может реализовать отображение в режиме реального времени для различных параметров, таких как сила испытания,смещение и кривые в испытании.
7- иерархическая функция управления разрешениями на программное обеспечение: для повышения безопасности программного обеспечения и данных, Это программное обеспечение может реализовать иерархические
управление функцией путем установки защиты с разными паролями.
8Функция представления результатов: после завершения и сохранения испытания пользователи могут открыть его в любое время вв будущем и переанализировать данные испытаний в соответствии
Нуждаться.
9. Пользователи могут выбрать кривые времени нагрузки, перемещения нагрузки и перемещения времени для испытаний и данныхотображение, сохранение, анализ и печать
в зависимости от потребности.
10. Кривая точечная поперечная функция: может нажать силу и значение деформации на кривой Мышь, чтобы получить параметры каждой точки.
11. Контрастная функция результата: может наблюдать различные кривые испытаний одновременно и может реализоватьХарактеристики контраста пробы
анализируется путем суперпозиции и фракционированного увеличенияразличные кривые.
12. Силовой интерфейс: интерфейс силового канала и программное обеспечение для испытаний могут оснащать все виды датчиков в соответствии с потребностями пользователей, и может проводить
маркировка, изменение параметров и нормальное испытание.
13Частота отбора данных: можно выбрать частоту отбора данных высокой скорости в соответствии с пользователями требования к испытаниям.
Основная конфигурация системы:
1. Главная машина испытателя (Главная машина принимает под тип цилиндра с маслом)
2Сервоуправляемый источник масла, тип таблицы
2.1 Электрогидравлический сервоклапан
3Двухпутный программируемый усилитель, разрешение 1/300.000
4. высокоточный грузовой элемент
5. Система измерения перемещения с помощью гиуса
6. Полный набор креплений включает в себя: натяжные фиксаторы & сжатие фиксаторы & изгибающие фиксаторы
7Специальное программное обеспечение управления
8Компьютер Lenovo
9. принтер HP A4
10Технические данные: Руководство по эксплуатации