Вентиляция бокового отверстия теплового насоса бассейна T8-B
Противозамерзающий тепловой насос для бассейна из нержавеющей стали для горячей воды
Спецификации:
|
Модель |
Рейтинговый Сила |
Рейтинговый Текущий |
Рейтинговый напряжение |
Рефрижератор |
Нагрев Мощность (кВт) |
Размер (мм) |
Шум (dB) |
Чистый Вес (в кг) |
Вода Подключить (DN) |
|
RS-3.6WX |
0.9 |
4.1 |
220 |
R417A |
3.6 |
930×280×550 |
45 |
42 |
50 |
|
RS-4.8WX |
1.22 |
5.5 |
220 |
R417A |
4.8 |
930×280×550 |
52 |
49 |
50 |
Описание:
1- корпус: оцинкованная сталь или опционально из нержавеющей стали.
2. Принять титановый теплообменник, эффективно эрозии доказательства и долговечный. обеспечить работу в высокой эффективности и более длительный срок службы.
3Многорядный испаритель, гидрофильные алюминиевые плавники, которые могут уменьшить сопротивление, и поверхность нелегко переносит воду.
4Интеллектуальный контроллер и регулировка с помощью быстрого микропроцессора.
5Автоматическая функция размораживания (с четырехсторонним клапаном внутри).
6. Многочисленные средства защиты для защиты компрессора и теплообменника, такие как защита от заморозки, вода
Защита от перетока, защита от чрезмерного давления, защита от чрезмерного низкого давления недостаточная защита от перетока воды и т.д.
7. Экономия энергии, экономия энергии на 75% больше по сравнению с обычным электрическим водонагревателем.
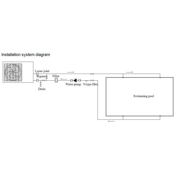
Применение:
Для бассейна, где нужна горячая вода.



1. Технология тепловых насосов воздушного источника:
Тепловой насос - это перспективная технология, которая использует те же механические принципы, что и холодильники и кондиционеры для получения горячей воды.
(Тепловой насос работает путем извлечения тепла из окружающего воздуха/воды/почвы и использования его для нагрева жидкого хладагента низкого давления в испарителе теплового насоса, испаряя жидкость.
Затем хладагент проходит через компрессор, что повышает давление хладагента и, следовательно, температуру.где отдает тепло воде и конденсируется обратно в жидкое состояние.
Затем жидкое хладагент проходит через расширительный клапан или капилляры, где давление снижается и цикл начинается заново.)
Водонагреватели с тепловым насосом работают как холодильник, наоборот.доставляет тепло в воду.Поскольку он использует теплую температуру окружающего воздуха для выполнения большей части работы, это очень эффективный способ нагрева воды.
2. Оптимизированное использование технологии тепловых насосов
Тепловые насосы по своей сути чисты и надежны, и традиционно используют технологию "вода-вода" или "воздух-воздух".объединение доступности воздуха в качестве источника тепла, низкие инвестиционные затраты, работа без выбросов, простая установка и обслуживание, с комфортом использования системы отопления на водной основе.
3. Экономия энергии
По сравнению с обычным отопительным оборудованием, таким как электрический нагреватель сопротивления, газовый/нефтяной котел и солнечный нагреватель, тепловой насос работает с затратами всего в 25%.
4. Экологически чистые
Тепловой насос не будет выпускать вредные вещества в природу.
5Широкий спектр применений
Тепловой насос является оптимальным решением для отопления дома и отопления горячей воды в жилых и различных коммерческих приложениях.
6. В основном составные части
Тепловой насос в основном состоит из компрессора, вентилятора (применяемого для воздуха и воды), испарителя, конденсатора и клапана расширения (или капилляра).