Спецификации
Номер модели :
РС15/6
Место происхождения :
Китай
Количество минимального заказа :
1
Способность поставкы :
1000униц/дай
Срок поставки :
5 дней
Упаковывая детали :
коробка
модель :
РС15/6
Источник питания :
1~220В/50Хз
Жидкости :
чистая вода
Напорное давление (m) :
6/5/3
Тип :
Солнечное вспомогательное оборудование подогревателя воды
марка :
Насос Вило обеспечивая циркуляцию
Используйте :
Солнечный коллектор и солнечная система
Кожух :
литое железо
Описание

Солнечный насос аксессуаров RS15/6 Wilo нагревателя воды обеспечивая циркуляцию для солнечного коллектора и солнечной системы

ОПИСАНИЕ

Детальный характер продукции:

Обеспечьте циркуляцию насос для кода идентификации систем солнечного отопления
Например: RS 25/6
RS: насос Привинчивать-конца
25/: Размер соединения
6: Расклассифицированная голова выключения [m]

Код идентификации:
Например: RS 25/6
RS: насос Привинчивать-конца
25/: Размер соединения
6: Расклассифицированная голова выключения [m]

Место происхождения
Китай
Номер модели
Обеспечьте циркуляцию насос
Условия цены
ОБМАНЫВАЙТЕ, CIF
Фирменное наименование
Солнечный свет & OEM
Условия оплаты
T/T, L/C
Минимальный заказ
наборы 1
Способность поставки
2,500sets/month
Срок поставки
7 дней


Мотор одиночной фазы данным по мотора (EM) 2 (поляк) - 1~230V, 50Hz

Деталь НЕТ. Расклассифицированная сила
P 2 максимальный w
Шаги/скорость
d n 1/p.m
Inpt силы
P1 W
Настоящий
Я A
Конденсатор
µ F/v
Мотор защищает
RS25/2
RS30/2
9
4
2
Макс
1900
 
1600
eco
1100
46
49
30
34
19
21
0,21
0,15
0,09
1.6/400 1)
RS25/4
RS30/4
22
13
7
Макс
2000
 
1650
eco
1200
56
68
40
48
27
32
0,28
0,20
0,13
2.0/400 1)
RS25/6
RS30/6
37
22
12
Макс
220
 
1900
eco
1200
77
99
56
75
41
50
0,41
0,31
0,24
2.6/400 1)

1) Не-перегружать мотор-никакое extemal управление перегрузки требовал. Всегда см. дата именной таблички.

Технические данные
Управление скоростью руководства 3
Жидкий диапазон температур: - 10℃-+110℃
Prossure Максимальн Working: 10 баров

температура 3.Ambient
Допустимый до: 40℃

4.Power
Сила основ: 1~230V, 50Hz

5.Motor
Степень защиты: IP42
Класс изоляции: 1
Излучение взаимодействия: EN 50081-1
Сопротивление взаимодействия: EN 50082-2

материалы 6.Construction
Тело насоса: литое железо
Турбинка: GF-PP
Вал: нержавеющая сталь
Подшипники: графит

Объем поставки
Шайбы соединения насоса incl.2, упаковка и руководство O&M

Аксессуары
Штуцеры соединителя соединения, термоизоляция

Устанавливая положения
Вал насоса в горизонтальном самолете, терминальной коробке выборочно 3,6,9 или 12o'clock

Оборудование насоса
Привинченный насос конца одиночный главный
Управление скоростью руководства 3
Не-перегружать однофазный мотор
Опционный влево или вправо вход кабеля
Особенные версии RS25/4 и RS25/6 дизайна
Бронзовое тело, порт-к-порт 180mm
Тело литого железа 130 mm порт-к-порта

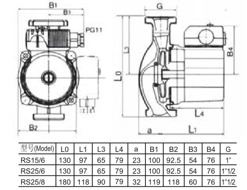
Измерени-весы

Деталь НЕТ. Rp G l 0 l 1 l 3 l 4 a b 1 b 2 b 3 b 4 CA. kg веса
mm I'N10
RS25/2 1 ″ 1 ″ m 1/2 180 97 90 79 33 100 92,5 54 73 2,4
RS30/2 1 1/4 ″ 2 ″ m 180 97 90 79 33 100 92,5 54 73 2,6
RS25/4 1 ″ 1 ″ m 1/2 180 97 90 79 33 100 92,5 54 73 2,4
RS30/4 1 ″ 1/2 2 ″ m 180 97 90 79 33 100 92,5 54 73 2,6
RS25/6 1 ″ 1 ″ m 1/2 180 97 90 79 33 100 92,5 54 73 2,4
RS30/6 1 1/4 ″ 2 ″ m 180 97 90 79 33 100 92,5 54 73 2,6

Насос РС15/6 Вило обеспечивая циркуляцию для солнечной системы 

Отправьте сообщение этому поставщику
Отправляй сейчас

Насос РС15/6 Вило обеспечивая циркуляцию для солнечной системы

Спросите последнюю цену
Номер модели :
РС15/6
Место происхождения :
Китай
Количество минимального заказа :
1
Способность поставкы :
1000униц/дай
Срок поставки :
5 дней
Упаковывая детали :
коробка
Контактный поставщик
Насос РС15/6 Вило обеспечивая циркуляцию для солнечной системы
Насос РС15/6 Вило обеспечивая циркуляцию для солнечной системы
Насос РС15/6 Вило обеспечивая циркуляцию для солнечной системы

JIAXING PASSION NEW ENERGY TECHNOLOGY CO., LTD.

Verified Supplier
9 Годы
zhejiang
С тех пор 1996
Вид деятельности :
Manufacturer, Exporter
Общее годовое :
3000000-5000000
Количество работников :
100~150
Уровень сертификации :
Verified Supplier
Узнайте о аналогичных продуктах
Смотрите больше
Контактный поставщик
Требование о предоставлении