Насосная трубопровода SR11L-1568 одно солнечная для разделенного нагревателя воды давления солнечного
серии трубопровода 220V SR11L-1568 насосная горячей воды одиночной солнечная с интегрированным регулятором SR1568
Насосная горячей воды серии SR11L солнечная с интегрированным регулятором SR1568 максимальным позволила подачу бара 1-20L/Min давления 6
1. Солнечная насосная с интегрированным регулятором
Интегрированный регулятор, выдающий дизайн, собрание безопасности с предохранительным клапаном, высококачественный кожух для уменьшения жары теряет, проверенный расход потока
1,1 объем доставки
солнечная насосная 1*
1* интегрировало солнечный регулятор SR1568
кронштейн стены 1*
вспомогательная сумка 1*
руководство 1*
1,2 об этом руководстве
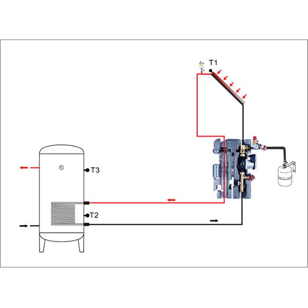
Эта солнечная насосная preinstalled и утечк-испытанная группа в составе штуцер для перенося жары от сборника к магазину. Она содержит важные штуцеры и предохранительные устройства для деятельности солнечной термальной системы:
Шариковые клапаны в подаче и возвращении в комбинации с задерживающими клапанами для предотвращения циркуляции силы тяжести.
Затвор воздуха для ручного кровотечения солнечной термальной системы
Электронная проверка расхода потока для показа расхода потока
Манометр для показа давления системы
Предохранительный клапан для предотвращения неприемлемого избыточного давления
Топя и заполняя блок для топить, заполнять и опорожнять солнечную термальную систему.
1,3 инструкции по безопасности
Установка и поручать солнечной станции так же, как соединения электрических деталей требуют технических знаний соответствующих с узнанной профессиональной квалификацией как слесарь-монтажник для паять, технология топления и кондиционирования воздуха, или профессия требуя соответствующего уровня знания. Последователями необходимо наблюдать во время установки и поручать:
Уместные региональные и национальные регулировки.
Техническое и инструкции по безопасности этих инструкций.
Предупреждение: риск ошпаривать
Опасность излучения пара с предохранительными клапанами. Поэтому отводный штуцер необходимо соединиться с собранием безопасности, пожалуйста наблюдает закрытыми инструкциями относительно предохранительного клапана делая это.
Внимание: повреждение солнечной насосной
Группу в составе штуцеры необходимо установить с достаточным дистанционированием к сборникам потому что температуры около сборников могут быть очень высоки. Промежуточный сосуд может быть необходим для установки в чердак.
Необходимо что вы убеждаетесь элементы запечатывания EPDM солнечной насосной не приходят в контакт с содержанием веществ минеральномасляным. Минеральномасляные продукты причиняют длительное повреждение к материалу, whereby свои свойства sealant потеряны. При необходимости, спросите изготовителю содержат ли солнечные жидкость, сала или помощь установки минеральные масла. Мы не принимаем пассив ни не обеспечиваем гарантию для повреждения к солнечной станции следующ из sealants поврежденные таким образом.
1,4 размеры станции:
Высота (с изоляцией): 450mm
Ширина (с изоляцией): 300mm
Глубина (с изоляцией): 158mm
Центр расстояния: 1600mm
Ось/стена расстояния: 55mm
Соединения трубы: 3/4' ИТ
Соединение для набора сосуда расширения: 3/4' ET, плоско герметизирующ
Предохранительный клапан выхода: 1/2 ИТ
1,5 спецификация компонентов
1)клапан Не-возвращения: давление открытия 200mmH2O
2)Соединитель выхода подачи (к сборнику): 3/4' ИТ
3)Предохранительный клапан: 6bar
4)Заполняя соединитель
5)Соединитель сосуда расширения
6) Манометр: 0-6bar
7) Датчик на возвращенной трубе (от танка к сборнику), NTC10K (опционные)
8) Насос цепи: Wilo 15-6 или Groundfos 15-65
9) Соединитель клапана дренажа
10) Соединение выхода возвращения проточного счетчика цифров (от сборника): 3/4 ИТ
11) Соединитель входа подачи (от танка): 3/4' ИТ
12) Соединитель выхода подачи (к танку): 3/4' ИТ (отсутствие этого соединителя на станции SR11L)
13) Воздушный сепаратор
14) Ручной bleeder воздуха
15) Датчик на трубе подачи (от сборника к танку), NTC10K (опционном) (никакой датчик на станции SR11L) 16) Соединитель входа подачи (от сборника): 3/4' ИТ
Материал:
Штуцер: Латунь
Уплотнения: PTFE
Изоляция: EPP, λ= 0.041W/(m.K)
1,6 технические данные
Максимальный позволил давление: 6bar
Максимальная позволенная рабочая температура: 120oC
Расход потока FRT цифров: 1-20L/Min
Солнечная система: Одиночный трубопровод
Нагреватель воды разделенный индикаторной панелью солнечный
с двойными катушками PTS-F2
| Нагреватель воды разделенный индикаторной панелью солнечный с двойными катушками PTS-F2 |
||||||||
| Модель | PTS-F2-15 | PTS-F2-20 | PTS-F2-25 | PTS-F2-30 | PTS-F2-40 | PTS-F2-50 | PTS-F2-100 | |
| Солнечный коллектор индикаторной панели | Вещество активной зоны | Медь | ||||||
| Покрытие | Медное алюминиевое покрытие крышки голубой скорости поглощения титана: тариф ε=0.04 отражения α=0.95. | |||||||
| Базовая платина | алюминий Морск-степени H3004, toughnessH32 толщина 0.7mm | |||||||
| Стекло панели | Особенное стекло для панели со стандартами ANS1297-1-1975, BS6206A и JIS R3206; твердость с AS2208-1978 и федеральными стандартами Соединенных Штатов. | |||||||
| Изоляция панели | Оснуйте с изоляцией стеклоткани, толщиной 60mm, ³ плотности 20kg/m; изоляция Сторон-толщины: 13mm; ³ плотности 23kg/m; Термальные свойства: Термальная проводимость R1.0: 0.059W/m. | |||||||
| Количество (PCS) | 1 | 1 | 2 | 2 | 3 | 3 | 6 | |
| Вода Танк |
Емкость | 150L | 200L | 250L | 300L | 400L | 500L | 1000L |
| Верхняя медная катушка (mm*M) | Φ16*15 | Φ16*15 | Φ16*15 | Φ16*15 | Φ16*15 | Φ16*20 | Φ19*30 | |
| Нижняя медная катушка (mm*M) | Φ16*15 | Φ16*15 | Φ16*15 | Φ16*15 | Φ16*25 | Φ16*30 | Φ19*40 | |
| Пениться полиуретана (mm) | 55 | 50 | 50 | 50 | 60 | 60 | 100 | |
| Наружный танк | Белизна Enamal стальной плиты цвета | |||||||
| Φ470/0.5 | Φ550/0.5 | Φ580/0.5 | Φ580/0.5 | Φ700/0.5 | Φ700/0.5 | Φ1000/0.5 | ||
| Внутренний танк | SUS 304 2B, работая pressure-6 бар, бар теста pressure-12 | |||||||
| Φ360/1.2 | Φ450/1.5 | Φ480/1.5 | Φ480/1.5 | Φ580*2.0 | Φ580*2.0 | Φ800/2.5 | ||
| Электрический подогреватель | 1500W | 1500W | 2000W | 2000W | 2000W | 2000W | 4000W | |
| Рабочая станция | SR961S (включая controler & НАСОС WILO) | |||||||
| Танк расширения | 8L | 8L | 8L | 8L | 12L | 12L | 24L | |
Нагреватель воды трубы жары разделенный солнечный
с двойными катушками PTS-H2
| Нагреватель воды трубы жары разделенный солнечный с двойными катушками PTS-H2 |
||||||||
| Модель | PTS-H2-15 | PTS-H2-20 | PTS-H2-25 | PTS-H2-30 | PTS-H2-40 | PTS-H2-50 | PTS-H2-100 | |
| Солнечный коллектор трубы жары | Трубки (PCS) | 15 | 20 | 25 | 30 | 40 | 50 | 100 |
| Цель 3 механотронная | Диаметр/длина: φ58mm/1800mm; Высокое содержание 3,3 бора и кремния; Структура: Покрытие выборочной абсорбции постепенного изменения SS-AL-Nx/Cu; Степень вакуума: P<> | |||||||
| Труба жары | Condesor: φ14*70mm; Толщина: 0.5mm; Материал: красное медное TU1+water; Сила передачи: >=150W; Давление деятельности: 4Mpa; Сваривая давление: 4Mpa; | |||||||
| Внешняя оболочка/кронштейн - сплав Alluminum | Слой изоляции - шерсть утеса | Пылезащитное резиновое - EPDM | Приращение количества тепла Dsily - ² 8.5MJ/m | |||||
| Вход/выход - 22mm/3/4» | Tailstock - ABS | Температура - °С 250 | Давление работы - 0.6MPa | |||||
| Зона контура | ² 2.32m | ² 3.10m | ² 3.78m | ² 4.52m | ² 6.20m | ² 7.56m | ² 15.12m | |
| Зона апертуры | ² 1.43m | ² 1.89m | ² 2.36m | ² 2.83m | ² 3.8m | ² 4.72m | ² 9.44m | |
| Зона абсорбции | ² 1.22m | ² 1.62m | ² 2.04m | ² 2.43m | ² 3.24m | ² 4.06m | ² 8.16m | |
| Количество (PCS) | 15tubes*1 | 20tubes*1 | 25tubes*1 | 30tubes*1 | 20tubes*2 | 25tubes*2 | 25tubes*4 | |
| Вода Танк |
Емкость | 150L | 200L | 250L | 300L | 400L | 500L | 1000L |
| Верхняя медная катушка (mm*M) | Φ16*15 | Φ16*15 | Φ16*15 | Φ16*15 | Φ16*15 | Φ16*20 | Φ19*30 | |
| Нижняя медная катушка (mm*M) | Φ16*15 | Φ16*15 | Φ16*15 | Φ16*15 | Φ16*25 | Φ16*30 | Φ19*40 | |
| Пениться полиуретана (mm) | 55 | 50 | 50 | 50 | 60 | 60 | 100 | |
| Наружный танк | Белизна Enamal стальной плиты цвета | |||||||
| Φ470/0.5 | Φ550/0.5 | Φ580/0.5 | Φ580/0.5 | Φ700/0.5 | Φ700/0.5 | Φ1000/0.5 | ||
| Внутренний танк | SUS 304 2B, работая pressure-6 бар, бар теста pressure-12 | |||||||
| Φ360/1.2 | Φ450/1.5 | Φ480/1.5 | Φ480/1.5 | Φ580*2.0 | Φ580*2.0 | Φ800/2.5 | ||
| Электрический подогреватель | 1500W | 1500W | 2000W | 2000W | 2000W | 2000W | 4000W | |
| Рабочая станция | SR961S (включая controler & НАСОС WILO) | |||||||
| Танк расширения | 8L | 8L | 8L | 8L | 12L | 12L | 24L | |



