ATC 32V 2A-50A ATO ATS взрывателя лезвия регулярного алюминиевого стандарта автомобиля сплава цинка автоматический
Я описание автоматического взрывателя лезвия
Стандартный взрыватель лезвия конструированный для автомобильной электроники, оно будет популярный для защиты сети оборудования автомобилей и тележек. Он легко быть опознаваем и заменен для применений низшего напряжения.

II сплавляя время автоматического взрывателя лезвия
| Нагрузка (течение теста) | Раскрывая время |
| 110% | >4h |
| 135% | 0.75-1800 (s) |
| 200% | 0.15-5 (s) |
III работая характеристики автоматического взрывателя лезвия
|
% оценки ампера (внутри) |
Дуя время |
| 100% * внутри | 4 часа минимального |
| 200% * внутри | sec 120 максимальный |
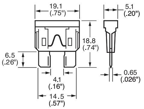
IV материальные списки и размер автоматического взрывателя лезвия (mm)

| ИМЯ ЧАСТИ | МАТЕРИАЛ |
| FUSIABLE | Цинк, олово, медь, серебр или сплавы с этими как главные компоненты |
| Пластиковое тело | PA66 PLASTIC/NYLON |
V маркировка автоматического взрывателя лезвия
Ярлык спецификации (расклассифицированное настоящего) взрывателя, напечатанный на обложке пластикового тела.
Шрифт не может исчезнуть и очевидно и легко увидеть.
Цвета различных спецификаций (расклассифицированного течения) следующим образом:
| Настоящий (a) | Цвет | Настоящий (a) | ЦВЕТ |
| 5 | TAN | 25 | ЕСТЕСТВЕННЫЙ |
| 7,5 | БРАУН | 30 | ЗЕЛЕНЫЙ ЦВЕТ |
| 10 | КРАСНЫЙ ЦВЕТ | 35 | Пурпур |
| 15 | СИНЬ | 40 | Свет - пинк |
| 20 | ЖЕЛТЫЙ ЦВЕТ | 50 | Светлый - розовый пурпур |
*If цвет подобно или измененный, номер на обложке продукта преобладает.

VI печатает 1 из автоматического взрывателя лезвия
Взрыватели лезвия (также вызвал лопату или вставляемые взрыватели), с пластиковым телом и 2 prongs которое помещают в гнезда, главным образом использованы в автомобилях.
Каждый взрыватель напечатан с расклассифицированным течением в амперах на верхней части.
Эти типы взрывателей приходят в 6 различные физические измерения:
Micro2.
Micro3.
VII тип 2 автоматического взрывателя лезвия
LP-мини (APS), также как низкопрофильный мини. Неслужебно, «взрыватель низкопрофильного мини» иногда неправильно вызван «микро-» в виду того что термина значит небольш чем мини, но недавно взрыватели используя микро- имя были выпущены.
Мини (APM/ATM). Мини взрыватели были развиты в 1990s.
Взрыватели постоянного посетителя (АПРЕЛЯ/ATC/ATO/ATS) типа лезви, также известные как стандарт, были развиты в 1976 как ATO Littelfuse [1] для пользы низшего напряжения в моторных транспортах. Bussmann делает ATC [2] которого также исполняет с такими же стандартами ISO 8820-3 и SAE J1284.
Макси (ПРИБЛИЗИТЕЛЬНЫЙ), сверхмощный.
VIII установка автоматического взрывателя лезвия
Тип взрыватели лезвия можно установить внутри:
Плавкие части предохранителя (сделанные из фарфора, шифера, или другого тугоплавкого материала). Плавкие части предохранителя предлагают метод устанавливать несколько взрывателей совместно или больших взрыватели отдельно.
Встроенные патроны предохранителя, с 2 стандартами: Издание 257 IEC 1968 но. 2 поправки к этому изданию устаревшему январю 1989 и UL-стандартного но. 512. Они помогают сохранить космос. Встроенный взрыватель часто увиден в расширенных электрических аксессуарах, где изготовитель не знает предел электрического тока цепи вы идете залатать в. Это предлагает достаточную защиту для этого индивидуального аксессуара, не принимая во внимание всех других приборов которые могли делить такую же цепь.
Двойные патроны предохранителя слота позволили вам повернуть один слот взрывателя в 2 (в некотором пути, подобном прокладке силы, но для взрывателей).
Контакты предохранительного патрона. Контакты предохранительного патрона можно ввести в плату с печатным монтажом.
VIIII упаковка автоматического взрывателя лезвия
Оптовый, perbag 1000pcs; Выполненный на заказ набор ассортимента
X фактические изображения продукта автоматического взрывателя лезвия
Как определить тип взрывателя вашего корабля
Определить тип взрывателя ваш корабль использует вас вероятно будет нужно проверить коробку взрывателя расположенную в корабле. Однако, некоторые типы взрывателя общие к некоторым кораблям. Ниже самые общие типы взрывателя используемые в кораблях.
Как определить тип взрывателя лезвия вашего автомобиля?
Пока 6 различных размеров взрывателей лезвия, они сломленный спуск в 4 главных типа.
Каждый тип имеет различные размеры размера, делая их легкий определить от одного другое.
Как обнаружить местонахождение коробку взрывателя вашего корабля?
Коробку взрывателя вашего корабля можно расположиться в нескольких мест и в зависимости от модели, делает или печатает из корабля вы имеете, там может быть несколькими коробок взрывателя.
Для большинств автомобилей типично 2 коробки взрывателя; одно расположенное под клобуком корабля и другое расположенное под приборной панелью под рулем. Однако, самый легкий путь обнаружить местонахождение вашу коробку взрывателя посоветовать с вашими владельцами ручными. Если вы не имеете одно для вашего автомобиля, то обычно бесплатная копия можно типично найти через поиск Google.









Предохранение от перегрузок по току OCP
Взрыватель

Плавкая вставка
Термистор
Резистор фильма
Wirewound резистор
Индуктор




Часто спрашиваемое вопросы и ответы вопроса
Q: Вы изготовитель?
: Да, мы изготовитель и раздатчик известного бренда как Littelfuse.
Q: Который город делает вашу фабрику внутри?
: Город Dongguan, провинция Гуандун, Китай
Q: Смог я знать ваше рабочее временя?
: Официальное рабочее временя 8:00 | 12:00 до полудня, 1:30 | 5:30 PM.However, продажи в нашем международном отделе сделает деятельность дополнительного времени и 7x24hours онлайн.
Q: Вы принимаете выполненное на заказ?
: Да, мы профессиональны в модели изготовления на заказ основанной на богатых опытах и профессиональном инженерстве. Полезно если вы можете обеспечить рисовать или детальная спецификация должна.
Q: Смог я знать ваше время выполнения?
: Время выполнения 7 дней для типовой модели и точное время выполнения зависит от детальных требований если особенная модель выбрала.
Q: Смог я получить образцы перед заказом места?
: Да, вообще образцы свободны но цена образца должна быть поручена если количество слишком много, то, цена продукта слишком много или новый гонорар прессформы требовал.
Q: Что ваши условия оплаты?
: T/T, PayPal etc.
Q: Что валюта вы можете принять?
: Главным образом доллары США и китайские юани
Q: Делает ваш сейф метода пакета для транспорта?
: Да, наш пакет было бы 10~1000pcs в полиэтиленовый пакет - > множественные сумки в коробку - > множественные коробки в коробку и безопасно для пересылки срочных/воздуха/шлюпки.
Q: Что ваше MOQ?
: Вообще, MOQ 1000pcs и различные для особенной модели.