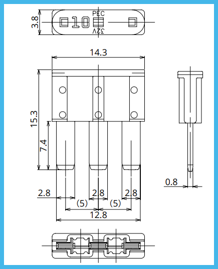
Лезвие Multi терминала BFSL-3 автоматическое сплавляет разрывную мощность 1000A 3-15A MICRO3 32V
Описание лезвия Multi терминала BFSL-3 автоматического сплавляет MICRO3 32V
Взрыватель MICRO3 имеет 3 терминала и 2 плавкой пластины с общим разбивочным терминалом. Свой подводн-миниатюрный дизайн соотвествует потребность для больше цепей быть защищенным пока использовать меньше космоса и своей способность справиться с высокими температурами в неблагоприятных окружающих средах делает взрыватель MICRO3 порекомендованного выбора для защиты.
Спецификация бренда PEC лезвия Multi терминала BFSL-3 автоматического сплавляет MICRO3 32V

| Модель | BFSL-3 |
| Расклассифицированное напряжение тока | DC32V |
| Разрывная мощность | 1000A |
| Температура деятельности | -40℃ - 120℃ |
| Стандартная упаковка | 10000pcs |
Врем-настоящая характеристика: Все оценки лезвия Multi терминала BFSL-3 автоматического сплавляют MICRO3 32V
| % оценки ампера (a) | Работая время | |
| МИНУТА | МАКС | |
| 110% | 100 часов. | - |
| 135% | 0,75 sec. | sec 120. |
| 160% | 0,25 sec. | sec 50. |
| 200% | 0,15 sec. | sec 5. |
| 350% | 0,04 sec. | 0,5 sec. |
| 600% | 0,02 sec. | 0,1 sec. |
Компановка продукта лезвия Multi терминала BFSL-3 автоматического сплавляет MICRO3 32V
| Оценка ампера (a) | Номер детали | Расквартировывать цвета | Значение сопротивления | Падение напряжения тока |
| 5A | 1183 | Tan | mΩ 16,9 | 110 mV |
| 7.5A | 1184 | Браун | mΩ 10,6 | 104 mV |
| 10A | 1185 | Красный | mΩ 7,94 | 104 mV |
| 15A | 1186 | Синь | mΩ 5,07 | 97 mV |
Падение напряжения тока: приложите 100% из расклассифицированного течения.
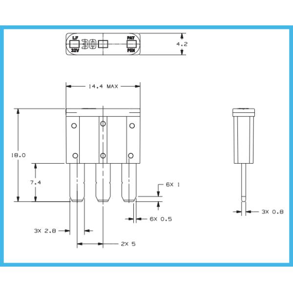
Спецификации бренда Littelfuse лезвия Multi терминала BFSL-3 автоматического сплавляют MICRO3 32V

* оценка напряжения тока: 32 VDC
* прерывая оценки: 1000A @ 32 VDC
* компонентный ровный диапазон температур: -40˚C к +125˚C
** Диапазон температур системного уровня: -40˚C к +105˚C
* 105°C типичное требование к температуры системного уровня.
* терминалы: Ag покрыл сплав цинка
* расквартировывать материал: PA66
* соответствует: SAE 2741 и ISO 8820-3 в ссылке на электрическое,
Врем-настоящие характеристики лезвия Multi терминала BFSL-3 автоматического сплавляют MICRO3 32V
| % оценки | Раскрывая время (минута/Макс) |
| 110 | 100 h/– |
| 135 | 0,75 sec sec/120 |
| 160 | 0,30 sec sec/50 |
| 200 | 0,15 sec sec/5 |
| 350 | 0,04 sec/0,50 sec |
| 600 | 0,02 sec/0,100 sec |
Оценки лезвия Multi терминала BFSL-3 автоматического сплавляют MICRO3 32V
| Номер детали | Настоящая оценка (A) |
Тип. Падение напряжения тока (mV) |
I2t (A2s) |
Холодное сопротивление (mΩ) |
| 0337003. _ | 3 | 113 | 9 | 31,7 |
| 0337005. _ | 5 | 116 | 17 | 17,4 |
| 0337007,5. _ | 7,5 | 106 | 47 | 10,8 |
| 0337010. _ | 10 | 102 | 89 | 7,8 |
| 0337015. _ | 15 | 94 | 189 | 4,9 |
Упорядочение информации лезвия Multi терминала BFSL-3 автоматического сплавляет MICRO3 32V
Номер детали Размер пакета
0337xxx.PX2S 2000
0337xxx.LXS 50