Взрыватель 200A 100VDC 102℃ выключения сильнотоковой связи температуры термальный для батареи
Особенности термального взрывателя 200A 100VDC 102℃ выключения для батареи
●Уступчивый с директивой RoHS.
●Особенные сплавляя температура или Imax смогли изготовление на заказ казны.
●Маркировка лазера раковины
●Не-перестановный
●Высокая точность Temp функции.
●RoHS & ДОСТИГАЕМОСТЬ уступчивые
●Применение; Батареи, автомобиль электронный
●Штыри с отверстиями установки
Преимущества термального взрывателя 200A 100VDC 102℃ выключения для батареи
●Поверхностный держатель, тип III; Одиночный поляк
●Термопластиковый; UL расклассифицировал 94V – 0 расквартировывая
●Изоляторы стержня обеспечили; 1/4" – 28 стержней потока
●Также использованный как заряжатели батареи и аудиосистемы DC
●Смогите быть использовано во вспомогательных и вспомогательных цепях; тележки, автобусы, RV и морские применения
●Высокая емкость пульсации
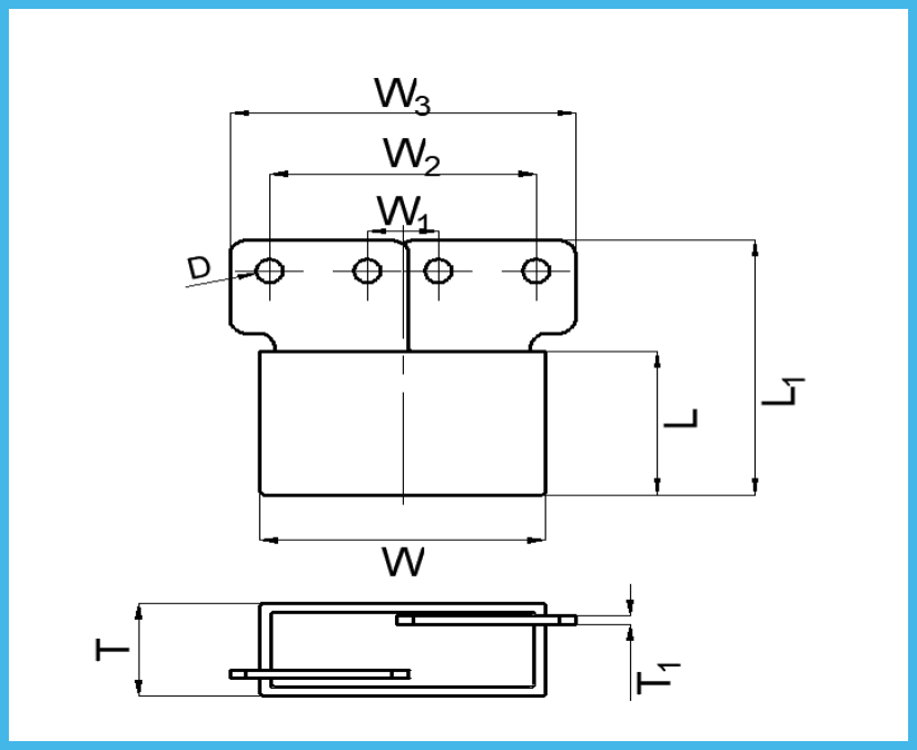
Размеры термального взрывателя 200A 100VDC 102℃ выключения для батареи (mm)

| L | L1 | W | W1 | W2 | W3 | D | T | T1 |
| 20.0±0.5 | 35.6±0.5 | 35.0±0.5 | 8.5±0.5 | 32.5±0.5 | 42.5±2 | 3,3 | 13.5±0.5 | 1.50±0.05 |
Спецификация термального взрывателя 200A 100VDC 102℃ выключения для батареи
| P/N | Tf | Сплавляя Temp. | Th | Tm | Инфракрасн | Ur | Rohs &Reach |
| (℃) | (℃) | (℃) | (℃) | (A) | (Vdc) | ||
| LT2 | 102 | 98±2 | 61 | 180 | 200 | 100 | ● |
| LT3 | 115 | 111±2 | 74 | 180 | 200 | 100 | ● |
| LT4 | 125 | 121±2 | 84 | 180 | 200 | 100 | ● |
| LT5 | 130 | 130±2 | 88 | 180 | 200 | 100 | ● |
| LT8 | 136 | 131±2 | 94 | 180 | 200 | 100 | ● |
| LT10 | 150 | 145±2 | 108 | 180 | 200 | 100 | ● |
| LT11 | 160 | 155±2 | 123 | 180 | 200 | 100 | ● |
Новости компании термального взрывателя 200A 100VDC 102℃ выключения для батареи
AMPFORT обеспечивает термальный взрыватель с течением пульсации 3kA~60kA для arrester молнии. Когда arrester молнии будет нагружен с течением частоты силы, цепь будет отрезана для избежания arrester молнии от улавливая огня. Термальный взрыватель проходил аттестацию UL CUL CCC TUV ROHS ISO9001-2015.
В ответ на требования рынка, были уточнены аттестация UL для 350Vac & радиальный высоковольтный термальный взрыватель 480Vac. Теперь сертификат UL был получен.

Как установить взрыватель Ampfort термальный?
Термальный взрыватель, также вызвал взрыватель температуры, устройство для среза воспринимая цепи температуры.
Термальный взрыватель может воспринять перегревать произвел во время анормалной деятельности электрических и электронных продуктов, таким образом режа цепь для избежания огня. Обыкновенно использованный: электрический фен для волос, электрический утюг, плита риса, электрическая плита, трансформатор, мотор, распределитель воды, кофеварка, etc. после того как термальный взрыватель управляется, его нельзя использовать снова, и только работает раз на плавя температуре
1. Термальный взрыватель может быть подключен путем сваривать, заварка пятна, или соединять.
2. Должно быть разъединение по крайней мере 1.6mm между проводом и, который подвергли действию объектом, и расстояние между концом провода и заземляя концом объекта металла должно быть по крайней мере 6.3mm.
3. Легирующий металл термального взрывателя нельзя переплести в гофрирует форму.
4. Вертикальная сила не должна быть больше чем 1,5 фунта для провода, и вертикальная сила не должна быть больше чем 0,4 фунта.
5. Растяжение по оси и тяга приложенные к штырю не должны превысить максимальное значение теста 1,5 фунтов и 0,4 фунтов для определенных напряжения и тяги теста.
6.Precautions для изогнутых руководств
(1) гнуть штыри, пожалуйста инструменты пользы для того чтобы обеспечить что изогнут гнуть штырей;
(2) место изгиба руководства должно быть по крайней мере 3mm далеко от корня;
(3) изогнутые ноги не должны быть зажаты к раковине и герметизируя смоле;
(4) не режет штыри и не повреждает смолу;
7. герметизируя смола и внешняя оболочка не должны быть повреждены, сгорены или перегреты.
8. инструкции для соединения механической силой:
(1) весьма важно представить состояние показанное в диаграмме выше для важности после установки;
(2) для тяги и напряжения приложенных к термальному взрывателю, необходимо избежать наладить связь в конце потому что она слишком плотна, передернута или обжата;
(3) для метода соединения, выйдите достаточно длиной и мягкий космос для обоих футов;
(4) необходимо предотвратить давление смолы и усушки которое должно находиться на термальном взрывателе, или давление причиненное транспортом и вибрацией во время пользы, которая необходима для гибкости сдержанного тангажа ноги.
9. метод соединения:
(1) паяя метод (300°C) должен быть по крайней мере 10mm далеко от провода тепловыделения тела смолы;
(2) после сваривать, пожалуйста позвольте термальному пребыванию взрывателя и крутой на больше чем 30 секунд; до тех пор пока окружающая температура не будет охлаждать вниз, тогда согните ее для избежания отказов в термальном теле взрывателя сформировать открытую цепь.