Стеклянный загерметизированный датчик температуры 100K 3950 2Pin термистора NTC для плитаа индукции
Описание стеклянного загерметизированного датчика температуры 100K 3950 2Pin термистора NTC
Датчик установлен на металлическую поверхность для обнаружения температуры, и датчик главным образом установлен в плита индукции, cooktop топления индукции, и теплоотвод кухонных приборов.
Особенности стеклянного загерметизированного датчика температуры 100K 3950 2Pin термистора NTC
Сопротивление: ом 100k; Количество Pin: штырь 2
Высокая чувствительность, работа в высокой температуре или окружающие среды влажности.
Домашняя замена датчика температуры для переключателя контроля температуры термостата взрывателей термостатов плитаа индукции 2P 100k
Главным образом использованный для плитаа индукции, хорошее качество
Измерение точное, скорость температуры индукции быстро.
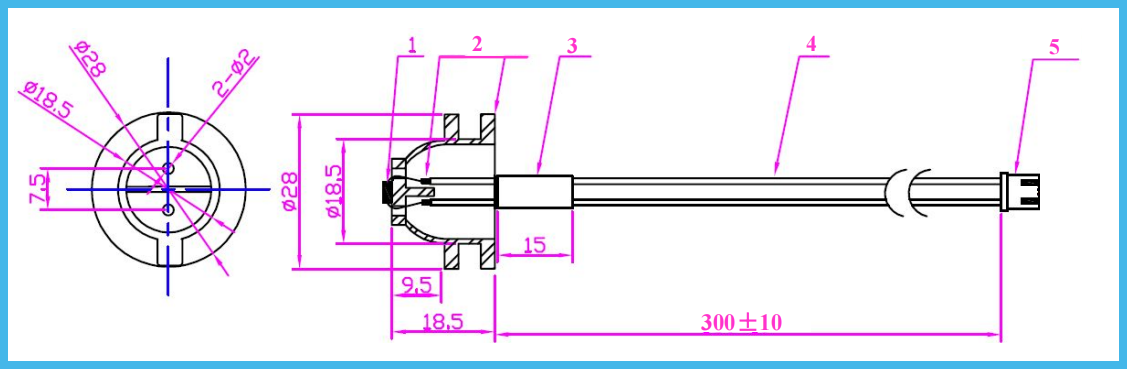
Материалы и размер стеклянного загерметизированного датчика температуры 100K 3950 2Pin термистора NTC

| НЕТ. | Имя | Описание |
| 1 | Термистор | R25=100KΩ±1% B25/50=3950±1% |
| 2 | Снабжение жилищем | Латунные 2×0.3mm, гель кремнезема Φ28×18.5 (Браун) |
| 3 | Кожух | Кожух Φ2 L=15mm теплоусаживающий (чернота) |
| 4 | Кабель | Провод пластмассы фтора L=300mm AWG26 200℃ (чернота) |
| 5 | Соединитель | XH-2Y/XH-2.54 (белизна) |
Представления стеклянного загерметизированного датчика температуры 100K 3950 2Pin термистора NTC
| Сопротивление на 25℃ | 100KΩ±1% |
| B25/50 | 3950±1% |
| Коэффициент энергопотерь | 2.5mW/C |
| Термальная константа времени | sec 10 |
| Работая temp.range | -40~+250C |
| Сопротивление изоляции | 100MOhm на 500VDC |
| Выдержите тест напряжения тока | sec 10 на 1500VAC |
Как обнаружить термистор NTC в плитае индукции
Термистор NTC главным образом играет роль в контролируя температуре в плитае индукции. Когда температура достигает некоторое значение, нагревая прибор автоматически отключен. Термистор MCU соединен с интерфейсом MCU контрольной панели топления индукции, и MCU обнаруживает ровное изменение и делает соответствуя защитное влияние.

Настолько как обнаружить термистор NTC на плитае индукции?
Сделайте вне датчик вначале, и после этого используйте вольтамперомметр на противоположных сторонах измеренияя датчика к изменениям сопротивления жары датчика в то же время, с поднимать спада сопротивления температуры отрицательный термистор коэффициента температуры. (Таблица указателя использует файл 1K и цифровая таблица использует файл 200K). На комнатной температуре, значение сопротивления термистора 100K, которое близко к керамической плите, и контакт между 2 можно покрыть с масл-проводным тавотом силикона, который может улучшить чувствительность контроля.

Термистор вид чувствительного элемента. Своя основная функция измерить температуру и компенсацию влияния температуры. Согласно различному коэффициенту температуры, она разделена в положительный термистор коэффициента температуры (PTC) и отрицательный термистор коэффициента температуры (NTC). Типичная характеристика термисторов что они чувствительны к температуре и показывают различные значения сопротивления на различных температурах. Положительное сопротивление термистора коэффициента температуры (PTC) когда высокий температура, большой отрицательное сопротивление термистора коэффициента температуры (NTC) когда выше температура ниже, они оба принадлежит полупроводниковому устройству.