Зонд 50K 3950 датчика температуры термистора нержавеющей стали для умного плитаа риса
Применения зонда 50K 3950 датчика температуры термистора для умного плитаа риса
1. Плита риса,
2. тостер, микроволновая печь, сушильщик воздуха, лоток жарить в духовке, плита индукции, электрическая нагревательная плита,
3. контроль температуры инкубатора, боилер яйца,
Особенности зонда 50K 3950 датчика температуры термистора для умного плитаа риса
* изготовление на заказ доступное
* выдержите высокую температуру
* части оборудования еды безопасные использовали
* термистор ntc высокой точности choosen
* кабель международного стандарта
* дизайн прекращения Faston

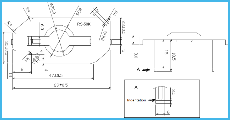
Размеры зонда 50K 3950 датчика температуры термистора для умного плитаа риса (блока: mm)


| НЕТ | КОМПОНЕНТ | МАТЕРИАЛ И СПЕЦИФИКАЦИИ | Q'TY | ПРИМЕЧАНИЕ |
| 2-1. | Элемент | DD R25=50KΩ±1% B25/50=3950±1% | 1 | |
| 2-2. | Снабжение жилищем | Y216J-A алюминиевое (поверхность песка) | 1 | |
| Электролитическая плита Φ21×Φ25.5+3.6+21 внутри карты | ||||
| Электрическая весна Φ0.8*6S SUS304 плитаа риса | ||||
| 2-3. | Покрытие | Термальный проводной силикон | ||
| Электролитическая плита | базовая платина электролитического железа 0,8 mm (логотип «RS-50K») | 1 | ||
| 2-4. | Подводящий провод | UL 1332# 22AWG 200℃ 300V | 2 | Белый |
| 2-5. | Кожух | Внутри наружных пластиковых волокон Φ4.5*4.6 L1=32mm, PTFE покрывая 13L 250℃ L=80mm | ||
| 2-6. | Связь | Связи кабеля | 1 | Белый |
| 2-7. | Медная прокладка | Заклепывать медную прокладку: 6,0 (заклепывающ взрыватель), 4,0 (заклепывая заземленный кабель), 2,0 (заклепывая провод сопротивления) | 6 | |
| 2-8. | Терминал | XH-2.54 & XH-3Y | 3 | Белый |
|
187 прямых терминалов замка (заклепывая взрыватель длинный конец), 187 защитить кожух (голубой) |
1 | |||
| Терминал *2 кольца 4.2*16.5 (конец заземленного кабеля + взрыватель (короткий конец)) | 1 |
| НЕТ | Деталь | Знак | Условия испытаний | MIN. | Нормальное значение | Максимальный. | Блок |
| 4-1. | Сопротивление на 25℃ | R25 |
Ta=25±0.05℃ PT≦0.1mw |
49,5 | 50,0 | 50,5 | kΩ |
| 4-2. | Значение b | B25/50 | 3910,5 | 3950 | 3989,5 | k | |
| 4-3. | Коэффициент энергопотерь | σ | Ta=25±0.5℃ | 3 | / | / | mw/℃ |
| 4-4. | Константа времени | τ | Ta=25±0.5℃ | / | / | 15 | sec |
| 4-5. | Сопротивление изоляции | / | 500VDC | 100 | / | / | MΩ |
| 4-6. | Выдержите напряжение тока | / | AC 1500V | 5 | / | / | Sec |
| 4-7. | Работая temp.range | / | / | -20 | / | +250 | ℃ |
Подобные модели зонда 50K 3950 датчика температуры термистора для умного плитаа риса








КАК ПРИКАЗАТЬ зонд 50K 3950 датчика температуры термистора для умного плитаа риса
Для того чтобы помочь вам получить точную модель, пожалуйста предложите следующую необходимую информацию:
1. Материал и размер зонда
2. обломок
3. материал и длина провода
4. терминал (обработка кабеля)
5.Or в форме чертежей можно также показать
вопросы и ответы зонда 50K 3950 датчика температуры термистора для умного плитаа риса
1.What ваш образец политика?
: Мы можем поставить свободный образец, но клиенты должны оплатить цену курьера.
2. Почему цена настолько низок?
: Вы приказываете сразу от фабрики.
3. Как могу я получить цитату и спецификации?
: Подгонян продукт, мы может произвести основанный на требованиях к клиентов.
4. Как вы делаете наше дело долгосрочное и хорошее отношение?
(1). Мы держим хорошее качество и конкурентоспособная цена для обеспечения наших клиентов помогает;
(2). Мы уважаем каждого клиента по мере того как наши друг и мы задушевно для того чтобы сделать дело и сделать друзей с ними, независимо от того, где они приходят от.
5. Что ваши термины паковать?
: Вообще, мы пакуем наши товары в нейтральных белых коробках и коричневых коробках. Если вы законно регистрировали патент, то мы можем упаковать товары в ваших заклеймленных коробках после получать ваши письма утверждения.