Контакт предохранительного патрона низкопрофильного Classis держателя панели стеклянный для взрывателя трубки 6x30mm быстрого действующего
классификация контакта предохранительного патрона 6*30 модельная контакта предохранительного патрона низкопрофильного Classis держателя панели стеклянного
Контакт предохранительного патрона ссылается на зажим для установки взрывателя. Его можно вообще разделять в: настоящий контакт предохранительного патрона и контакт предохранительного патрона автомобиля. Вообще, 3 поверхностных покрытия: никел-покрытый, полуженный и серебр-покрытый. Настоящая модель контакта предохранительного патрона вообще отражена размером установленного взрывателя, как 3*10, 3*10 размер взрывателя, и 5*20, 6*30, 10*38, самое важное эти 4 размера, относительного соответствуя размер соответствуя модель, один до одно, никакая специфическая модель
В настоящее время, материал используемый отечественными изготовителями контакта предохранительного патрона по существу латунн. Латунь самый лучший и самый проводной материал металла. Независимо от пользы контактов предохранительного патрона, медные материалы использованы как проводные несущие для много других электронных блоков. Так там любая характеристика латуни? Почему должны мы выбрать его как несущая материалов электронного блока? Пожалуйста см. свои характеристики:
1. Латунь имеет хорошую проводимость и низкое сопротивление
2. Легкий для обработки
3. Удобный гальванизировать
4. Недорогой

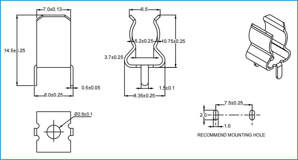
Спецификация контакта предохранительного патрона низкопрофильного Classis держателя панели стеклянного
| Имя | Контакт предохранительного патрона низкопрофильного стеклянный |
| P/N | A-505 |
| Соответствующий взрыватель | 6x30mm |
| Настоящая оценка | 15A |
| Расклассифицированное напряжение тока | 250V |
| Скорость взрывателя | медленное дуновение или быстро-действовать |
| Установка | Доска ПК |
| MPQ | 10000PCS |
Размер контакта предохранительного патрона низкопрофильного Classis держателя панели стеклянного (mm)

Требования к процесса и температуры пользы патронов предохранителя автомобиля
Когда патрон предохранителя автомобиля использован главным образом ссылает на коробку для установки взрывателя в автомобиль, свои продукты смогите эффектно быть разделено в панел-установленные патроны предохранителя автомобиля, освинцованные патроны предохранителя автомобиля, и контакты предохранительного патрона автомобиля. Панель использована для электроники автомобиля автомобиля, как усилитель автомобиля, клаксон автомобиля, автомобиль DVD и другие патроны предохранителя.
В процессе исследования и пользы патронов предохранителя автомобиля, в определенной степени, мы можем улучшить допуск своих взрывателей. Должный к своему управлению силы или своему вмешательство извне течению изменяет, перегружает в некотором ряде влияния появляет в цепь патрона предохранителя автомобиля. Когда течение перегрузки относительно большое, взрыватель должен отрезать перегрузку настоящую в пределах постоянного момента. Патроны предохранителя автомобиля могут защитить другие электронные части продукта в работая цепи в определенной степени. Когда короткое замыкание происходит в цепи и большое течение происходит, взрыватель может отрезать цепь, которая сделает их сами избегает серьезного ущерба должного к перегрузкам по току.
Патрон предохранителя в держателе патрона предохранителя автомобиля можно использовать на равном напряжения тока к или более менее чем своем расклассифицированном напряжении тока, но вообще не может быть использован для напряжения тока цепи более большого чем расклассифицированное напряжение тока патрона предохранителя, падение напряжения тока в приборе, и расклассифицированное течения на патроне предохранителя цепь.
Напряжение тока через патрон предохранителя и падение напряжения тока через патрон предохранителя имеют некоторое влияние на цепи, настолько там падение напряжения тока в регулировках, которое необходимо в регулировках. Течение перегрузки патрона предохранителя автомобиля главным образом ссылается на настоящий пропускать через цепь больше чем нормальное рабочее временя. Если течение перегрузки нельзя отрезать, то оно причинит повреждение к другим электронным блокам цепи.
Патроны предохранителя автомобиля различены согласно их размеру взрывателя. Когда в пользе, их можно эффектно разделить в большие коробки взрывателя, средние коробки взрывателя, и небольшие коробки взрывателя. Согласно материалу, их можно разделить в пластиковые коробки взрывателя и коробки взрывателя бакелита. Согласно охране окружающей среды, его можно разделить в коробку взрывателя охраны окружающей среды и не-экологическую коробку взрывателя защиты. Согласно методу установки, его можно разделить в тип тип коробка взрывателя, коробка взрывателя установки приборного щитка, etc монтажной платы коробки руководства и взрывателя.