керамический стеклянный Midget контакт предохранительного патрона 30A 1000V трубки 105 106 125 для плавкого патрона 10x38mm PV
Описание Midget контакта предохранительного патрона 30A 1000V трубки
Контакт предохранительного патрона для держателя взрывателя, включая настоящий контакт предохранительного патрона и автоматический патрон предохранителя, технология плакировка никеля, лудить и мычка
плакировка. Настоящий контакт предохранительного патрона основанный на размере 3.6x10mm взрывателя, 5x20mm 6x30mm, 10x38mm; Автоматический контакт предохранительного патрона основанный на размере взрывателя лезвия
мини контакт предохранительного патрона, средний контакт предохранительного патрона, макси контакт предохранительного патрона, обычно используемый в PCB и удобный для изменения взрывателя после дунутого взрывателя.
Выбор взрывателя основанный на размере взрывателя и течении взрывателя, космосе вышел для контакта предохранительного патрона в PCB.
Материал Midget контакта предохранительного патрона 30A 1000V трубки
Контакт предохранительного патрона A-506H сделанный латунного, залуживанный или никель покрытый, не легкий для того чтобы заржаветь, носит и коррозионная устойчивость, жалоба с RoHS.
Основные особенности Midget контакта предохранительного патрона 30A 1000V трубки
* напряжение на зажимах 1000V
* нагрузите настоящее 30A
* небольшой размер
* хорошая весна
* хорошая твердость
* славная проводимость
* прочный
* легко изменяя взрыватель
* легко взрыватель держателя
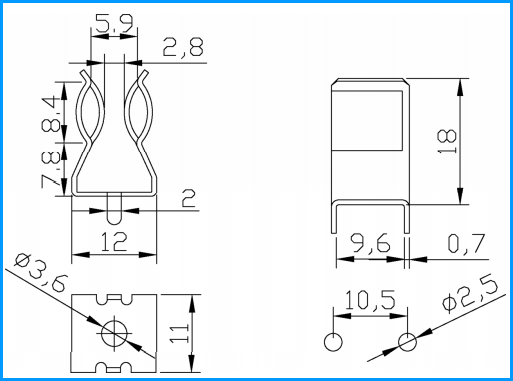
* соответствующий взрыватель 10x38mm 10.3x38mm
Спецификация Midget контакта предохранительного патрона 30A 1000V трубки
| Имя | Зажим плавкого патрона |
| Тип взрывателя | Взрыватель PV керамический |
| Напряжение тока | 1000V |
| Настоящий | 30A |
| Материал | Латунь весны, латунь бериллия или бронза светомассы |
| Толщина | 0.7mm |
| Финиш | яркий лудить или позолоченный |
| MOQ | 10000PCS |
Размер Midget контакта предохранительного патрона 30A 1000V трубки (mm)

Как различить линию материалы давления структуры вставляемых терминальных блоков?
Для pluggable терминальных блоков, особенно для 5.0/5.08 блоков тангажа терминальных, оно фактически 2 из более общих одних на рынке, одного чего рамка медной проволоки, которая в нашем в индустрии, оно медный продукт который мы часто сравниваем; в другой случай, рамка железной проволоки. В этом случае, это так называемый продукт утюга, или он можно сказать, что был продуктом полу-меди. Сам как далеко как терминал приходит, оно фактически существует как экзотический продукт. На самом деле, нам только нужен продукт с только одним видом меди. После локализации, если она поставить еду к нашей диверсификации отечественных и международного рынка или сразу из рассмотрения цены, в этом случае после этого, то, продукты утюга появятся. В окружающей среде где большинств низшие напряжения использованы, для 2 продуктов, она фактически по отоношению к пользе. Разница фактически не большая. В этом случае, она может причинить некоторые из наших связывая проволокой терминалов. Потребители сразу танцуют, или ситуация неправильного использования. Как для компонентов передачи силы и сигнала, если вы делаете неправильный выбор или использовать наши терминальные блоки, то очень правоподобно что будут большие спрятанные похороненные опасности. В этом случае, очень правоподобно что будут много спрятанные опасности. Причинил большую потерю. Здесь, мы должны сделать лучшее суждение о материале терминала. Прежде всего, мы должны судить материал терминала от возникновения, сразу демонтируем его, и после этого наблюдаем формой гофрируя рамки, и она должна соответствовать своим различным гофрируя рамкам; Если определен материал гофрируя структуры терминала, то его можно также испытать с магнитом. Рамка утюга гофрируя чего можно привлечь, и медная гофрируя рамка одно которое нельзя привлечь.