Регулярный стандартный взрыватель 50A 32V ATO/APR/ATS лезвия для автомобильной проводки провода автомобиля патрона предохранителя
Описание стандартного взрывателя 50A лезвия
Иногда вызываемая лопата или вставляемые взрыватели, автомобильные взрыватели лезвия широко использованы в автомобильном ATC OEMs.The взрыватель стал стандартом защиты сети нестандартного оборудования для чужих и отечественных автомобилей и тележек. Охотно опознаваемый и легко замененный, этот взрыватель можно определить для разнообразие применений низшего напряжения электронных.
Особенности стандартного взрывателя 50A лезвия
* свободно выберите - завершенное течение в различном пакете; 1) оптовое 1000pcs в сумку, 2) большая часть в коробке
* небольшие утилиты, большая польза - эти взрыватели 50 amp автомобильные дунут когда течение перегружено, которое может защитить вашу безопасность. Оно использован в много приборов как лампа кабины, лампа кабеля, рожок, система кондиционирования воздуха, или другие электронные продукты.
* широко совместимый - взрыватели для RV, автомобильные, тележки 2 amp, мотоцикл, турист, SUV, шлюпка, автомобильные взрыватели лезвия замены fuses.50a стандартные широко использованы в большинств автомобилях немецких & ЕС брендов для обеспечения электрической безопасности.
* легкий к обнаруженному - в дополнение к цвет-закодированный, верхняя часть взрывателя также имеет маркировки течения и напряжения тока, и их прозрачное снабжение жилищем обеспечивает легкий осмотр.
* детали продукта & подсказки - напряжение тока: 32V, течение: 50A, размер: Стандарт/регулярное (совместимый с более низким напряжением тока 12V/24V, но ТЕЧЕНИЕ и РАЗМЕР должны быть точны, проверяют ваши пожеланные размер и течение, которое определяет ли он может работать.)
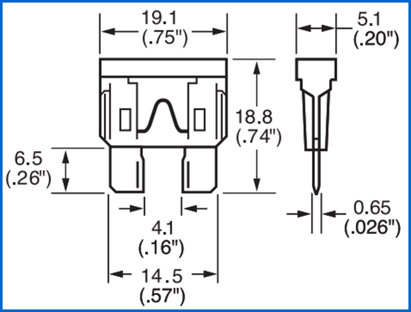
Размер стандартного взрывателя 50A лезвия (mm)

| ИМЯ ЧАСТИ | МАТЕРИАЛ |
| FUSIABLE | Цинк, олово, медь, серебр или сплавы с этими как главные компоненты |
| Пластиковое тело | ПЛАСТМАССА PA66 |
Таблица выбора стандартного взрывателя 50A лезвия
Обозначать: ярлык спецификации (расклассифицированное настоящего) взрывателя, напечатанный на обложке пластикового тела.
Шрифт не может исчезнуть и очевидно и легко увидеть. Цвета различных спецификаций
(расклассифицированное течение) следующим образом:
| Настоящий (a) | Цвет | Настоящий (a) | ЦВЕТ |
| 5 | TAN | 25 | ЕСТЕСТВЕННЫЙ |
| 7,5 | БРАУН | 30 | ЗЕЛЕНЫЙ ЦВЕТ |
| 10 | КРАСНЫЙ ЦВЕТ | 35 | Пурпур |
| 15 | СИНЬ | 40 | Свет - пинк |
| 20 | ЖЕЛТЫЙ ЦВЕТ | 50 | Светлый - розовый пурпур |
ЭЛЕКТРИЧЕСКИЙ (открытое время) стандартного взрывателя 50A лезвия
| Нагрузка (течение теста) | Раскрывая время |
| 110% | >4h |
| 135% | 0.75-1800 (s) |
| 200% | 0.15-5 (s) |
Что разные виды автомобильных взрывателей?
Ниже самые общие типы взрывателя используемые в кораблях.
Тип взрыватели лезвия. …
Взрыватели Bosch. …
Тип взрыватели стеклянной лампы. …
Взрыватели Lucas. …
Макси сверхмощные взрыватели лезвия. …
Взрыватели лезвия постоянного посетителя (ATO/ATC). …
Мини взрыватели лезвия & взрыватели лезвия низкопрофильного мини. …
Микро- 2 & микро- 3 взрывателя лезвия.


