80LET Cross LMT4 Series Single Twins Class aR Высокоскоростной британский стандартный предохранитель общего назначения 150VDC для EV HEV
Описание
Британские стандартные предохранители BS88 от CNAMPFORT могут использоваться во многих областях: промышленности, коммунальных, уличного и бытового освещения.Полный спектр имеющихся номинальных токов и напряжений, а также совместимые держатели предохранителейОни соответствуют стандартам BS88 часть 1 и 2 и IEC 60269-1 и -2
Типичные приложения
- Общий автобус.
- приводы переменного и постоянного тока
- Преобразователи мощности/ректификаторы
- Стартеры низкого напряжения
- EV HEV
- Общий автобус DC
- приводы переменного и постоянного тока
- Преобразователи мощности/ректификаторы
- Стартеры низкого напряжения
- Полупроводники
Особенности и преимущества
- Отличная способность к циклическому движению и постоянное действие
- Низкое арковое напряжение и низкое энергетическое пропускание I2t
- предохранители общего назначения для электромобилей/ВТС
- Станционная установка, необязательна для других установок
- 150ВДc идеально подходит для применения в электромобилях или электромобилях
- Отличная производительность постоянного тока
- Специально разработанная база предохранителя для автомобиля
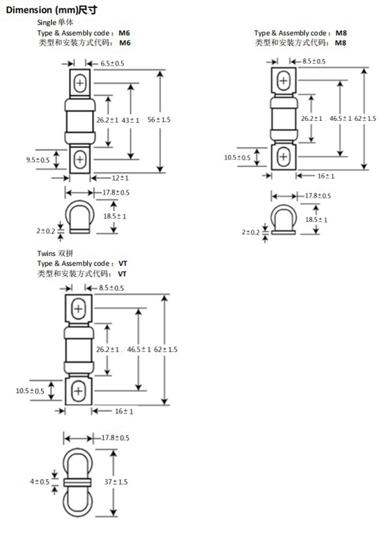
Размер

Код типа и сборки:
"M6" означает установку с одним и M6 болтами.
M8 ′ означает установку с одним и M8 болтами.
В случае, если установка не выполняется, необходимо установить специальную установку, которая позволяет установить вертикальные двойники.
Электрические характеристики серии
| Электрические характеристики | ||
| % номинального ампера (A) | Работающий | |
| Минуты | Макс | |
| 200% | 1 | 300 |
| 300% | 0.2 | 30 |
| 500% | 0.1 | 10 |
Спецификация
| Тип | Порядок заказа | Номинальный ток (A) | Номинальное напряжение (DCV) | Пропускная способность (А) | 1.0В типичном понижении напряжения (mv) | 1.0В типичных потерях мощности | |
| Одинокий | LMT4-20-XX | 20 | 150 | 10000 | 145 | 2.9 | |
| LMT4-25-XX | 25 | 140 | 3.5 | ||||
| LMT4-32-XX | 32 | 135 | 4.3 | ||||
| LMT4-40-XX | 40 | 125 | 5 | ||||
| LMT4-50-XX | 50 | 120 | 6 | ||||
| LMT4-60-XX | 60 | 117 | 7.5 | ||||
| LMT4-80-XX | 80 | 113 | 9 | ||||
| LMT4-100-XX | 100 | 110 | 11 | ||||
| LMT4-125-XX | 125 | 105 | 13 | ||||
| LMT4-150-XX | 150 | 112 | 17.8 | ||||
| LMT4-160-XX | 160 | 110 | 19 | ||||
| LMT4-180-XX | 180 | 105 | 19.5 | ||||
| LMT4-200-XX | 200 | 100 | 20 | ||||
| LMT4-250-XX | 250 | 83 | 20.7 | ||||
| LMT4-300-XX | 300 | 77 | 23.1 | ||||
| Близнецы | LMT4-400-YY | 400 | 100 | 40 | |||
| LMT4-500-YY | 500 | 90.5 | 45.2 | ||||
| LMT4-600-YY | 600 | 82 | 48.7 | ||||
Фактические фотографии



Ссылки
СМД-сигналы
| ASTM P/N | Электрический Чар. | Конкурент | ||||
| Напряжение | Текущий | Буссманн | Маленький пузырь | SIBA | Шуртер | |
| 12 100 | 24-72Vdc | 0.25-30А | 3216FF | 437 | 154000 | USF 1206 |
| 12 110 | 24-72Vdc | 0.75-20А | CC12H | 469/440 | – | UST 1206 |
| 12 113 | 125 Ват/сп. | 0.25-5А | 3216LV | 466 | – | – |
| 06 100 | 32Vdc | 0.25-8А | 0603FA | 438 | 152000 | USF 0603 |
| 06 110 | 32Vdc | 1-8А | CC06H | 441 | – | – |
| 06 122 | 63Vdc | 0.25-1.5А | – | 438 | – | – |
| PB05 | 125 Ват/сп. | 0.5-15А | 6125FF | 451 | 157000 | – |
| PB02 | 125 Ват/сп. | 0.25-7А | 6125TD | 452 | 158000 | – |
| A121001 | 125 Вдц | 50A-125A | – | 881 | – | – |
| PB06 | 125Vac/72Vdc | 20-50А | 1025HC | 456/881 | – | – |
| PB07 | 72Vdc | 40A ~ 60A | – | 456SD | – | – |
| 1040 100 | 350Vac/250Vdc | 0.5-6.3A | 1040FA | 464 | 161000 | UMK 250 |
| 1040 110 | 250 Ват | 1 ~ 5A | 1040TD | 462 | 160000 | UMZ 250 |
| А114508 | 500 Вдц/350 Вт | 1 ~ 5A | – | 885 | – | – |
Фьючерсные батареи
| ASTM P/N | Электрический Чар. | Конкурент | ||||
| Напряжение | Текущий | Буссманн | Маленький пузырь | SIBA | Шуртер | |
| HV110.PV | 1000Вдц | 1-30А | PVxxA10F | СФП | 50 215 28 | ASO |
| A10gPV | 1000Вдц | 10 ~ 20А | – | СФП | – | |
| AC10LgPV | 1500 Вдц | 2.5/3.5/4A | PV-xxA14LF10F | SPXI | – | – |
| AC10XLgPV | 1500 Вдц | 2-15А | PV-xxA14LF10F | SPXI | – | – |
Сжигатель картриджа
| ASTM P/N | Электрический Чар. | Конкурент | ||||
| Напряжение | Текущий | Буссманн | Маленький пузырь | SIBA | Шуртер | |
| HV520 | 500Vac/400Vdc | 0.5 ~ 20А | S505H | 477 | – | – |
| 62 720 | 75 Вдц | 5-63А | TCP70 | 688 | – | ТГУ |
| MV630 | 250Vac/150Vdc | 20-50А | – | 314 | – | SUT-H |
| HV660 | 500Вац/сп | 10-30А | FWH-xxA6F | 505 | 70 125 40 | A12FA 500В |
| HV681 | 500Вац/сп | 10-30А | GBH-xxA6F | 231 | 189020 | SHF |
| HV610 | 600Vac/dc | 0.2~12А | – | – | 7009463 | A12FA 660V |
| HV620 | 1000Vac/dc | 0.2~3.15A | – | 508 | 7017240 | – |
| HV110 | 1000Vac/dc | 0.44 ~ 15А | DMM-B | FLU | 50 199 06 | – |
Сжигатель для электромобилей