Взрывозащищенная голова термопары KD с широкий измерять звенела
1. Описание
Это изготовленный датчик температуры термопары измеряя, и часто метр дисплея, записывая метр и электронный регулятор. системы управления производственным процессом, сразу измерение или контроль в продукции разнообразие 0 ℃ к ℃ 1800 в объеме жидкости, средство пара и газа, так же, как температура твердой поверхности, простого собрания, легкого для изменения, чувствительный элемент температуры тростника прессы, проведение муравь-вибрации хороший, потерянный измеряя ряд, высокая механическая прочность, хорошее представление обжатия, широко используемые в электричестве, тепловой мощности, металлургии, медицине, химической промышленности, производстве машинного оборудования, etc.
2. Спецификации:
1. голова термопары KD
2. Тип: KD, весь тип доступный
3. материал: Алюминий (ADC-12), нержавеющая сталь
4. вход провода: M20*1.5, NPT1/2 „, G1/2“ „Pg16
5. вход зонда: M24*1.5, M16*1, G1/2 „, NPT1/2“ „
6. вход провода стандарта и вход зонда;
7. широкий диапазон спецификации;
8. картина высокой точности
9. аксессуар: запечатывание крышки и железа кабеля герметизируя в материале силикона свободном
10. уровень защиты: IP65 класса предохранения от приложения IEC529
11. место происхождения: Китай (материк)
12. дружественный к Эко: Да
13. MOQ: 50PCS
14. Сертификат: ISO,
15. Делать время образца: все печатают в запасе
16. Торговая термина: ОБМАНЫВАЙТЕ, EXW, CIF, CFR
17. Условие оплаты: T/T, западное соединение, PayPal
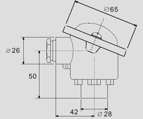
3. Технический чертеж:

4. Описание:
Головы термопары обеспечивают середины для делать термопару связи между и провод расширения, и защищают соединение против корозии, ссадины и обрыва причиненных путем регуляция.
Головы термопары легки для установки и удобны для целей проверки.
Выход для соединения проведения обеспечен с выбором продетых нитку размеров выхода для трубки защиты. Общецелевые головы доступные в алюминии или литом железе, эти головы главны в стойкости и удобстве. Быстрый действовать, закаленная струбцина провода держит отлитую в форму крышку плотно против набивки, делая положительное место. Погодостойкая голова
С головами внутренних потоков погодостойкими обеспечить полную защиту от погоды в на открытом воздухе положениях. В приюченных областях они обеспечивают большую защиту в заводах химиката и нефти.
Винт на предусматрива, с близкими подходящими потоками, затягивает против набивки. Внутренние потоки защищены от окружающей атмосферы уплотнением набивкой. Двойные волочения, объединенные с брошенной крышкой обеспечить для удаления посредством отвертки или ключа.
5. Конкурентное преимущество:
1. красивые внешний вид и хорошая работа
2. соответствующий для всех видов термопары или термального сопротивления
3. небольшое количество минимального заказа
4. Все размеры доступные
5. Сделайте голову с логотипом согласно вашему требованию
6. превосходная коррозионная устойчивость
7. влага и пыл-устойчивое
8. картина высокой точности