Штуцеры трубы титана конца стержня титана для трубы нефти и газ
Кольцо сварки встык обыкновенно как совместный или служащ фланцем, главным образом для того чтобы разрешить трубу и трубу между трубой
Применение:
Труба структуры, труба газа, труба для жидкости под высоким давлением, труба химического удобрения
Материал: Gr1 Gr2 Gr5 Gr7 Gr9 ETC., если Quanlity больше, другие материал может быть предложением также.
Больше обслуживания: Может быть предложение как ваш чертеж


Преимущество в материале титана: Сплав титана имеет низкую плотность, высокую специфическую прочность, коррозионную устойчивость, низкую термальную проводимость, нетоксическое немагнитное, weldable
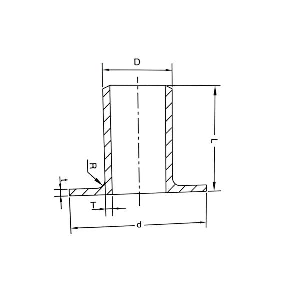
Наша компания обеспечивает титан и конец стержня сплава титана детализировал следующим образом
| DN | Сваривая диаметр выхода | L | d | T | t | R | |
| B | |||||||
| 15 | 21,3 | 18 | 38 | 41 | 2,0 | 2,0 | 2 |
| 20 | 26,9 | 25 | 40 | 56 | 2,3 | 2,3 | 2 |
| 25 | 33,7 | 32 | 40 | 65 | 2,6 | 2,6 | 3 |
| 32 | 42,4 | 38 | 42 | 76 | 2,6 | 2,6 | 3 |
| 40 | 48,3 | 45 | 45 | 84 | 2,6 | 2,6 | 3 |
| 50 | 60,3 | 57 | 48 | 99 | 2,9 | 2,9 | 3 |
| 65 | 76.1(73) | 76 | 48 | 118 | 2,9 | 2,9 | 3 |
| 80 | 88,9 | 89 | 50 | 132 | 3,2 | 3,2 | 4 |
| 100 | 114,3 | 108 | 52 | 156 | 3,6 | 3,6 | 4 |
| 125 | 139,7 | 133 | 55 | 1184 | 4,0 | 4,0 | 4 |
| 150 | 168,3 | 159 | 55 | 211 | 4,5 | 4,5 | 4 |
| 200 | 219,1 | 219 | 62 | 266 | 59 | 59 | 5 |
| 250 | 273,0 | 273 | 68 | 319 | 6,3 | 6,3 | 5 |
| 300 | 323,9 | 325 | 68 | 370 | 7,1 | 7,1 | 5 |

вопросы и ответы
1. Вы производство или торговая компания?
Реальная компания обрабатывающей промышленности, начатая от 2001, почти 20 лет. С 2 командами продаж для дела экспорта и импорта товаров, начал от 2008, больше чем 10 многолетних опытов.
2. Вы имеете преданную команду НИОКР? Можете вы конструировать продукт для нас?
Мы имеем преданную техническую команду ответственную за научные исследования и разработки. Но больший часть из штуцеров титана стандартн, мы можем следовать ASTM или другое вы спросили.
3. Можете вы обеспечить образцы? Там обязанность?
Образцы можно обеспечить для гонорара.
4. Что ваш метод оплаты?
Мы можем признавать t/t, LC, торговый заказ обеспечения от alibaba.com. Образцы предоплаченное 100%. Заказы для массового производства под 1000 USD, 100% предоплаченным, над 1000 USD, предоплаченное 30%, и 70% оплаченное перед доставкой.
5. Сколько времени ваш срок поставки?
Образцы инвентаря: внутри 3 продукта рабочих дней для оптовых заказов: 25-30 дней в нормальных условиях.
6. продукты После-продаж, как общаться с проблемами?
Основанный на нашей статистике на каждый год, вероятность проблем с продуктами титана около 0,8%. 2 главной причины для проблемы:
1) Среди продуктов которые имеют проблемы, 93% поставлены не на место в связи пре-продаж, и продукт что клиенту действительно не ясен.
2) 5% непредвиденная ситуация и расширение срока строительства.
3) 2% проблема транспорта и упаковки. Во время перевозки на дальние расстояния, упаковка повреждена и поверхность повреждена.
7. Что ответ вашей компании к продукту в вопросе?
1) Подтвердите и обвините для вопросов связи пре-продаж. Компенсация отрегулирована согласно пропорции пассива.
2) Мы 100% ответственное за проблемы причиненные поврежденной упаковкой во время транспорта.
Бирка: Тройник титана, тройник титана перекрестный, тройник титана приспосабливая, обрезанный конец титана, фабрика, поставщик титана изготовителя