Чистый медный удлинительный кабель RJ45 с ухом зафиксированным с мужчиной сети отверстия RJ45 винта к женскому удлинительному кабелю TMCABLE060123
Кабель RJ45 для соединения локальных сетей
Кабель ethernet имеет соединители RJ45 на обоих концах. По этой причине, кабели ethernet иногда обозначены как кабели RJ45. Эти кабели обыкновенно использованы для подключения компьютеров с сетями локальных сетей. Соединитель RJ45 подобен соединителю 6-штыря RJ11, но 45 немножко шире. В виду того что каждый соединитель имеет 8 штырей, кабель ethernet RJ45 будет иметь 8 проводов других цветов. Кабели RJ45 можно направить согласно 2 различным схемам, T-568 a или b, в зависимости от приборов, который нужно соединиться в сети. Кабели кроссовера имеют различную связывая проволокой схему на каждом конце для того чтобы поддержать соединения компьютерн к компьютера.
Материалы:
СОЕДИНИТЕЛЬ P1 (RJ45 ДЖЕК):
Снабжение жилищем: PBT, ЧЕРНОЕ, UL94V-0 (RoHS)
Держатель: LCP, ЧЕРНОЕ, UL94V-0 (RoHS)
Материал контакта: Плакировка никеля иглы OD=0.2*0.35mm плоская, лудя, плакировка золота площади контакта (RoHS)
Плакировка золота: Fu» (опционное)
Защищать раковину: сплав меди толщины 0,2 mm с плакировкой никеля над всеми
СОЕДИНИТЕЛЬ P2 (ШТЕПСЕЛЬНАЯ ВИЛКА США):
Снабжение жилищем: ПК, UL94V-0 (RoHS)
Материал контакта: Плакировка никеля сплава меди T=0.3mm, плакировка золота площади контакта (RoHS)
Плакировка золота: Fu» (опционное)
Защищать раковину: Медный сплав с плакировкой никеля над всеми
КАБЕЛЬ: PVC ЧЕРНОТЫ FTP 24AWG*4P (7/0.20Because) +AEB OD5.8mm (RoHS)
ПРЕССФОРМА: Чернота UL94V-0 PVC (RoHS)
Защищать: С
Все ответные части материалов с modulat затыкают соответствовать F. subpart части 68 FCC.
Структура продукта:
КАБЕЛЬ RJ45
Одна штепсельная вилка до одна поднимает кабель домкратом
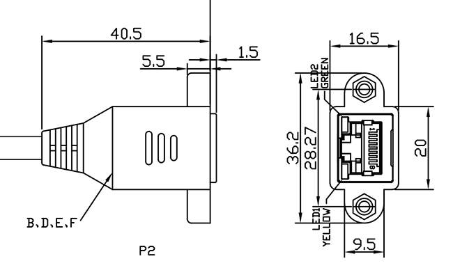
Длина КАБЕЛЯ: 300 mm
Дистанционирование отверстия замка соединителя RJ45: 28,27 mm
Размер отверстия замка соединителя RJ45: M3
8P8C (8 положений 8 контактов)
180°Orientation
Без СИД, позвольте для того чтобы знать состояние соединения
С экраном, смогите быть подгоняно по мере необходимости
Мы поддерживаем индивидуальное обслуживание по мере необходимости
Атрибуты кабеля соединителя RJ45 (TMCABLE060123):
| Модель: | |
| Место происхождения: | Гуандун Китая |
| Аттестация: | UL, Rohs, достигаемость, ISO9001 |
| Тип продукта : | Кабель соединителя RJ45 |
| Тип Джек: | RJ45 |
| Номер положений: | 8 |
| Терминалы в порт: | 8 |
| Вариант СИД: | Никакой |
| Защищенный: | Да |
| Цвет кабеля: | Черный |
| Durrability: | 750 ЦИКЛОВ МИНИМАЛЬНЫЙ |
| Минимальный заказ: | 500 ПК |
| Пакет: | 1ПК/сумка |
| Размер коробки: | / |
| Срок поставки: | 20 дней |
| Условия оплаты: | |
| Способность поставки: | 300K/year |
Чертеж Mechnical кабеля соединителя RJ45 (TMCABLE060123):






