4,2 ПОГРУЖЕНИЕ экрана Одно-порта с платой плиты РДЖ45 модульного Джека раковины ВВЕРХ ПО 1кс1 с СИД ТМ58Д811ЭС114
Структура продукта:
РДЖ45 Джек
1 кс 1 порт/одиночный порт порта/СМТ
Защелка вверх
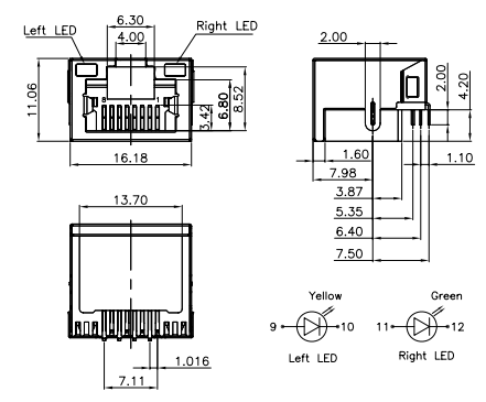
Длина соединителя: 15,72 мм
Ширина соединителя: 14,80 мм
Высота соединителя: 10,83 мм
Длина Пин припоя Термимал: 2,0 мм
8П8К (8 положений 8 контактов)
90°Ориентатион
С СИД Л-ИЭЛЛОВ, Р-ГРЭЭН, позволило для того чтобы знать состояние соединения
Без экрана, смогите быть подгоняно по мере необходимости
Мы поддерживаем индивидуальное обслуживание по мере необходимости
РДЖ45 без атрибутов трансформатора (ТМ58Д811ЭС114):
| Модель: | ТМ58Д811ЭС114 |
| Место происхождения: | Гуандун Китая |
| Аттестация: | УЛ, Рохс, достигаемость, ИСО9001 |
| Тип продукта : | Модульный соединитель РДЖ45 |
| Тип Джека: | РДЖ45 |
| Номер положений: | 8 |
| Терминалы в порт: | 8 |
| Вариант СИД: | ДА, Л-ИЭЛЛОВ/Р-ГРЭЭН |
| Защищаемые платы ЭМИ: | Нет |
| Оценка напряжения тока: | 125 в |
| Настоящая оценка: | 1,5 а |
| Контактное сопротивление: | 30мΩ |
| Сопротивление изоляции: | 500 ДК МИНУТЫ МΩ @ 500В |
| Сопротивление диэлектрика: | 1000В АК РМС 50Хз. 1МИН |
| Дуррабилиты: | 750 ЦИКЛОВ МИНИМАЛЬНЫЙ |
| Минимальный заказ: | 5000пкс |
| Пакет: | 250пкс/трай, 5000пкс/картон |
| Размер коробки: | 34*34*27км |
| Срок поставки: | 20 дней |
| Условия оплаты: | Т/Т, западное соединение, ПайПал |
| Способность поставки: | 5КК/еар |
