Штепсельная вилка удлинительного кабеля РДЖ45 сети РДЖ45 к РДЖ45 разъем-розетке ТМКАБЛЭ060116
Атрибуты кабеля соединителя РДЖ45 (ТМКАБЛЭ060116):
| Модель: | ТМКАБЛЭ060116 |
| Место происхождения: | Гуандун Китая |
| Аттестация: | УЛ, Рохс, достигаемость, ИСО9001 |
| Тип продукта : | Кабель соединителя РДЖ45 |
| Тип Джека: | РДЖ45 |
| Номер положений: | 8 |
| Терминалы в порт: | 8 |
| Вариант СИД: | Нет |
| Защищенный: | Нет |
| Цвет кабеля: | Чернота |
| Дуррабилиты: | 750 ЦИКЛОВ МИНИМАЛЬНЫЙ |
| Минимальный заказ: | 500 ПК |
| Пакет: | 1ПК/сумка |
| Срок поставки: | 20 дней |
| Способность поставки: | 500К/еар |
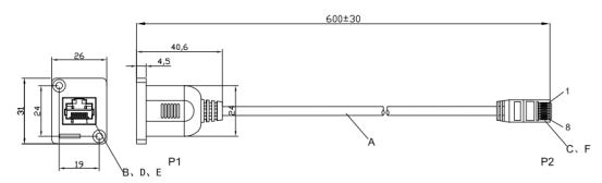
Структура продукта:
КАБЕЛЬ РДЖ45
Одна штепсельная вилка к один кабель джак
Длина КАБЕЛЯ: 600 мм
Дистанционирование отверстия замка соединителя РДЖ45: 19*24 мм
8П8К (8 положений 8 контактов)
180°Ориентатион
Без СИД, позвольте для того чтобы знать состояние соединения
Без экрана, смогите быть подгоняно по мере необходимости
Мы поддерживаем индивидуальное обслуживание по мере необходимости
Чертеж Мечникал кабеля соединителя РДЖ45 (ТМКАБЛЭ060116):
