тип установки магнитного ПОГРУЖЕНИЯ соединителя 1Г ПОЭ РДЖ45 длины 33.02мм соответствующий для КАТ5&6 голодает кабель етернет ТМ411В07ДИА11700
Соединитель РДЖ45 с описанием трансформатора (ТМ411В07ДИА117007):
350уХминимум ОКЛ с током смещения 8мА
Высокая эффективность для максимального подавления ЭМИ
Минимальная изоляция 1500Врмс в требование к ИЭЭЭ 802,3
РДЖ45 без атрибутов трансформатора (ТМ411В07ДИА117007):
| Номер модели | ТМ411В07ДИА117007 |
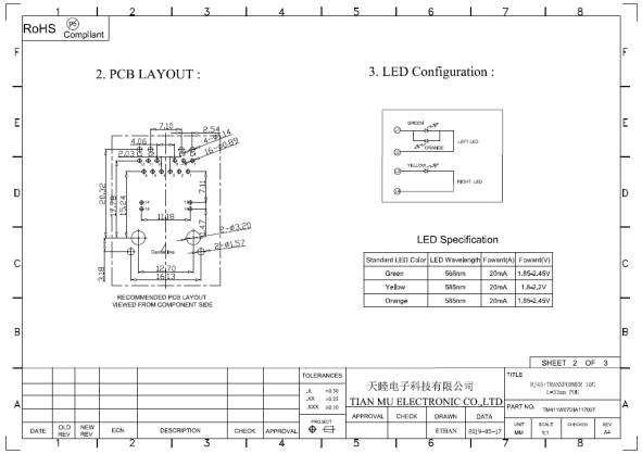
| ДЛИНА | 32.5мм |
| МАТЕРИАЛ СНАБЖЕНИЯ ЖИЛИЩЕМ | ПБТ УЛ94В-0 |
| ПЛАКИРОВКА ЗОНЫ КОНТАКТА СОПРЯГАЯ | ПЛАКИРОВКА ЗОЛОТА 6У» |
| ТИП СОЕДИНИТЕЛЯ | РДЖ45 |
| ЦВЕТ МАТЕРИАЛА СОЕДИНИТЕЛЯ | ЧЕРНОТА |
| ВАРИАНТ СИД | ЛЕВОЕ ГН-ОР, ПРАВЫЙ ИЭ |
| КОЛИЧЕСТВО ПОРТОВ | 1С1 |
| КОЛИЧЕСТВО КОНТАКТОВ | 12 |
| ЗАЗМЕЛЕНИЕ ВАРИАНТОВ | Земля панели и земля ПКБ |
| МАТЕРИАЛ ПЛАКИРОВКОЙ ЭКРАНА | НИКЕЛЬ |
| ПЛАТЫ ЭМИ ЭКРАНА | ДА |
| ЭКРАН | ДА |
| РОХС УСТУПЧИВОЕ | ДА |
| СТОП ПАНЕЛИ | ДА |
| УГОЛ ДЕРЖАТЕЛЯ ПКБ | БОРТОВОЙ ВХОД |
| ПАКЕТ | ПОГРУЖЕНИЕ |
| СОЕДИНИТЕЛЬ & КОНТАКТ ТЭРМИНААТЭС К | Плата с печатным монтажом |
| ОРИЕНТАЦИЯ ЗАЩЕЛКИ | ЗАЩЕЛКА ВВЕРХ |
Применения разъем-розетки РДЖ45 (ТМ411В07ДИА117007):
карта 10/100М чистая, карта сети ПКМКИА, эпицентр деятельности УСБ, переключатель сети, маршрутизатор, приемопередатчики оптического волокна, оптически приемопередатчик, телефон ИП, телевизионная приставка интернета, камера интернета, чистый мост, компьютер, радиосвязь, МОДЭМ,
ХомеПНА, ДСЛ/АДСЛ и так далее.
Чертеж Мечникал разъем-розетки РДЖ45 (ТМ411В07ДИА117007):

