Метр вращающего момента фланца SLJN 1-5000Nm 0.5%FS экономический статический двойной
Сводка
Датчики вращающего момента серии SLJN статические специально использованы для того чтобы измерить статические параметры вращающего момента. SLJN-MN экономическая модель SLJN-HN. Эта серия датчиков вращающего момента принимает технологию измерения моста напряжения электрическую. Особенный тензометрический датчик кручения сразу сделан на эластичном вале, и мост Wheatstone сформирован. Этот продукт имеет характеристики высокой точности, хорошей стабильности и легкой установки, которая широко использована в статической измерительной системе вращающего момента.
Характеристики продукта
Рабочие параметры
| Емкость перегрузки: | 120% |
| Выходной сигнал: | 4-20mA |
| Класс точности: | 0,5% |
| Электропитание: | 24 VDC |
| Частота ответа: | 100 μ s |
| Сопротивление изоляции | > 200m Ω |
| Нул смещений < | <0.5% |
| Повторимость | < 0,1% |
| Линеарности | < 0,1% |
| Запаздывание | < 0,1% |
| Температура окружающей среды | - 40-60 ℃ |
| Относительная влажность | < RH 90% |
| Температурная амплитуда рабочей температуры | - 10-70 ℃ |
| Диапазон температур хранения | - 25-85 ℃ |
| Амплитуда датчика: | 10V |
| Расход энергии датчика | ≈ 4W |
Модель
| модель | ряд вращающего момента (Nm) | Max.torque (Nm) | Угол вращения (°) |
| SLJN-MN01 | 1 | 1,2 | <360 |
| SLJN-MN02 | 2 | 2,4 | <360 |
| SLJN-MN05 | 5 | 6 | <360 |
| SLJN-MN10 | 10 | 12 | <360 |
| SLJN-MN25 | 25 | 30 | <360 |
| SLJN-MN50 | 50 | 60 | <360 |
| SLJN-MN100 | 100 | 120 | <360 |
| SLJN-MN200 | 200 | 240 | <360 |
| SLJN-MN500 | 500 | 600 | <360 |
| SLJN-MN1000 | 1000 | 1200 | <360 |
| SLJN-MN2000 | 2000 | 2400 | <360 |
| SLJN-MN3000 | 3000 | 3600 | <360 |
| SLJN-MN5000 | 5000 | 6000 | <360 |
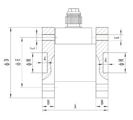
Размеры

| Ряд (Nm) | | B | C | D | E | F | K | G |
| 0-1,2,5 | 60 | 10 | M5 | 55 | 45 | 45 | 4-M5 | 20 |
| 0-10,25,50,100,200 | 65 | 12 | M8 | 70 | 50 | 50 | 6-M8 | 20 |
| 0-500,1000,2000 | 75 | 18 | M10 | 100 | 80 | 80 | 8-M10 | 75 |
| 0-3000,5000 | 85 | 22 | M12 | 130 | 100 | 100 | 12-M12 | 75 |
| 0-10000,20000 | 98 | 25 | M16 | 218 | 186 | 186 | 12-M16 | 145 |
| 0-30000 | 106 | 30 | M18 | 248 | 218 | 218 | 12-M18 | 155 |
| 0-50000 | 110 | 32 | M20 | 265 | 232 | 232 | 12-M20 | 180 |
вопросы и ответы
Q: Что количество минимального заказа для нашего сотрудничества?
: Мы поддерживаем небольшой заказ следа ПК 1 для продуктов запаса.
Q: Как могу я выучить больше о продуктах?
: Пожалуйста выйдите ваша электронная почта и мы отправим вами вашу электронную книгу образца.
Q: Что ваше условие оплаты?
: Депозит нормально 30% T/T, оплачивает полностью перед пересылкой.
Q: Что время выполнения для моих заказов?
: Силомеры цикл продукция 6-8 недель, датчики цикл prodction 2-3 недели, другие продукты угодите контактируйте с нами.
Q: Как мы получаем общее решение стенда теста?
: Выйдите нам ваша электронная почта, наш технический штат свяжет с вами о детально разработанном плане.
Q: Могу я прийти посетить вашу фабрику?
: Конечно, вы всегда радушны для того чтобы иметь посещение.
О нас
CO. технологии SeeLong умное (Лояна Хэнаня), LTD., профессиональная продукция предприятий обслуживаний автомобильного испытательного оборудования электрической системы высокотехнологичных. SeeLong расположено в городе пиона (известном для пионов) -- Лоян, который также старая столица 13 династий.
Почему выберите нас
После лет развития и накопления, компания имеет, который стали предприятия известные продукции испытательного оборудования powertrain. Специализирующ в тесте двигателя, тесте передачи, тесте накопления энергии, контролях и тесте электрического двигателя и других исследовании испытательного оборудования, развитии и обслуживании продукции. Компания устанавливала долгосрочное сотрудничество с университетом tsinghua, университетом Шаньдуна и много других отечественных научных заведений. Мы успешно проходили аттестацию системы качества ISO9001, получили дюжину из патентов вымысла и 2 авторских прав программного обеспечения. Мы обеспечили профессиональные услуги и оборудование для больше чем 100 потребителей в стране и за рубежом и что продолжающийся теперь и будет продолжаться в будущем.
Перспектива сотрудничества
Дружелюбное сотрудничество обеспечивает вас изделия высокого качества и долгосрочное профессиональное послепродажное обслуживание.