ESHX056TN53-01 размер панели 5,6-дюймовый LCD модуль и количество точек 640x480 и 40 штифтов 18-битный RGB интерфейс, угол обзора 12:00O'clock, высокая яркость 800cd / м2,
A: Параметр продукта
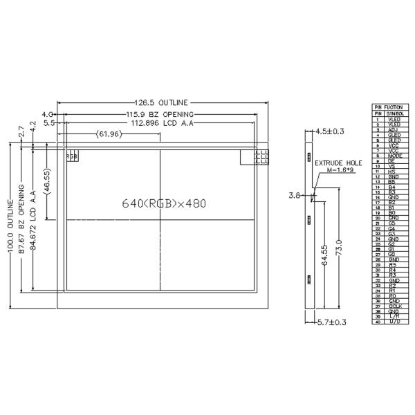
| Часть No: | ESHX056TN53-01 |
| Размер панели | 5.6 дюймовая панель |
| Тип ЖК | ТН |
| Размер модуля | 126.50*100.00*5.70 |
| Область отображения | 112.896*84.672 |
| Количество точек | 640*480 |
| Угол обзора | 12:00 |
| Модуль-дирижер IC | / |
| IC драйвера CTP | / |
| Пины интерфейса | 40 пин 18 бит RGB |
| Номера светодиодов | 3 шт. |
| Просветительность | 800cd/м2 |
| Операционная температура | -20 ~ +70 |
| Температура хранения | -30 ~ +80 |
| с ТП или без него | / |
B:Изображение продукта



C:Рисунок

D:Знания о продуктах TFT
диаграмма потока tft ввода субстрата и CF ввода субстрата, как показано ниже

Структура ТФТ ниже

E: Информация о компании
Преимущества Huaxin:
1. заводская база расположена в городе, который имеет экономически эффективный
2. новейшее оборудование, которое может поддерживать стабильное качество
3. большинство процессов используют полностью автоматическое оборудование, которое имеет эффективность и стабильное качество
4. профессиональные инженеры и руководители производства, работающие в области ЖК-дисплеев более 20 лет
5. самостоятельный дизайн для индивидуального продукта
наши сертификаты
1.ISO14001/
2.ISO9001/IATF16949
3.SGS LCD-модуля
F: Производственная мощность
| Годовое производство Мощность |
2021 год (текущий) | 2022 год (цель) | 2023 (вызов) | 2024 (проблема) | 2025 год (вызов) | Примечание | ||
| ЖК-дисплей Мощность |
4.5 | 9 | 9 | 9 | 9 | Единица: тысячи Логарифмы/день |
||
| Продукт LCM Мощность |
70 | 150 | 300 | 450 | 450 | Единица: Тысяча кусок/день |
||
| Подсветка продукта Мощность |
100 | 200 | 300 | 500 | 500 | Единица: Тысяча кусок/день |
||
| Продукт OLED Мощность |
10 | 20 | 30 | 40 | 50 | Единица: Тысяча кусок/день |
||
G: Применение продукта
1. навигация автомобиля и принтер
2. видеозвонки и реклама
3Автомобильные и медицинские изделия
4Фитнес-оборудование и портативные устройства
5Промышленный контроль и домашнее применение
H: Характеристики TFT дисплея
1Качество изображения: TFT-дисплеи предлагают отличное качество изображения с высоким разрешением, четкостью и точностью цвета.
2Время отклика: TFT-дисплеи имеют быстрое время отклика, что означает, что они могут быстро включать и выключать пиксели.
3.Угол обзора: TFT-дисплеи обычно обеспечивают широкие углы обзора,позволяет четко просматривать экран с разных позиций и углов без значительных сдвигов цвета или потери качества изображения.
4Энергоэффективность: TFT-дисплеи энергоэффективны по сравнению с другими технологиями отображения.
5Размер и гибкость: TFT-дисплеи могут быть изготовлены в различных размерах, начиная от небольших экранов для портативных устройств до больших панелей для телевизоров и мониторов.
6.Заднее освещение: для освещения экрана большинству ТФТ-дисплеев требуется система подсветки, такая как светодиод (LED).
7Широкое применение:
I: Есть ли какие-либо недостатки или ограничения в использовании TFT-дисплеев?
1Ограниченные углы обзора:
2Ограниченное соотношение контрастности
3. Заднее освещение и расход энергии
4Время отклика и размытие движения
5Ограниченная гибкость
6Ограниченный цветовой диапазон