ESHX120AWN20A представляет собой 1,2-дюймовый круглый цветовой модуль OLED-дисплея, разрешение 390X390, интерфейс Mipi 20 пин, управляющий IC W022, яркость 350CD / M2
A:Параметр продукта
| Часть No 1. | ESHX120AWN20A | ||
| Технология отображения | AMOLED | ||
| Диагональный размер экрана | 10,2-дюймовый круглый OLED | ||
| Резолюция | 390X390 | ||
| Угол обзора | все | ||
| Операционная температура | -20 ~ +70 °C | ||
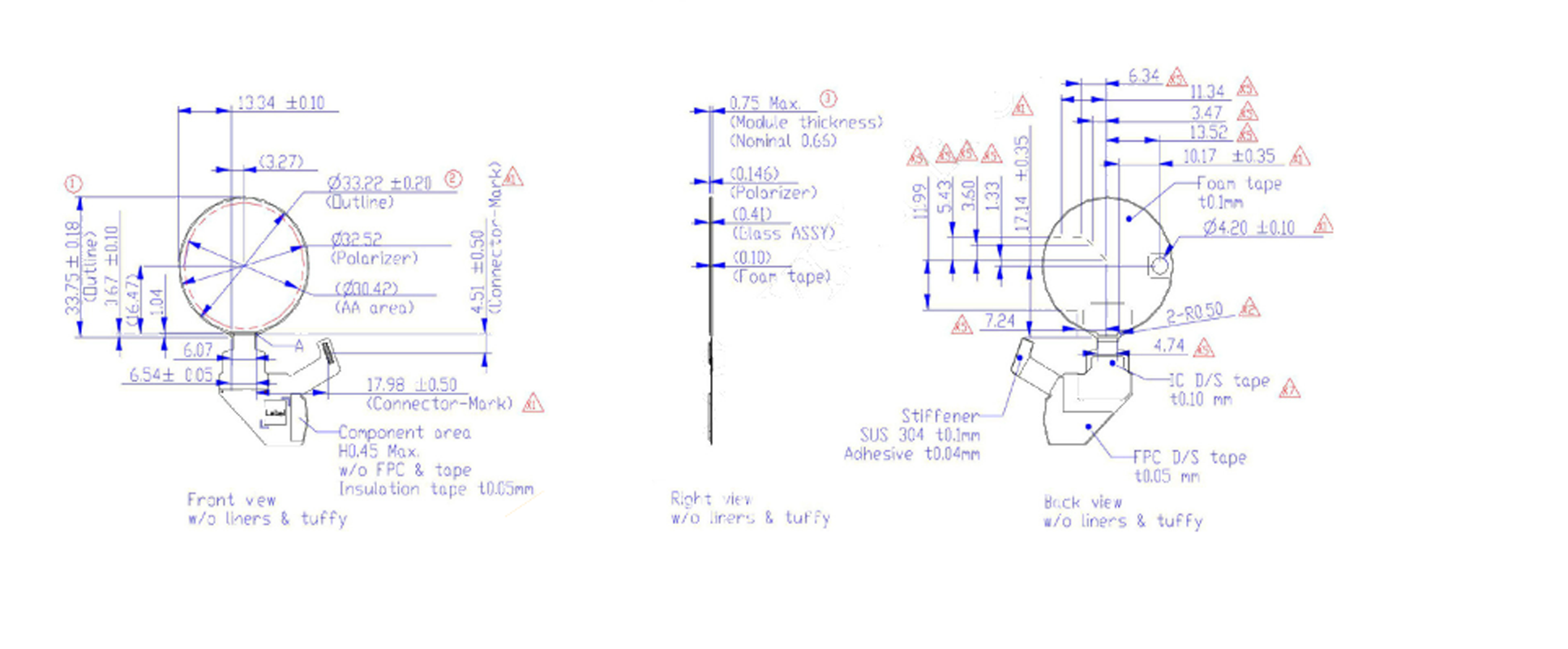
| Активная площадь (мм) | 30.42х30.42 мм | ||
| Размер панели ((мм) | 33.22X33.75X0.656MM | ||
| Яркость ((cd/m2) | 350CD/м2 | ||
| Интерфейс | MIPI | ||
| Пин к'ти | 20 PINS | ||
| Соотношение контраста | 10000:1 | ||
| ИК управления | W022 | ||
| сенсорная панель | / | ||
B: Изображение продукта



C: Определение рисунка & Pin


D: Знания о продуктах Oled
OLED Преимущества:
OLED-аппараторы легче и тоньше, чем ЖК-дисплеи, высокий контраст, высокая насыщенность цветом, меньшее потребление
Недостатки OLED
AMOLED очень дороже, чем LCD и TFT, срок службы короче, чем LCD и TFT
E: Информация о компании
Преимущества Huaxin:
1. заводская база расположена в городе, который имеет экономически эффективный
2. новейшее оборудование, которое может поддерживать стабильное качество
3. большинство процессов используют полностью автоматическое оборудование, которое имеет эффективность и стабильное качество
4. профессиональные инженеры и руководители производства, работающие в области ЖК-дисплеев более 20 лет
5. самостоятельный дизайн для индивидуального продукта
наши сертификаты
1.ISO14001/
2.ISO9001/IATF16949
3.SGS LCD-модуля
F: Производственная мощность
| Годовое производство Мощность |
2021 год (текущий) | 2022 год (цель) | 2023 (вызов) | 2024 (проблема) | 2025 год (вызов) | Примечание | ||
| ЖК-дисплей Мощность |
4.5 | 9 | 9 | 9 | 9 | Единица: тысячи Логарифмы/день |
||
| Продукт LCM Мощность |
70 | 150 | 300 | 450 | 450 | Единица: Тысяча кусок/день |
||
| Подсветка продукта Мощность |
100 | 200 | 300 | 500 | 500 | Единица: Тысяча кусок/день |
||
| Продукт OLED Мощность |
10 | 20 | 30 | 40 | 50 | Единица: Тысяча кусок/день |
||
G: Применение продукта
1.безопасное устройство и прибор
2.замок и умный дом
3.передатчик и часы
4. смотреть и слушать
5.коллиматор и навигатор
H: Характеристики AMOLED-дисплея
1.Селф-Э пиксели:
2Контрастный коэффициент:
3Точность цвета и яркость:
4- Угол обзора:
5Эффективность питания:
6Тонкость и гибкость:
7Время ответа:
I: Как энергоэффективность AMOLED-дисплеев сравнивается с другими технологиями дисплея?
1Потребление энергии:
2.Зависимость от контента:
3Контроль яркости:
4. Размер экрана