
Клапан соленоида поршеня масла воды газа давления нержавеющей стали поставки фабрики описания высокий
Клапаны соленоида нержавеющей стали приводы для систем управления автоматизации производственного процесса. Ее можно автоматически раскрыть или закрыть после получать электрический сигнал управления осуществить управление включеный-выключеных или подачи регулировки жидкостного средства в трубопроводе.
Клапан соленоида поршеня масла воды газа давления нержавеющей стали поставки фабрики спецификации высокий
| Средство пользы: | различные жидкости газа как пар, горячая вода, высокотемпературное масло, воздух, etc |
| Жидкая температура: |
PTFE: -20°C | 200°C VITON: -10°C ~120°C |
| Давление деятельности: | 0,05 | 1.60MPa |
| Материал тела клапана: | латунь или нержавеющая сталь sus304 (sus316 материал доступен), порекомендованы, что использует продукты тела нержавеющей стали, которые могут улучшить ненадежность клапана соленоида должного к тепловому расширению |
| Размер соединения: | G или поток NPT, 3/8", 1/2», 3/4", 1" 1 1/4", 1 1/2», 2" |
| Диаметр (mm): |
DN 12, 15, 20, 25, 32, 40, 50 25F, 32F, 40F, соединение фланца 50F |
| Опционное напряжение тока: |
DC: 12V, 24V AC: 220/230V 110/120V 24V 50/60HZ |
| Тип катушки: | S21H, 22VA (AC), 14W (DC), IP65, 100%ED |
Материал клапана соленоида поршеня масла воды газа давления главной нержавеющей стали поставки фабрики частей высокого
Тело клапана: уплотнение латуни или нержавеющей стали 304: PTFE или Viton
Поршень: кольцо поршеня нержавеющей стали 304: Графит PTFE
Передвижной и фиксированный металлический стержень: основание трубки изоляции нержавеющей стали 1J117 магнитные и трубка: весна металлического стержня нержавеющей стали 304 и другие аксессуары: нержавеющая сталь 304
Параметры клапана соленоида поршеня масла воды газа давления нержавеющей стали поставки фабрики высокого
Серия CP32. Нормально открытая катушка S21H. Максимальное соединение потока давления 1.60MPa

| Модель нет. | CP3212X X X | CP3215XX X | CP3220XX X | CP3225XX X | CP3232XX X | CP3340XX X | CP3250XX X |
| Длина (a) | 75 | 75 | 83 | 100 | 130 | 130 | 155 |
| Ширина (b) | 48 | 48 | 60 | 72 | 96 | 96 | 122 |
| высота (c) | 118 | 118 | 127 | 140 | 140 | 140 | 149 |
| Расстояние соединения (d) | 13,5 | 13,5 | 16,5 | 25 | 28 | 28 | 34 |

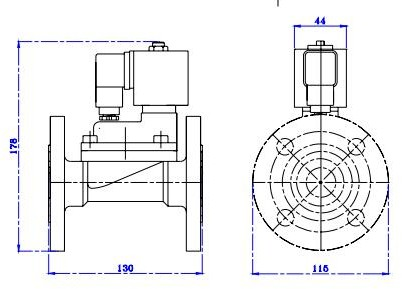
Серия CP32. Нормально открытая катушка S21H. Максимальное соединение фланца давления 1.60MPa

| Модель нет. | CP3225FXXX | CP3232FXXX | CP3240FXXX | CP3250FXXX |
| Длина (a) | 130 | 160 | 160 | 190 |
| Ширина (b) | 115 | 140 | 150 | 165 |
| Высота (c) | 175 | 187 | 187 | 200 |
| Соединяясь расстояние (d) | 57,5 | 69 | 75 | 82,5 |

Клапан соленоида поршеня масла воды газа давления нержавеющей стали поставки фабрики проводника выбора высокий

