разделение нечистот slurry воды/объединенный электромагнитный измеритель прокачки с водоустойчивым счетчиком- расходомером IP68
Счетчик- расходомер счетчика- расходомера slurry цемента трубопровода нечистот описания электромагнитный с песком
Умный электромагнитный счетчик- расходомер состоит из 2 частей, датчика и конвертера. Он основан на работе закона Фарадея электромагнитной индукции, используемого для того чтобы измерить проводимость больше чем расход потока 5μS/см проводной жидкостный объемный, измерение подачи тома проводного средства для метра индукции. В дополнение к измерению подача тома проводной жидкости, его можно также использовать для того чтобы измерить том однородной жидкост-твердой двухфазовой подачи жидкостного подвеса кислоты и алкалиа и других сильных въедливых жидкостей и slurries, пульпы и пульпы бумаги. Применения для напитков, химикатов, фармацевтической продукции, нефти, отработанной воды, воды, минирования, переработки минерального сырья, силы, пульпы и химических промышленностей paper.and. Магнитные счетчики- расходомеры использованы в заводах водоочистки для того чтобы измерить обработанные и необработанные нечистоты, отростчатую воду, воду и химикаты. Применения перерабатывающей промышленности Miningand минеральные включают отростчатую воду и отростчатые подачи подачи slurry и тяжелых средств массовой информации.
Счетчик- расходомер детального счетчика- расходомера slurry цемента трубопровода нечистот изображений электромагнитный с песком


Счетчик- расходомер счетчика- расходомера slurry цемента трубопровода нечистот спецификации электромагнитный с песком
| Ряд проводимости | Измеренное жидкое condutivity≥5μs/cm |
| Сопротивление нагрузки | 0 | 10mA 0 | 1.5KΩ |
| Текущий объем производства | 4 | 20mA 0 | 750KΩ |
| Выход частоты цифров | Предел частоты выхода транзистора может быть установил с оптически изоляцией внутри двухнаправленный выход открыт-сборника 1~5000Hz. Внешнее электропитание повернутое течение сборника ≤35V максимальное 250mA |
| Электропитание | AC 220V или DC 24V |
| Длина прямых требований к трубы | Вверх по Stream≥5DN, вниз с Stream≥2DN |
| Соединение | используйте между метром и пускающ соединение по трубам фланца, размеры фланца исполнят с обеспечениями GB11988 |
| Уровни взрыва | Exd II BT4 |
| Класс защиты | IP65, специальное распоряжение до IP68 |
| Температура окружающей среды | -25℃ | +60℃ |
| Относительная влажность | 5% | 95% |
| Полный расход энергии | Чем 20W |

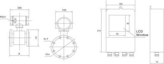
Счетчик- расходомер счетчика- расходомера slurry цемента трубопровода нечистот размера электромагнитный с песком

Счетчик- расходомер счетчика- расходомера slurry цемента трубопровода нечистот особенности электромагнитный с песком
1. Датчик принимает общую сваривая структуру, хороший герметизировать
2. Запишите измерение от измеренных средств массовой информации давления, температуры, плотности, выкостности и других физических параметров
3. С функциями измерения проводимости, может различить ли регулятор датчика
4. Используя шестнадцатиразрядный врезанный процессор микроконтроллера, быстрая скорость вычисления, высокая точность
5. С двухсторонней функцией измерения подачи, смогите показать позитв и обратный поток, процент, скорость подачи
6. С двухсторонней функцией измерения подачи, смогите показать позитв и обратный поток, процент, скорость подачи
7. Цифровое информационное наполнение обрабатывая, сильная противоинтерференционная способность, надежное измерение, высокая точность
8. низкое электропитание переключателя EMI для вентилятора изменения напряжения тока электропитания на большой, представление EMC хорошо
9. С данных по и диагностики диагноза
10. Смогите обеспечить взрывозащищенный тип
Счетчик- расходомер счетчика- расходомера slurry цемента трубопровода нечистот выбора электромагнитный с песком


