Дифференциала размножения палаты манометра перепада давления описания манометр микро- отрицательный
Манометр перепада давления горячего воздуха продажи микро- используемый для того чтобы измерить давление вентилятора и воздуходувки, сопротивление фильтра, скорость ветра, давление печи, перепад давления плиты отверстия, уровень воды пузырей и жидкостный усилитель или давление гидравлической системы. Манометр перепада давления используя бесфрикционные магнитные компоненты, может быстро измерить воздух микро-давления или безгремучертутные газы, включая положительное, отрицательное давление, давление вакуума или перепад давления.
Манометр детального дифференциала размножения палаты манометра перепада давления изображений микро- отрицательный


Отличает манометром микро- дифференциала размножения палаты манометра перепада давления отрицательным
1.Visual показывают диаграммы в виде вертикальных полос процента давления
2.Can осуществляют коррекцию тарировки собственной личности
скорость 3.Acquisition может быть установила на (0.3~10) s/time
время работы от батарей 4.The до 5 лет
технология 5.The изоляции сигнала и анти- взаимодействия электромагнитных и радиочастоты
технология стабилизации собственной личности 6.Zero, технология компенсации влияния температуры
Дифференциала размножения палаты манометра перепада давления спецификаций манометр микро- отрицательный
| Деталь | горячий цифровой манометр перепада давления |
| Размер датчика | 4" dia. x 2-3/16 " глубоко. |
| Точность | ±2% из в натуральную величину (± 3% на 0, - 100Pa, - 125Pa, 100mm и ± 4% на рядах -00, - 60pa, - 6mm) |
| Ряд доступный | -20 inHg к 15 psig, (- 0,677 бара к бару 1,034) |
| Над давлением | Штепсельная вилка сброса раскрывает на (1.72bar) эталонных измерительных приборах приблизительно 25psig только |
| Пределы температуры | 20- °F 140 (- 6,67 к 60°C) |
| Устанавливать ориентацию | Диафрагма в вертикальном положении, фабрика cousult для другого положения. |
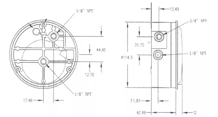
| Отростчатое соединение | 1/8" NPT, dupliate повсюду давит краны – одну сторону пар и одну пару назад. |
| Аксессуары эталонного измерительного прибора | включите 2 1/8" мужчина NPT затыкает для двойных кранов давления, 2 1/8" резьба трубы NPT мужчины до резиновые переходники трубопровода, и 3 переходника скрытого монтажа с винтами. |
Дифференциала размножения палаты манометра перепада давления размера манометр микро- отрицательный


Дифференциала размножения палаты манометра перепада давления ряда давления манометр микро- отрицательный
| Общий ряд | Подгонянный ряд | |||
| 0 – 30Pa | 0 – 400Pa | 0 – 2.5KPa | 0 – 30KPa | -1~0~1KPa |
| 0 – 60Pa | 0 – 500Pa | 0 – 3.0KPa | -15~0~15Pa | -2~0~2KPa |
| 0 – 100Pa | 0 – 600Pa | 0 – 5.0KPa | -30~0~30Pa | -3~0~3KPa |
| 0 – 125Pa | 0 – 750Pa | 0 – 8.0KPa | -60~0~60Pa | -4~0~4KPa |
| 0 – 200Pa | 0 – 800Pa | 0 – 10KPa | -125~0~125Pa | -5~0~5KPa |
| 0 – 250Pa | 0 – 1KPa | 0 – 15KPa | -250~0~250Pa | -10~0~10KPa |
| 0 – 300Pa | 0 – 2KPa | 0 – 25KPa | -500~0~500Pa | |
Дифференциала размножения палаты манометра перепада давления проводника выбора манометр микро- отрицательный

вопросы и ответы
: Мы свяжемся вы как можно скорее но в течение 12 часов
Q: Могу я получить некоторые образцы?
: Да, заказ образца доступен для качественной проверки и теста рынка. Но вы должны оплатить срочную цену.
Q: Как скоро смогите вы аранжировать вашу продукцию?
: Как только получающ ваше подтверждение продукта и получающ предплату, продукция будет начата немедленно.
Q: Что срок поставки?
: Он обычно принимает около 3-5 рабочих дней для небольшого заказа и 10-15 дней для большого заказа.
Q: Как вы контролируете ваше качество?
: 3 шага осмотра (оригинала, продукции, и готовых товаров) + хорошее обслуживание гарантии (1 год свободный для изменения новый одного без любых человеческих факторов повреждения).
Q: Какие сертификаты вы имеете?
: ISO9000, CE, взрывозащищенная аттестация, RoHs готовое. И перед delievry товаров, аттестацию осмотра качества и безопасности выданную третьими частями также можно предложить.
Q: Смог я посетить вашу фабрику?
: Очень радушный! Муха к порту воздуха Xian Yang. Было большим удовольствием для нас.
Q: Что ваши условия гарантии?
: Мы предлагаем 12 месяца времени гарантии.
Q: можете вы обеспечить OEM & подгонянное обслуживание?
: Да, OEM и ODM оба доступного, мы имеют профессиональный отдел НИОКР который может обеспечить профессиональные решения для вас.

