Описание 4-20mA RS485 разделило затыкает в термо- датчике влажности и температуры влагомера
Датчик принимает интегрированную влажность температуры высокой точности
обломок. Температура измерена путем использование температуры диода воспринимая соединение p-n, и передняя понижение штепсельная вилка chSplit в передатчике температуры и влажности с RS485anges с температурой под постоянн течением. Влажность измерена емкостью влажности чувствительной, которая изменяет с изменением влажности. Температура и влажность возмещанный потерю один другого, и после этого усиленный в стандартное цифровое или аналоговые сигналы относительной влажности и температуры через цепь амплификации. Передатчик cws21 температуры и влажности применим к измерению температуры и влажности в трубах или коробках. (этот протокол исполняет с комуникационным протоколом Modbus и принимает подмножество режима протокола RTU Modbus. Полу- режим дуплексной встречной работы RS485)
) Выходной сигнал: RS485 (расстояние может достигнуть 1000m). 32 в итоге)
Протокол b) стандартный Modbus RTU
(функция 03 читает данные, 06 функция пишет устанавливать данные)
Формат данных c): 9600, n, 8,1 (9600bps, отсутствие проверки, 8-разрядных данных, 1 сдержанного стопа) данные об объеме продукции d): температура 0-1650 (- ℃ 40-125)
Влажность 0-1000 (RH 0-100%)
Частота ответа e): ≤ 2Hz
Детализированные изображения 4-20mA RS485 разделили штепсельную вилку в термо- датчике влажности и температуры влагомера


Спецификация 4-20mA RS485 разделила затыкает в термо- датчике влажности и температуры влагомера
| Спецификация | С дисплеем | Без дисплея |
| Измеряя средство | газ (совместимый с материалом контакта) | |
| Общий материал | Проектировать ABS пластиковый для основной раковины | |
| Фильтр (контакт) | полиэтилен (μ m плотности 50) | |
| Кабель запирая главный нейлон | диаметр запирая провода 5-8mm) | |
| Дисплей | LCD с освещает контржурным светом | |
| Диапазон температур | - 40 | 0 | ℃ 125 (примечание 1) | |
| Ряд влажности | 0-100% RH (относительная влажность) | |
| Подача напряжения | 24VDC (настоящее/выход напряжения тока) 12-24vdc (выход RS485) | |
| Выходной сигнал: | RS485, 4-20mA, 0-10vdc | |
| Частота ответа | ≤ 2Hz | |
| Скорость ответа | ℃ 10 для температуры и RH 10% для влажности, расход потока газа 0.1m/s. | |
| Условия труда | температура окружающей среды - 40 | ℃ 85 | |
| Окружающая влажность | RH 5% до 95% (никакая конденсация) | |
| Стабильность | RH FS ± 1%/℃/год ± 0,2 года | |
| Сейсмическое представление | 5g (20… 2000Hz) | |
| Общий вес | ≈ 380g | ≈ 356g |
| Ранг защиты | IP65 | |
| Ряд силы (США = подача напряжения) |
Настоящий режим ≤0.05Us (w) Тип ≤0.015Us цифров (w) Тип ≤0.015Us напряжения тока (w) |
≤0.06Us (w) ≤0.025Us (w) ≤0.025Us (w) |
| Характеристики нагрузки | настоящий тип ≤ нагрузки {÷ (us-12) 0,02 (США = подача напряжения)} Ω | |
| Тип нагрузка напряжения тока | ≥ 100k Ω | |
Особенности 4-20mA RS485 разделило затыкают в термо- датчике влажности и температуры влагомера
a) Компенсация влияния температуры долгосрочной стабильности и полного диапасона
b) работая диапазон температур широк (- ℃ 40 | ℃ 85)
выбор параметра c) Multi диапазона температур
D) легкий для установки, установленная стена и установленный рельс
E) высокий уровень предохранения от пыли (IP65)
F) Собственной личности g дисплея LCD зонд (опционной)) меняемый
Применение 4-20mA RS485 разделило затыкает в термо- датчике влажности и температуры влагомера
Соответствующий для крытой окружающей среды
Управление температуры и влажности трубы вентиляции
Система топления и кондиционирования воздуха
Температура постоянного и регулятор влажности/коробка, etc

Крытый и на открытом воздухе контроль окружающей среды Коробка температуры постоянного и регулятора влажности
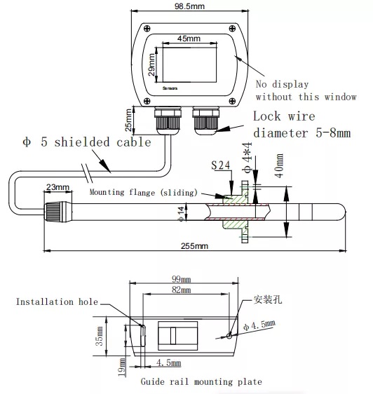
Размер 4-20mA RS485 разделил затыкает в термо- датчике влажности и температуры влагомера

Проводник 4-20mA RS485 выбора разделил затыкает в термо- датчике влажности и температуры влагомера

вопросы и ответы
: Мы свяжемся вы как можно скорее но в течение 12 часов
Q: Могу я получить некоторые образцы?
: Да, заказ образца доступен для качественной проверки и теста рынка. Но вы должны оплатить срочную цену.
Q: Как скоро смогите вы аранжировать вашу продукцию?
: Как только получающ ваше подтверждение продукта и получающ предплату, продукция будет начата немедленно.
Q: Что срок поставки?
: Он обычно принимает около 3-5 рабочих дней для небольшого заказа и 10-15 дней для большого заказа.
Q: Как вы контролируете ваше качество?
: 3 шага осмотра (оригинала, продукции, и готовых товаров) + хорошее обслуживание гарантии (1 год свободный для изменения новый одного без любых человеческих факторов повреждения).
Q: Какие сертификаты вы имеете?
: ISO9000, CE, взрывозащищенная аттестация, RoHs готовое. И перед delievry товаров, аттестацию осмотра качества и безопасности выданную третьими частями также можно предложить.
Q: Смог я посетить вашу фабрику?
: Очень радушный! Муха к порту воздуха Xian Yang. Было большим удовольствием для нас.
Q: Что ваши условия гарантии?
: Мы предлагаем 12 месяца времени гарантии.
Q: можете вы обеспечить OEM & подгонянное обслуживание?
: Да, OEM и ODM оба доступного, мы имеют профессиональный отдел НИОКР который может обеспечить профессиональные решения для вас.

