Высокое осевое давление -Тихий контрольный клапан, Тихий контрольный клапан, Кольцевой контрольный клапан, Отливный стальной контрольный клапан
АксиальнаяФлОуПробный клапан (Silent check valve)
Процесс отключения и расходы на техническое обслуживание устраняются.Интеллектуальное использование венчурных средств приводит к статическим и динамическим показателям, аксиальный контрольный клапан потока стал предпочтительным выбором для специальных применений.
1) Конструктивные особенности
Горизонтальная/вертикальная установка
Аксиальный контрольный клапан может быть как для горизонтальной, так и для вертикальной установки трубопровода.
Снижение давления
Полное открытие прохода потока и восстановление высокого давления в форме корпуса Вентури приводят к очень низкой потере давления: снижение эксплуатационных затрат насосов и компрессоров.
Бесплатное обслуживание
КусаиКонструкции контрольных клапанов аксиального потока не используют мягких частей и, следовательно, по своей природе пожаробезопасны.Различные другие конструкции невозвратных клапанов полагаются на внешние устройства, такие как противовеса и тормозные устройства для удовлетворительной работыОни не допускают захоронения, занимают много места и требуют регулярного обслуживания.КусаиОксиальный контрольный клапан потока может быть похоронен или установлен в местах, где пространство или вес является премиум.КусаиОксиальный контрольный клапан обычно не требует обслуживания.
2) Техническая спецификация
Номинальные габариты: 2-64
Номинальное давление: класс 150-1500
Тип соединения: RF,RTJ,FF
Материал литья: CS,SS, DSS, LTCS,Monel,Сплавная сталь,Алюминиевая бронза
3) ОсновныеSТандр
Стандарт проектирования: API 6D, ASME B16.34
Стандарт испытаний и проверки: API 598
Стандарт лицом к лицу: МФР
Стандарт соединения: ASME B16.5, ASME B16.47

Список частей

| Нет, нет, нет. | Наименование части | Материал |
| 1 | Тело | A216 WCB |
| 2 | Диск | A182 F316 |
| 3 | Весна | SS316 |
| 4 | Стенка | A182 F316 |
| 5 | Облицовка | A351 CF8M |
| 6 | Облицовка вала | A276 316 |
| 7 | Пошёл на хуй. | A193 B8M |
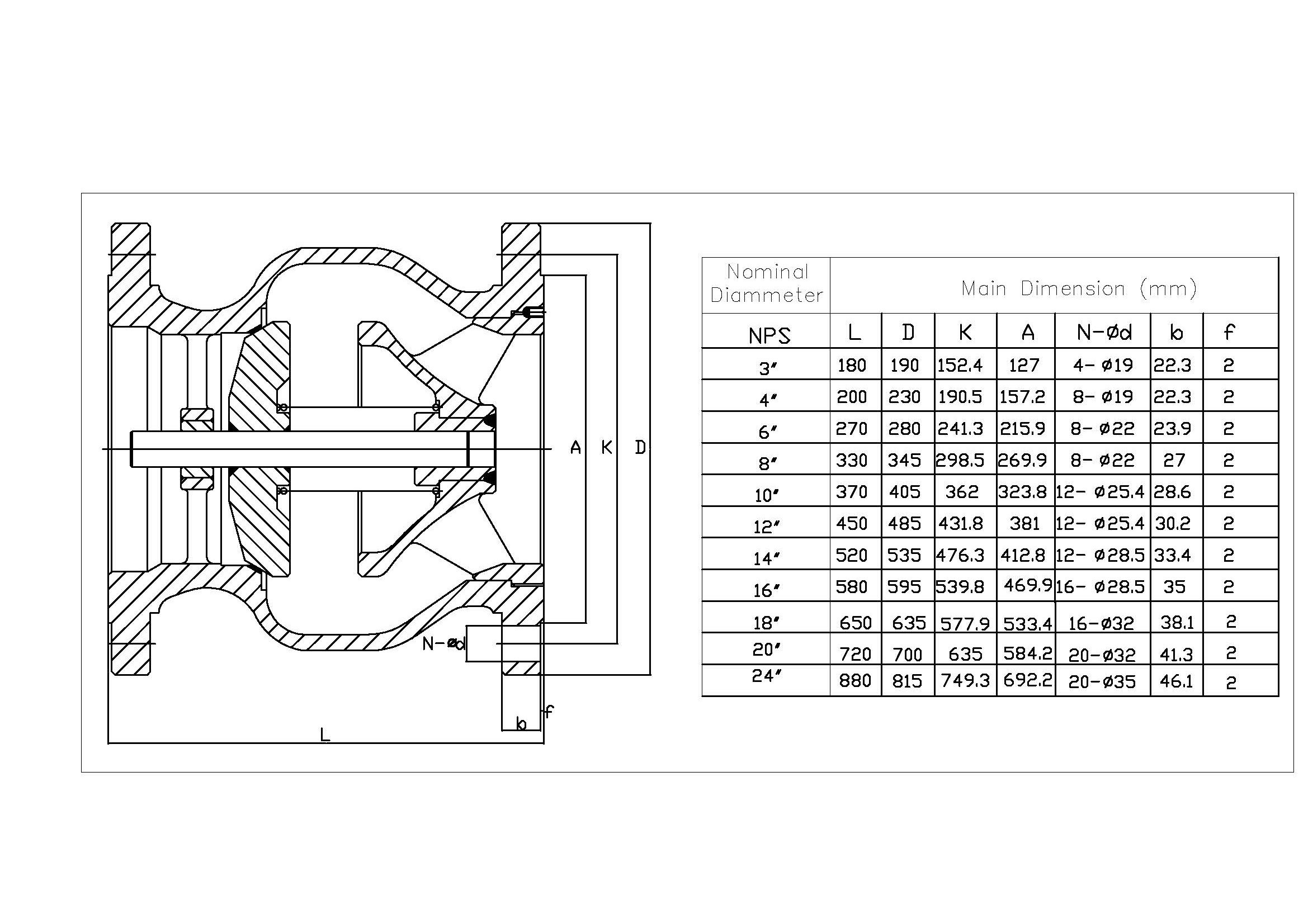
Размер

Презентация продукта

