GMP аттестовал пробирки 5ml Брауна пустые фармацевтические вводимые стеклянные
| Спецификация | 5ml |
| Низкая цена | Наша собственная фабрика, конкурентоспособные цены. |
| Цвет | Браун |
| Материал | Боросиликатное стекло 5.0/7.0 |
| Стандарт | 22*35mm или подгонянный. |
| Поверхностное покрытие | Печатающ, горячий штемпелюющ, распыляющ и замораживающ. |
| Безопасность | Мы проходили тест ЕС ROHS2.0. |
| Сертификат | GMP, CE, ISO, SFDA, ROHS |
1, мы фабрика специализируя в произведении стеклянных пробирок. Все виды спецификаций можно сделать.
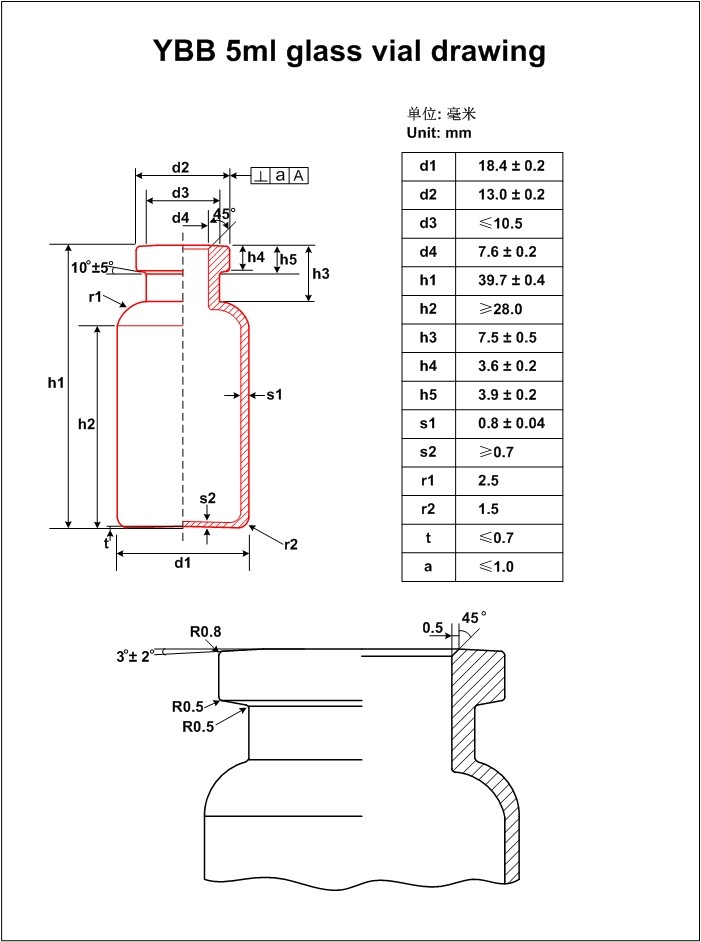
2, регулярный размер стеклянной пробирки 5ml 18.4*39.7 или 22*35mm; Другие размеры можно также подгонять.
3, это одно янтарное; прозрачный цвет можно также произвести.
4, янтарный стеклянный материал: Мы имеем 5,0 нейтральных боросиликатного стекла, 7,0 низких боросиликатного стекла и
9,0 натроизвестковых стекла. Сопротивление воды нейтрального и низкого боросиликатного стекла достигало
уровень ТИПА I, 9,0 натроизвестковых стекла ТИП II.
Стекло проходило тест ЕС ROHS2.0, его очень безопасно.
5, поверхность пробирки могут сделать печатание, горячий штемпелевать, распылять и замораживать.
6, мы можем также обеспечить другие родственные продукты, как крышки пробирки, резиновые затворы



рисовать пробирок стеклянной лампы 5ml Брауна:

