Профессиональный подгонянный свертывать потока умирает для завальцовки винтового нареза
Внедрение продукции
Внедрение продукции:
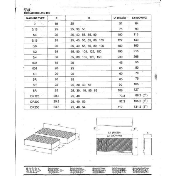
Размер раздела или размер плит: Length*Height*thickness (например, 90/105x25x25mm)
Длинная жизнь завальцовки потока умирает
Пожалуйста определите детали завальцовки потока умирает следующим образом когда вы запрашиваете или приказываете;
(1) материал завальцовки потока умирает вы;
(2) тип завальцовки потока умирает; винт машины, винт собственной личности выстукивая, деревянный винт, винт гипсокартона, винт макулатурного картона, винт утки и так далее;
(3) длина потока факта винта которой вы используете нашу завальцовку потока умирает для произведения;
(4) пустой диаметр;
(5) особенная спецификация из стандарта также доступна, но обязательно с чертежом для ссылки.



Размер раздела или размер плит: Length*Height*thickness (например, 90/105x25x25mm)
Длинная жизнь завальцовки потока умирает
Пожалуйста определите детали завальцовки потока умирает следующим образом когда вы запрашиваете или приказываете;
(1) материал завальцовки потока умирает вы;
(2) тип завальцовки потока умирает; винт машины, винт собственной личности выстукивая, деревянный винт, винт гипсокартона, винт макулатурного картона, винт утки и так далее;
(3) длина потока факта винта которой вы используете нашу завальцовку потока умирает для произведения;
(4) пустой диаметр;
(5) особенная спецификация из стандарта также доступна, но обязательно с чертежом для ссылки.
Наши обслуживания:
|
вопросы и ответы:
Q1: Вы фабрика или торговая компания?
A1: Мы фабрика, Henghui имеет 7,00 квадратных метров промышленных предприятий и оснований НИОКР.
Q2: Где ваша фабрика обнаружена местонахождение? Как могу я посетить там?
A2: Наша фабрика расположена в деревне Hailong, городке Baishiyi, районе Jiulongpo, городе Чунцина, Китае. Все наши клиенты, от дома или за рубежом, теплыйые, который нужно навещать мы в любое время!
Q3: Что материал ваших продуктов?
A3: Материал ST7, VA80, G6, H13 (SKD-61), или как требования к наших клиентов.
Q4: Максимальная пресса ваша фабрика иметь в распоряжении?
A4: Наша фабрика имеет 30T, 60T, пробивая машины 160T.
Q5:: Как ваша фабрика делает относительно проверки качества?
A5: Качество приоритет. Мы всегда прикрепляем большое значение в качество контролируя с самого начала к очень концу.
Упаковка:
Обычный мы выбираем следующие пути грузить наши прессформы, если любые другие выборы или требования, то мы также
добро пожаловать.

