Части карбидных ткацких машин Вольфрамовая стальная высокоточная клапанная сетка
Регулярное место клапана из вольфрамовой стали
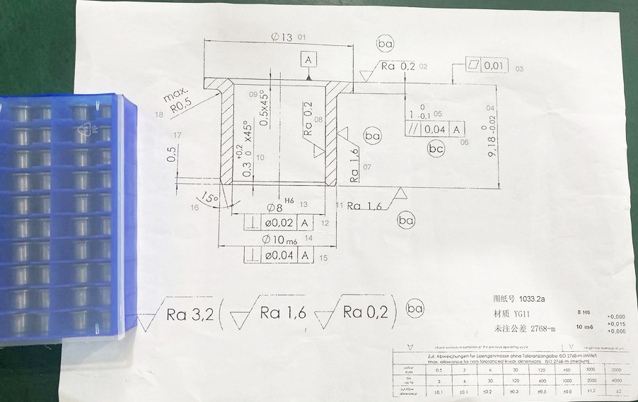
Этот маленький - клапан вертикальности 0.02.
толщина одной боковой стенки составляет всего 1 мм,
Так что мы должны быть очень осторожны с позицией зажима.
Эта поверхность действует как уплотнение, с шероховатостью 0.2.
Буши из карбида вольфрама - это высокопроизводительный подшипник, используемый в текстильной промышленности, изготовленный из высококачественного материала из карбида вольфрама.Этот вид бусин играет решающую роль в текстильных машинах, обеспечивая отличную износостойкость, высокую прочность и температурную стабильность, обеспечивая надежную поддержку надежной работы текстильного оборудования.
Мы предоставляем карбидное буширование нестандартной индивидуальной обработки производства, и требования точности могут соответствовать ± 0.002.
Производство деталей для шлифования карбидной формы текстильной техники, обработка деталей для шлифования вольфрамовой стали.
Применение:Это для ткацких машин, круговых ткацких станков, многоосевого ткачества...
Физические параметры обычно используемых карбидных материалов для корпусов следуют:

Ключевые особенности:
| 1 | Превосходный материал: | Изготовлен из высокочистого вольфрамового карбида, что гарантирует, что корпус имеет выдающуюся твердость и износостойкость. |
| 2 | Стабильность при высоких температурах: | Сохраняет стабильную производительность даже в условиях высокой температуры, подходящей для сложных условий работы текстильных машин. |
| 3 | Изготовление с высокой точностью: | Точная обработка обеспечивает точные габариты, обеспечивая отличную производительность приспособления. |
| 4 | Устойчивость к коррозии: | Отличная коррозионная стойкость, продлевает срок службы. |
| 5 | Области применения | Буши из карбида вольфрама широко используются в различных текстильных машинах, включая прядильные машины, ткацкие машины и швейные машины.высокотемпературные, и высокоскоростные условия делают карбид вольфрама корпус незаменимым высокопроизводительным подшипником в текстильной промышленности. |
| 6 | Преимущества: | Обеспечивает надежную поддержку подшипников, уменьшая механическое износ. Высокотемпературная стабильность, адаптация к сложным условиям текстильного процесса. Устойчивость к коррозии обеспечивает долгосрочную стабильную работу корпуса. |
В качестве важнейшего компонента в текстильной технике, корпус карбида вольфрама, с его высокими характеристиками,предлагает надежную подшипную поддержку для повышения надежности и стабильности текстильного оборудованияЕго превосходная твердость, износостойкость и стабильность при высоких температурах делают его идеальным выбором в текстильной промышленности, способствуя улучшению производительности оборудования.
О нас:
Продукция из цементированного карбида Zhuzhou Sanxin в основном включает в себя сопла, буши и рукава, уплотнительные кольца, формы, вставки, ролики для фрезерной фабрики и другие индивидуальные компоненты.
Цементированный карбид - это композитный материал из твердого сплава, состоящий из огнеупорного металла, связанного металлическим связующим посредством порошковой металлургии.
Высокая твердость, износостойкость, прочность и жесткость - все его исключительные свойства, которые широко используются в промышленных деталях и инструментах для самых суровых и агрессивных условий.
В целом принято считать, что карбид вольфрама и сплав вольфрама лучше всего соответствуют определениям цементированного карбида, который также известен как металлическая керамика.
Умение обработки деталей из твердого карбида вольфрама:
Максимальный размер: Φ85 * 1200 мм
Минимальный размер: Φ0,045 * 14 мм
