удар плашки карбида 2800MPa холодный возглавляя - устойчивая вковка умирает холодный возглавляя оборудовать
Спецификация рубрики карбида холодной умирает
1. Размер: Мы имеем сотни moudles доступных теперь. Различные размеры предложили.
2. высокое wear&corrosion&abrasive сопротивление.
3. выдвинул произведение оборудования.
4. ISO9001: 2008, ISO9001: аттестованное 14001.
5. YG11 YG15 YG20 YG16C YG18C YG20C YG22C YG25C YG25 ранг доступное.
6. типы: рубрика карбида холодная умирает, умирает для рисуя проводов металла, штаног, трубок, штепсельных вилок и нештатных плашек.
| Ранг | Плотность | Твердость HRA | MPa T.R.S | Performance&application порекомендовало |
| YG20C | 13,5 | 83,0 | 2850 | Соответствующее для износоустойчивого или удара - устойчивые плашки |
| YG22C | 13,3 | 82,0 | 2900 | Соответствующее для плашек гайки формируя и высоких удар-устойчивых плашек |
| YG25C | 13,1 | 81,5 | 2950 | Соответствующее для нержавеющих плашек scres и semifinishing роликов |
| ML80 | 13,1 | 83,0 | 3200 |
Соответствующее для плашек завинчивой пробки формируя с высокопрочным (самая высокая удар-устойчивая вковка умирает) |
Применение рубрики карбида холодной умирает
Рубрика карбида холодная умирает использована для холодные пробивать и рубрики srews и гаек, с высокой износостойкостью и высокой твердостью. Также, идеальный материал в делать цветной металл, железистый металл и другой сплав.


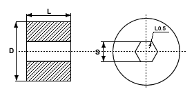
| ТИП | некоторый размер рубрики die/mm карбида холодной | ||
| d | D | L | |
| BD0101015 | 10 | 1 | 15 |
| BD0171230 | 12 | 1,7 | 30 |
| BD0211015 | 10 | 2,1 | 15 |
| BD0211230 | 12 | 2,1 | 30 |
| BD0241015 | 10 | 2,4 | 15 |
| BD0291425 | 14 | 2,9 | 35 |
| BD0291640 | 16 | 2,9 | 40 |
| … | … | … | … |

Применение рубрики карбида холодной умирает
1, карбид холодный возглавлять умирает зона одна из главных программ материала карбида вольфрама. Рубрику умирает обычно можно разделять в пробивая плашку и втулка умирает, использованный в холодной рубрике, теплой рубрике и горячей возглавляя ситуации технологии.
2, карбид холодная рубрика умирает технологический прочесс которое делают преобразование части работы и форму близко к законченному продукту в предельный объем в немногих процессах. Основной этап работ современные mechining и автомобильной промышленности.
3, почему нам нужна холодная рубрика?
карбид холодный возглавлять умирает улучшает структуру продуктов.

Продукция и тест рубрики карбида холодной умирают

Почему клиенты выбирая нас?
1. убеждаться преимущество покупателя. Если не смогите встретить детали в контракте, то 100% из вашей оплаты будет возвращено.
2. Как профессиональный изготовитель, мы имеем 21 лет опыта фабрики для карбида холодная рубрика умирает. Мы посвящаем к исследованию и изготовлять много разный вид и размер.
3. Вы можете увидеть от внизу изображения которому много клиентов посетили нашу будочку выставки, больше и больше клиенты в мире используете наш карбид холодная рубрика умирает, мы получили много хороших обратные связи или обзоров от серий стран.
