Напаянные режущие части карбида вольфрама сваривая модель YT5/P30 B32 B40 B50 лезвий
Описание:
1, использованный для стали, нержавеющей стали, литой стали и литого железа режа и обрабатывая.
2, хорошая твердость
3, главные сопротивление носки & высокопрочный
4, всесторонний ряд типов с прессформами
5, краткость поставляют период, с некоторыми типами всегда в запасе
6, полноавтоматическая машина прессы, которая приносит стабилизированные качество и высокую эффективность
Спецификации:

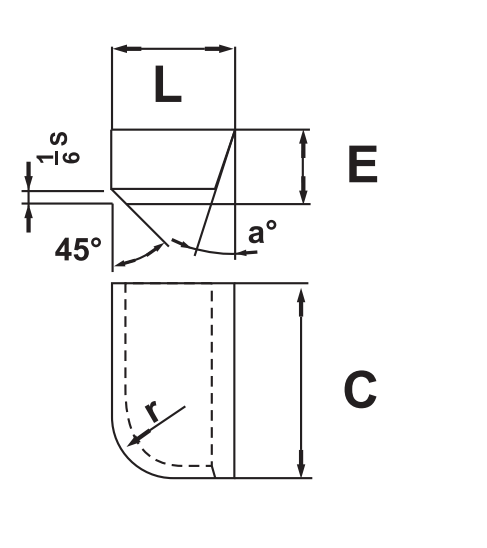
| Тип | Размеры (mm) | ||||
| L | t | S | r | a° | |
| B32 | 32 | 18 | 10 | 10 | 18 |
| B40 | 40 | 22 | 12 | 12 | 18 |
| B50 | 50 | 25 | 14 | 14 | 18 |

Применения:
| Ранг | ISO Код | Плотность | Твердость | T.R.S | Порекомендованные применения |
| g/cm3 | HRA | MPa | |||
| YM3 | K05 | 15,1 | 92 | 1400 | Соответствующий для заканчивать литого железа и цветного металла. |
| YM6X | K10 | 14,95 | 91,5 | 1800 | Отделка & полу-отделка литого железа и цветных металлов |
| YM6 | K15 | 14,95 | 90,5 | 1900 | Соответствующий для обдирки сплавов литого железа и света |
| YM8 | K20 | 14,8 | 89,5 | 2200 | |
| YW1 | M10 | 13,1 | 91,6 | 1600 | Соответствующий для отделки и полу-отделки нержавеющего |
| YW2 | M20 | 13 | 90,6 | 1800 | Ранг можно использовать для полу-отделки нержавеющей стали |
| YT15 | P10 | 11,4 | 91,5 | 1600 | Соответствующий для отделки и полу-отделки для стального и |
| YT14 | P20 | 11,6 | 90,8 | 1700 | Соответствующий для отделки и полу-отделки стали и литой стали. |
| YT5 | P30 | 12,9 | 90,5 | 2200 | Соответствующий для сверхмощные грубые поворачивать и бросания |