Цементированный карбид видел, что подсказки часто были использованы в woodcutting, каменный, MDF и косить и вырезывание для алюминия который помещен в переднем лезвии пилы.
Оно использовано для того чтобы отрезать сухую древесину, мягкую древесину, ect твердой древесины.
debarking и режущ замороженной древесины, мягкой древесины и первоначальной древесины

Ранги цементированных кончиков лопатки круглой пилы карбида вольфрама для резать древесину/камень
| Ранги точного зерна | ||||
| Ранг | Плотность | T.R.S | Твердость | Представление & применение порекомендовали |
| g/cm3 | MPa | HRA | ||
| YM6X | 14,7 | 1900 | 92,5 | Твердая древесина, MDF, HDF, алюминиевые & пластиковые смеси и тонкие цветные металлы. |
| YM8A | 14,5 | 2200 | 91 | Твердая древесина, доска облицовки, PCB, PVC & металлы. |
| YM8X | 14,4 | 2420 | 92 | Сталь углерода, тугоплавкая сталь, сталь марганца, и нержавеющая сталь. |
| YM2T | 14,7 | 2000 | 91,2 | Генерал и твердая древесина |
| YM10X | 14,8 | 2200 | 91 | Генерал и твердая древесина |
| YM10T | 14,9 | 1890 | 91,5 | Генерал и твердая древесина |
| Ранги среднего и грубого зерна | ||||
| YM6 | 14,9 | 2100 | 90 | Твердая древесина, первоначальная древесина, алюминиевый бар раздела, латунная штанга и литое железо. |
| YM8 | 14,7 | 2400 | 89,5 | Сухая древесина, мягкая древесина, алюминий и латунь, графит и трава. |
| YM8C | 14,7 | 2450 | 88,5 | Мягкая и сухая древесина, общая древесина со свободным Nan-сделанным узлом, мрамором, керамикой и травой. |
| YM9C | 14,4 | 2600 | 87 | Для debarking и резать замороженной древесины, мягкой древесины и первоначальной древесины. |
| YM11C | 14,1 | 2200 | 90,5 | Твердая древесина, цветной металл, гранит и мрамор. |
| YM15C | 14 | 2700 | 86,5 | Для debarking и резать замороженной древесины, мягкой древесины и первоначальной древесины. |

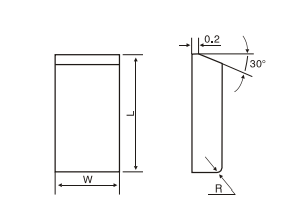
Типы продукта цементированных кончиков лопатки круглой пилы карбида вольфрама для резать древесину/камень

| Тип | Размер (mm) | ||
| L | W | T | |
| WA7065 | 0,25 | 0,065 | 0,062 |
| ↓ | ↓ | ||
| WA7215 | 0,215 | ||
| WB7085 | 0,281 | 0,085 | 0,078 |
| ↓ | ↓ | ||
| WB7312 | 0,312 | ||
| WC7100 | 0,281 | 0,1 | 0,093 |
| ↓ | ↓ | ||
| WC7250 | 0,25 | ||
| WD7100 | 0,312 | 0,1 | 0,093 |
| ↓ | ↓ | ||
| WD7312 | 0,312 | ||
| WE7150 | 0,375 | 0,15 | 0,093 |
| ↓ | ↓ | ||
| WE7375 | 0,375 | ||
| WF7150 | 0,5 | 0,15 | 0,125 |
| ↓ | ↓ | ||
| WF7750 | 0,375 | ||
| WG7150 | 0,375 | 0,15 | 0,125 |
| ↓ | ↓ | ||
| WG7750 | 0,75 | ||
| WH7125 | 0,344 | 0,125 | 0,125 |
| ↓ | ↓ | ||
| WH7300 | 0,3 | ||
| WQ7170 | 0,375 | 0,17 | 0,156 |
| ↓ | ↓ | ||
| WQ7375 | 0,375 | ||

Телефон: 15886314519